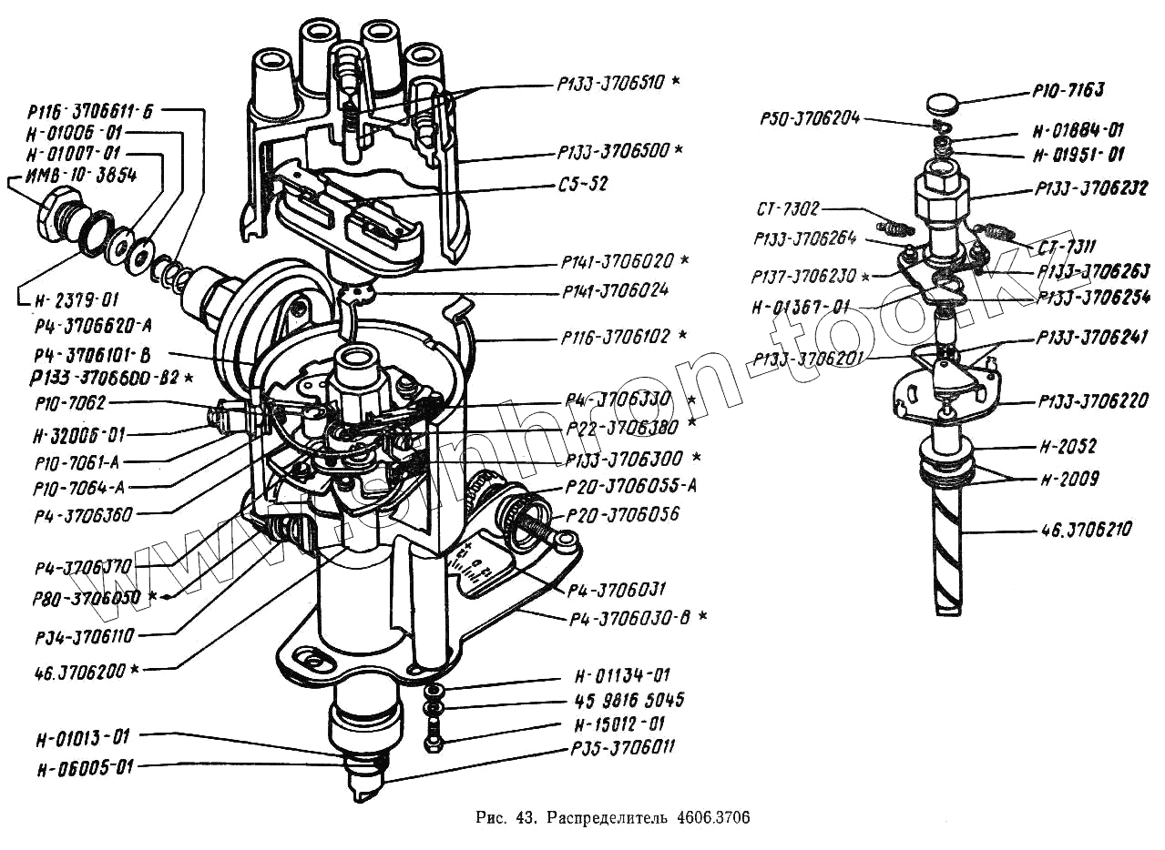
Каталог запасных частей к технике: ЗИЛ-431410 (130). Распределитель 4606.3706
Н-2052
Р4-3706620-А
Р50-3706204
Р10-7061-А
Р10-7064-А
Н-32006-01
46.3706210
Р20-3706056
45 9816 5045
Р133-3706201
Н-2009-П29
Н-01013-01
Н-01007-01
Н-01884-01
Н-01367-01
Н-01134-01
Н-2379-01
Р133-3706220
Н-15012-01
СТ-7302
Р116-3706611-Б
СТ-7311
Р141-3706024
Р4-3706360
ИМВ-10-3854
Р4-3706031
Н-06005-01
Р133-3706254
Р133-3706300
Р133-3706264
Р133-3706263
Р35-3706011
Р10-7163
Р133-3706232
Р133-3706500
Р116-3706102
Р80-3706050
Р133-3706510
Р22-3706380
Р137-3706230
46.3706200
Р141-3706020
Р4-3706330
Р4-3706330А
Р4-3706030-В
Р4-3706370
Р34-3706110
Р4-3706101-В
Р10-7062
Р133-3706600-В2
С5-52
Р20-3706055-А
Р133-3706241
Н-01006-01
Н-01951-01
| Позиция на иллюстрации | Заводской номер детали | Название детали | |
|---|---|---|---|
| Н-2052 | Н-2052 | Шайба | |
| Р4-3706620-А | Р4-3706620-А | Камера регулировочная | |
| Р50-3706204 | Р50-3706204 | Замок | |
| Р10-7061-А | Р10-7061-А | Втулка | |
| Р10-7064-А | Р10-7064-А | Втулка | |
| Н-32006-01 | Н-32006-01 | Винт | |
| 46.3706210 | 46.3706210 | Валик с пластиной грузиков в сборе | |
| Р20-3706056 | Р20-3706056 | Шайба специальная | |
| 45 9816 5045 | 45 9816 5045 | Шайба пружинная | |
| Р133-3706201 | Р133-3706201 | Кольцо стопорное | |
| Н-2009-П29 | Н-2009-П29 | Шайба | |
| Н-01013-01 | Н-01013-01 | Шайба | |
| Н-01007-01 | Н-01007-01 | Шайба | |
| Н-01884-01 | Н-01884-01 | Шайба | |
| Н-01367-01 | Н-01367-01 | Шайба | |
| Н-01134-01 | Н-01134-01 | Шайба | |
| Н-2379-01 | Н-2379-01 | Шайба | |
| Р133-3706220 | Р133-3706220 | Пластина грузиков со стойками пружин в сборе | |
| Н-15012-01 | Н-15012-01 | Болт | |
| СТ-7302 | СТ-7302 | Пружина | |
| Р116-3706611-Б | Р116-3706611-Б | Пружина | |
| СТ-7311 | СТ-7311 | Пружина | |
| Р141-3706024 | Р141-3706024 | Пружина бегунка | |
| Р4-3706360 | Р4-3706360 | Провод соединительный в сборе | |
| ИМВ-10-3854 | ИМВ-10-3854 | Пробка | |
| Р4-3706031 | Р4-3706031 | Пластина установочная | |
| Н-06005-01 | Н-06005-01 | Шайба | |
| Р133-3706254 | Р133-3706254 | Пластина ведомая | |
| Р133-3706300 | Р133-3706300 | Пластина в сборе | |
| Р133-3706264 | Р133-3706264 | Ось пружины | |
| Р133-3706263 | Р133-3706263 | Ось пружины | |
| Р35-3706011 | Р35-3706011 | Муфта | |
| Р10-7163 | Р10-7163 | Манжета | |
| Р133-3706232 | Р133-3706232 | Кулачок | |
| Р133-3706500 | Р133-3706500 | Крышка распределителя в сборе | |
| Р4-3706600-В2 | Р4-3706600-В2 | Регулятор вакуумный в сборе (Р4В2, Р4Д, Р137) | |
| 4601.3706000 | 4601.3706000 | Распределитель | |
| СТ21-3708304 | СТ21-3708304 | Пружина щетки | |
| Р116-3706102 | Р116-3706102 | Пружина | |
| СТ130А3-3708600 | СТ130А3-3708600 | Привод стартера в сборе | |
| Р4-3706300А | Р4-3706300А | Пластина прерывателя (Р133, Р137) | |
| СТ130А3-3708400 | СТ130А3-3708400 | Крышка со стороны привода в сборе | |
| СТ130А3-3708300 | СТ130А3-3708300 | Крышка со стороны коллектора в сборе | |
| РС14-Б1-3708800 | РС14-Б1-3708800 | Реле стартера | |
| Р80-3706050 | Р80-3706050 | Крышка масленки | |
| Р133-3706510 | Р133-3706510 | Контакт угольный с пружиной в сборе | |
| СТ130А3-3708150 | СТ130А3-3708150 | Катушка правая в сборе | |
| СТ130А3-3708120 | СТ130А3-3708120 | Катушка в сборе | |
| Р22-3706380 | Р22-3706380 | Заклепка с контактом в сборе | |
| Р137-3706230 | Р137-3706230 | Втулка с кулачком и пластиной в сборе | |
| 46.3706200 | 46.3706200 | Валик в сборе | |
| Р141-3706020 | Р141-3706020 | Бегунок с резистором в сборе | |
| Р4-3706330 | Р4-3706330 | Рычаг прерывателя в сборе | |
| Р4-3706330А | Р4-3706330А | Рычаг прерывателя в сборе (Р4В2, Р4Д, Р13В, Р13Д) | |
| Р4-3706030-В | Р4-3706030-В | Рычаг установки зажигания в сборе | |
| Р4-3706370 | Р4-3706370 | Стойка контактная в сборе | |
| СТ130А3-3708320 | СТ130А3-3708320 | Траверса в сборе | |
| СТ130А1-3708200 | СТ130А1-3708200 | Якорь в сборе | |
| Р34-3706110 | Р34-3706110 | Корпус масленки в сборе | |
| Р4-3706101-В | Р4-3706101-В | Корпус распределителя | |
| Р10-7062 | Р10-7062 | Стержень клеммы | |
| Р133-3706600-В2 | Р133-3706600-В2 | Регулятор вакуумный в сборе | |
| С5-52 | С5-52 | Резистор | |
| Р20-3706055-А | Р20-3706055-А | Гайка | |
| Р133-3706241 | Р133-3706241 | Грузик | |
| Н-01006-01 | Н-01006-01 | Шайба | |
| Н-01951-01 | Н-01951-01 | Шайба |
Содержащиеся в справочниках-каталогах запасные части и детали не предлагаются к продаже, а носят исключительно информационный характер