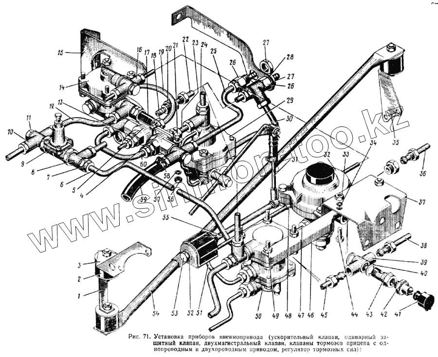
Каталог запасных частей к технике: ЗИЛ-133ГЯ. Установка приборов пневмопривода
1
2
3
4
5
6
7
8
9
10
11
12
13
14
15
16
17
18
19
20
20
21
22
23
24
25
26
26
26
27
27
28
29
30
31
32
33
34
35
36
37
38
39
40
40
40
40
40
41
42
43
44
45
46
47
48
48
49
49
50
51
52
53
54
55
56
57
58
59
60
| Позиция на иллюстрации | Заводской номер детали | Название детали | |
|---|---|---|---|
| 250508-П29 | 250508-П29 | Гайка | |
| 250517-П29 | 250517-П29 | Гайка | |
| 250559-П29 | 250559-П29 | Гайка | |
| 133ВЯ-3560055 | 133ВЯ-3560055 | Крестовина | |
| 133ВЯ-3560032 | 133ВЯ-3560032 | Кронштейн крепления крестовины на среднем мосту | |
| 305062-П29 | 305062-П29 | Пробка предохранительная | |
| 4 593 261 016 | 4 593 261 016 | Болт крепления крана | |
| 300374-П29 | 300374-П29 | Штуцер ввертной | |
| 309916-П | 309916-П | Прокладка | |
| 133ГЯ-3512017 | 133ГЯ-3512017 | Проставка кронштейна | |
| 133ВЯ-3560220 | 133ВЯ-3560220 | Шланг соединительный | |
| 252136-П2 | 252136-П2 | Шайба пружинная | |
| 252134-П2 | 252134-П2 | Шайба пружинная | |
| 1 | 5320-3533163 | Кронштейн компенсаторов перемещения | |
| 2 | 5320-3533160 | Компенсатор перемещения в сборе | |
| 3 | 133ВЯ-3533155 | Кронштейн компенсаторов передний | |
| 4 | 100-3562010 | Клапан двухмагистральный перепускной в сборе | |
| 5 | 100-3562010-20 | Клапан двухмагистральный в сборе | |
| 6 | 133ВЯ-3560512 | Трубка от одинарного защитного клапана к клапану управления тормозами прицепа с двухпроводным приводом | |
| 7 | 301573-П29 | Болт полый | |
| 8 | 300357-П29 | Угольник проходной поворотный | |
| 9 | 100-3515010 | Клапан защитный в сборе | |
| 10 | 300358-П29 | Тройник поворотный | |
| 11 | 301570-П29 | Болт полый | |
| 12 | 133ВЯ-3560324 | Трубка от тройного защитного клапана к ускорительному клапану третья | |
| 13 | 300376-П29 | Штуцер ввертной | |
| 14 | 100-3518010 | Клапан ускорительный в сборе | |
| 15 | 133ВЯ-3518019 | Кронштейн крепления ускорительного клапана | |
| 16 | 300356-П29 | Тройник | |
| 17 | 133ВЯ-3830300 | Датчик аварийного падения давления воздуха в пневмосистеме типа М124-Б | |
| 18 | 300377-П29 | Штуцер ввертной | |
| 19 | 133ВЯ-3560330 | Трубка от ускорительного клапана к двухмагисгральным клапанам | |
| 20 | 300366-П29 | Штуцер | |
| 20 | 300366-П2Э | Штуцер ввертной | |
| 21 | 201458-П29 | Болт | |
| 22 | 133ВЯ-3560232 | Трубка от регулятора тормозных сил к тормозным камерам среднего моста | |
| 23 | 133ВЯ-3560240 | Трубка от тормозного крана к двухмагистральному клапану | |
| 24 | 133ВЯ-3560212 | Трубка от тормозного крана к регулятору тормозных сил вторая | |
| 25 | 133ВЯ-3560332 | Трубка от двух магистрального клапана к пружинным энергоаккумуляторам заднего моста | |
| 26 | 300364-П29 | Штуцер проходной | |
| 26 | 300364-П29 | Штуцер проходной | |
| 27 | 303094-П8 | Гайка | |
| 27 | 303094-П8 | Гайка | |
| 28 | 133ВЯ-3560060 | Кронштейн крепления штуцеров | |
| 29 | 100-3533010-10 | Регулятор тормозных сил в сборе | |
| 30 | 133ВЯ-3560224 | Трубка от регулятора тормозных сил к тормозным камерам заднего моста | |
| 31 | 133ВЯ-3533133 | Тяга регулятора тормозных сил | |
| 32 | 100-3522110 | Клапан управления тормозами прицепа с однопроводным приводом в сборе | |
| 33 | 250510-П29 | Гайка | |
| 34 | 252135-П2 | Шайба пружинная | |
| 35 | 133ВЯ-3533156 | Кронштейн компенсаторов задний | |
| 36 | 133ГЯ-3560540 | Трубка от клапана управления тормозами прицепа с однопроводным приводом к соединительной головке первая | |
| 37 | 133ВЯ-3522119 | Кронштейн крепления клапана управления тормозами прицепа с однопроводным приводом | |
| 38 | 133ГЯ-3560532 | Трубка от клапана управления тормозами прицепа с двухпроводным приводом к головке тормозной магистрали прицепа | |
| 39 | 300358-П29 | Тройник поворотный | |
| 40 | 305917-П | Шайба | |
| 40 | 252005-П29 | Шайба | |
| 40 | 305916-П | Шайба | |
| 40 | 252006-П29 | Шайба | |
| 40 | 305915-П | Шайба | |
| 41 | 5320-3827026 | Колпачок защитный штекера | |
| 42 | 133ВЯ-3720010 | Выключатель сигнала торможения типа ММ 125 в сборе | |
| 43 | 301571-П29 | Болт | |
| 44 | 201456-П29 | Болт | |
| 45 | 133ВЯ-3560536 | Трубка от клапана управления тормозами прицепа с двухпроводным приводом к клапану с однопроводным приводом | |
| 46 | 133ВЯ-3522019 | Кронштейн | |
| 47 | 133ВЯ-3560516 | Трубка от одинарного защитного клапана к клапану управления тормозами прицепа с однопроводным приводом | |
| 48 | 308778-П29 | Скоба | |
| 48 | 308733-П8 | Скоба | |
| 49 | 250510-П | Гайка | |
| 49 | 250512-П29 | Гайка | |
| 50 | 100-3522010 | Клапан управления тормозами прицепа с двухпроводным приводом в сборе | |
| 51 | 133ВЯ-3560508 | Трубка от тормозного крана с ручным управлением к клапану управления тормозами прицепа с двухпроводным приводом | |
| 52 | 252137-П2 | Шайба пружинная | |
| 53 | 201538-П29 | Болт | |
| 54 | 133ВЯ-3533150 | Штанга соединительная в сборе | |
| 55 | 100-3533110 | Элемент упругий регулятора тормозных сил в сборе | |
| 56 | 250510-П29 | Гайка | |
| 57 | 252135-П2 | Шайба пружинная | |
| 58 | 308765-П | Хомут | |
| 59 | 133ВЯ-3560322 | Шланг | |
| 60 | 133ВЯ-3560330 | Трубка от ускорительного клапана к двухмагисгральным клапанам |
Содержащиеся в справочниках-каталогах запасные части и детали не предлагаются к продаже, а носят исключительно информационный характер