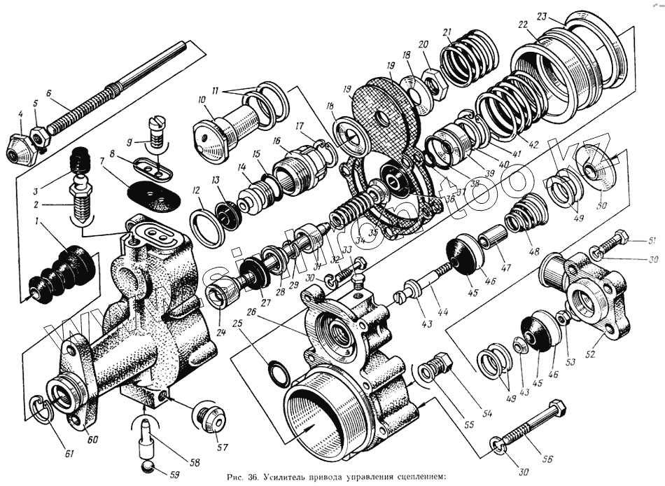
Каталог запасных частей к технике: ЗИЛ-133ГЯ. Усилитель привода управления сцеплением
1
2
3
4
5
6
7
8
9
10
11
12
13
14
15
16
17
18
18
19
19
20
21
22
23
24
25
26
27
28
29
30
30
30
31
32
33
34
35
36
37
38
39
40
41
42
43
43
44
45
45
46
46
47
48
49
49
50
51
52
53
54
55
56
57
58
59
60
61
| Позиция на иллюстрации | Заводской номер детали | Название детали | |
|---|---|---|---|
| 133ВЯ-1609570 | 133ВЯ-1609570 | Диафрагма редуктора в сборе | |
| 5320-1609525 | 5320-1609525 | Втулка заднего корпуса пневмогидравлического усилителя | |
| 133ВЯ-1609556 | 133ВЯ-1609556 | Уплотнение поршня выключения сцепления в сборе | |
| 133ВЯ-1609599 | 133ВЯ-1609599 | Пята опорная пневматического поршня | |
| 133ВЯ-1609534 | 133ВЯ-1609534 | Поршень следящий редуктора с корпусом в сборе | |
| 5320-1609536 | 5320-1609536 | Поршень следящий редуктора пневмогидравлического усилителя в сборе | |
| 133ВЯ-1609552 | 133ВЯ-1609552 | Поршень усилителя выключения сцепления в сборе | |
| 133ВЯ-1609516 | 133ВЯ-1609516 | Корпус пневмогидравлического усилителя задний в сборе | |
| 133ВЯ-1609578 | 133ВЯ-1609578 | Клапан редуктора усилителя в сборе | |
| 133ВЯ-1609592 | 133ВЯ-1609592 | Поршень пневматический в сборе | |
| 1 | 5320-1609569 | Чехол защитный заднего корпуса | |
| 2 | 133ВЯ-1609021 | Клапан перепускной заднего корпуса | |
| 3 | 5320-3401377 | Колпачок перепускного клапана ПГУ | |
| 4 | 133ВЯ-1609568 | Гайка сферическая толкателя поршня | |
| 5 | 250515-П8 | Гайка | |
| 6 | 5320-1609567 | Толкатель поршня выключения сцепления | |
| 7 | 130-3514175 | Уплотнитель перепускного отверстия | |
| 8 | 130-3514176 | Крышка выпускного отверстия | |
| 9 | 220077-П8 | Винт | |
| 10 | 133ВЯ-1609574 | Седло диафрагмы редуктора | |
| 11 | 5320-1609576 | Прокладка седла диафрагмы | |
| 12 | 864226-П | Кольцо уплотнительное корпуса следящего поршня редуктора | |
| 13 | 5320-1609539 | Манжета следящего поршня редуктора | |
| 14 | 5320-1609537 | Поршень следящий редуктора | |
| 15 | 864225-П | Кольцо уплотнительное следящего поршня редуктора | |
| 16 | 133ВЯ-1609543 | Корпус следящего поршня редуктора | |
| 17 | 307970-П | Кольцо стопорное | |
| 18 | 130-3514091 | Шайба диафрагмы редуктора | |
| 19 | 5320-1609571 | Диафрагма редуктора ПГУ | |
| 20 | 130-3514219 | Гайка диафрагмы | |
| 21 | 5320-1609573 | Пружина диафрагмы редуктора | |
| 22 | 5320-1609593 | Поршень пневматический | |
| 23 | 5320-1609597 | Манжета пневматического поршня ПГУ | |
| 24 | 133ВЯ-1609553 | Поршень выключения сцепления | |
| 25 | 864236-П | Кольцо уплотнительное седла диафрагмы | |
| 26 | 133ВЯ-1609515 | Корпус пневмогидравлический усилителя передний | |
| 27 | 864173-П | Манжета поршня выключения сцепления в сборе | |
| 28 | 133ВЯ-1609555 | Втулка распорная манжеты поршня выключения сцепления | |
| 29 | 862814-П2 | Кольцо упорное поршня выключения сцепления | |
| 30 | 252135-П2 | Шайба пружинная | |
| 30 | 252135-П2 | Шайба пружинная | |
| 31 | 5320-1609561 | Втулка упорная пружины уплотнения поршня выключения сцепления | |
| 32 | 201462-П8 | Болт | |
| 33 | 262541-П8 | Пробка коническая | |
| 34 | 5320-1609565 | Пружина распорная | |
| 35 | 5320-1609563 | Втулка распорная уплотнения поршня выключения сцепления | |
| 36 | 864146-П | Манжета уплотнения поршня в сборе | |
| 37 | 864235-П | Кольцо уплотнительное поршня | |
| 38 | 864224-П | Кольцо уплотнительное корпуса | |
| 39 | 133ВЯ-1609559 | Корпус уплотнения поршня выключения сцепления | |
| 40 | 862528-П29 | Шайба корпуса уплотнения поршня | |
| 41 | 862813-П2 | Кольцо упорное уплотнения поршня | |
| 42 | 5320-1609601 | Пружина пневматического поршня | |
| 43 | 130-3514285 | Шайба клапана малая | |
| 44 | 130-3513240-В | Стержень клапана редуктора | |
| 45 | 130-3514211 | Конус клапана редуктора | |
| 46 | 130-3514213 | Шайба клапана большая | |
| 47 | 130-3514243 | Трубка стержня клапана редуктора | |
| 48 | 127-3514238 | Пружина клапана | |
| 49 | 127-3514237-А | Прокладка регулировочная седла клапана | |
| 50 | 133ВЯ-1609587 | Седло клапана редуктора | |
| 51 | 201458-П8 | Болт | |
| 52 | 5320-1609611 | Крышка подвода воздуха | |
| 53 | 250462-П8 | Гайка | |
| 54 | 483023-П29 | Пробка | |
| 55 | 305877-П | Шайба | |
| 56 | 200273-П8 | Болт | |
| 57 | 300165-П | Седло | |
| 58 | 133ВЯ-1609521 | Жиклер пневмогидравлического усилителя | |
| 59 | 306266-П | Шарик 7,144 - 4+/-14 | |
| 60 | 133ВЯ-1609517 | Корпус пневмогидравлического усилителя задний | |
| 61 | 307970-П | Кольцо стопорное |
Содержащиеся в справочниках-каталогах запасные части и детали не предлагаются к продаже, а носят исключительно информационный характер