Каталог запасных частей к технике: ЗИЛ-133ГЯ. Подвеска силового агрегата
1
2
2
2
2
3
3
4
5
5
6
7
8
9
10
11
12
13
14
15
16
17
18
18
19
20
21
22
23
24
25
26
27
28
29
29
30
31
32
33
34
35
36
37
38
39
40
41
42
43
44
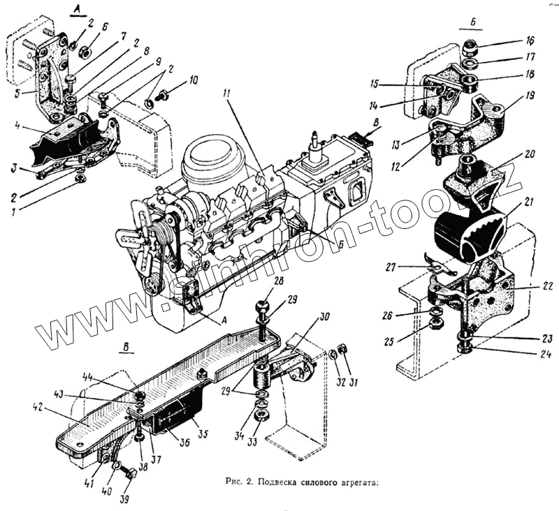
| Позиция на иллюстрации | Заводской номер детали | Название детали | |
|---|---|---|---|
| 740.1002010 | 740.1002010 | Блок цилиндров | |
| 740.1002012 | 740.1002012 | Блок цилиндров в сборе | |
| 740.1000014 | 740.1000014 | Двигатель в сборе (комплект) | |
| 740.1000304 | 740.1000304 | Двигатель с оборудованием и коробкой передач в сборе | |
| 256877-П | 256877-П | Заклепка | |
| 133ВЯ-1001015 | 133ВЯ-1001015 | Кронштейн крепления силового агрегата передний левый | |
| 133ВЯ-1001014 | 133ВЯ-1001014 | Кронштейн крепления силового агрегата передний правый | |
| 130-3514167 | 130-3514167 | Ось рычага тормозного крана | |
| 1 | 250615-П8 | Гайка | |
| 2 | 252137-П2 | Шайба пружинная | |
| 2 | 252137-П2 | Шайба пружинная | |
| 2 | 252137-П2 | Шайба пружинная | |
| 2 | 252137-П2 | Шайба пружинная | |
| 3 | 133ВЯ-1001018 | Кронштейн передней опоры крепления силового агрегата правый | |
| 3 | 133ВЯ-1001013 | Кронштейн передней опоры крепления силового агрегата левый | |
| 4 | 133ВЯ-1001020 | Подушка передней опоры | |
| 5 | 133ВЯ-1001006 | Кронштейн крепления силового агрегата передний правый со штифтами в сборе | |
| 5 | 133ВЯ-1001007 | Кронштейн крепления силового агрегата передний левый со штифтами в сборе | |
| 6 | 250515-П8 | Гайка | |
| 7 | 201567-П8 | Болт крепления кронштейна к подушкам передней опоры | |
| 8 | 252007-П8 | Шайба регулировочная | |
| 9 | 201561-П8 | Болт | |
| 10 | 201561-П8 | Болт | |
| 11 | 133ВЯ-1000250-А | Агрегат силовой в сборе, укомплектованный для установки на шасси автомобиля, с использованием подогревателя | |
| 11 | 133ВЯ-1000250 | Агрегат силовой в сборе, укомплектованный для установки на шасси автомобиля | |
| 12 | 252017-П8 | Шайба | |
| 13 | 301578-П29 | Болт | |
| 14 | 250561-П8 | Гайка | |
| 15 | 252139-П29 | Шайба пружинная | |
| 16 | 303118-П29 | Гайка самостопорящаяся | |
| 17 | 252019-П8 | Шайба | |
| 18 | 133ВЯ-1001125-Б | Кронштейн силового агрегата задний левый | |
| 18 | 133ВЯ-1001126-Б | Кронштейн силового агрегата задний правый | |
| 19 | 133ВЯ-1001109 | Крышка задней опоры силового агрегата | |
| 20 | 133ВЯ-1001062 | Башмак с опорной втулкой | |
| 21 | 5320-1001051 | Подушка задней опоры силового агрегата | |
| 22 | 133ВЯ-1001048 | Кронштейн задней опоры силового агрегата | |
| 23 | 305811-П | Шайба | |
| 24 | 301577-П29 | Болт крепления задней опоры к кронштейну | |
| 25 | 250561-П8 | Гайка | |
| 26 | 252139-П29 | Шайба пружинная | |
| 27 | 133ВЯ-1001085 | Прокладка регулировочная | |
| 28 | 4593489677 | Болт крепления балки к кронштейну | |
| 29 | 305856-П8 | Шайба | |
| 30 | 133ВЯ-1001170 | Кронштейн балки поддерживающей опоры со шпильками в сборе | |
| 31 | 250515-П8 | Гайка | |
| 32 | 252137-П2 | Шайба пружинная | |
| 33 | 250559-П29 | Гайка | |
| 34 | 252138-П2 | Шайба пружинная | |
| 35 | 133ВЯ-1001187 | Накладка подушки поддерживающей опоры | |
| 36 | 5320-1001179 | Подушка поддерживающей опоры | |
| 37 | 133ВЯ-1001185 | Обойма подушки поддерживающей опоры | |
| 38 | 201565-П8 | Болт крепления обоймы к балке | |
| 39 | 201563-П8 | Болт | |
| 40 | 252137-П2 | Шайба пружинная | |
| 41 | 5320-1001133 | Кронштейн поддерживающей опоры | |
| 42 | 133ВЯ-1001171 | Балка поддерживающей опоры | |
| 43 | 252137-П2 | Шайба пружинная | |
| 44 | 250515-П8 | Гайка |
Содержащиеся в справочниках-каталогах запасные части и детали не предлагаются к продаже, а носят исключительно информационный характер