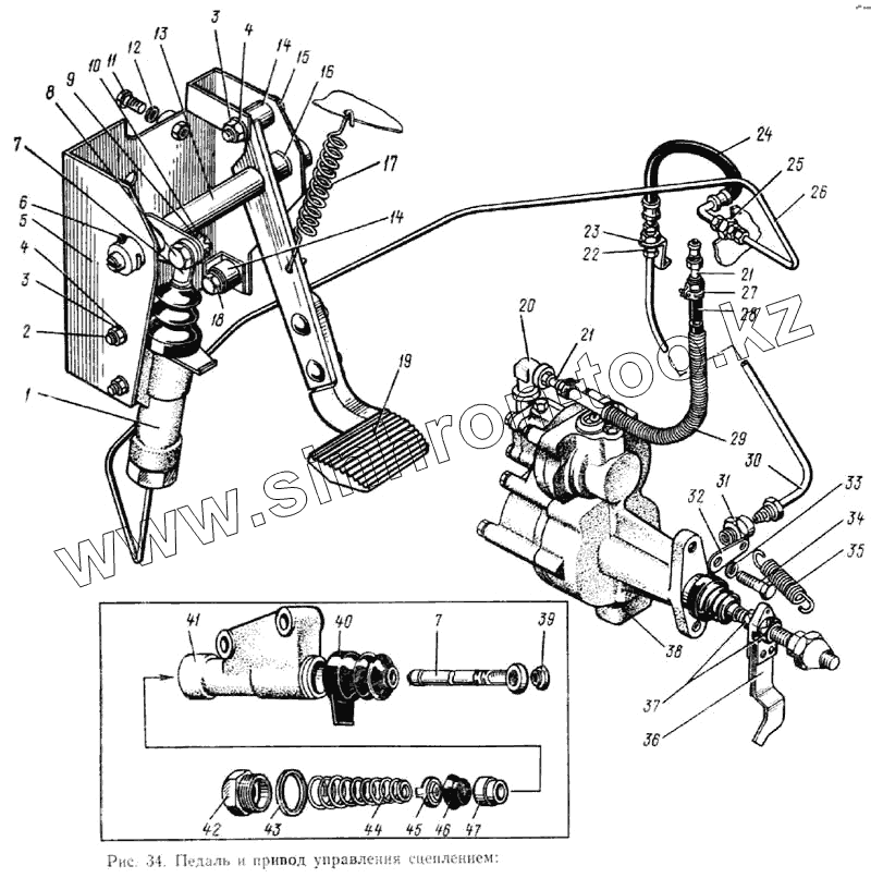
Каталог запасных частей к технике: ЗИЛ-133ГЯ. Педаль и привод управления сцеплением
1
2
3
3
4
4
5
6
7
7
8
9
10
11
12
13
14
14
15
16
17
18
19
20
21
21
22
23
24
25
26
27
28
29
30
31
32
33
34
35
36
37
38
39
40
41
42
43
44
45
46
47
| Позиция на иллюстрации | Заводской номер детали | Название детали | |
|---|---|---|---|
| 251084-П8 | 251084-П8 | Гайка | |
| 220082-П8 | 220082-П8 | Винт | |
| 133ВЯ-1609620 | 133ВЯ-1609620 | Шланг подвода воздуха к пневмогидравлическому усилителю в сборе | |
| 252159-П2 | 252159-П2 | Шайба пружинная | |
| 870852-П29 | 870852-П29 | Шайба замковая | |
| 15.1772084 | 15.1772084 | Упор клапана включения делителя передач | |
| 5320-1602518 | 5320-1602518 | Пружина главного цилиндра в сборе | |
| 15.1772090 | 15.1772090 | Пластина упора клапана малая | |
| 133ВЯ-1602008 | 133ВЯ-1602008 | Педаль сцепления с кронштейном и главным цилиндром в сборе | |
| 15.1772086 | 15.1772086 | Основание упора клапана | |
| 1/05343/03 | 1/05343/03 | Заклепка | |
| 15.1772088 | 15.1772088 | Пластина упора клапана средняя | |
| 1 | 133ВЯ-1602510 | Главный цилиндр управления сцеплением в сборе | |
| 2 | 200322-П8 | Болт | |
| 3 | 250512-П8 | Гайка | |
| 3 | 250512-П8 | Гайка | |
| 4 | 252136-П2 | Шайба пружинная | |
| 4 | 252136-П2 | Шайба пружинная | |
| 5 | 133ВЯ-1602063 | Кронштейн оси педали в сборе | |
| 6 | 258071-П29 | Шплинт оси педали сцепления | |
| 7 | 133ВЯ-1602568 | Толкатель поршня главного цилиндра в сборе | |
| 8 | 133ВЯ-1602571 | Палец толкателя главного цилиндра управления сцеплением | |
| 9 | 250875-П29 | Гайка | |
| 10 | 258025-П29 | Шплинт | |
| 11 | 201678-П29 | Болт | |
| 12 | 252136-П2 | Шайба пружинная | |
| 13 | 133ВЯ-1602065 | Ось педали сцепления | |
| 14 | 133ВЯ-1602070 | Ограничитель хода педали сцепления | |
| 15 | 200320-П8 | Болт крепления ограничителя хода педали сцепления | |
| 16 | 133ВЯ-1602023 | Шайба упорная ступицы педали сцепления и тормоза | |
| 17 | 130-1602034 | Пружина оттяжная педалей сцепления и тормоза | |
| 18 | 252006-П29 | Шайба | |
| 19 | 133ВЯ-1602010 | Педаль сцепления в сборе | |
| 20 | 300388-П29 | Угольник ввертной | |
| 21 | 130-3810084 | Наконечник шланга в сборе | |
| 22 | 133ВЯ-1602603 | Штуцер соединительный привода управления сцеплением | |
| 23 | 133ВЯ-1602601 | Скоба шланга привода управления сцеплением | |
| 24 | 133ВЯ-1602590 | Шланг привода управления сцеплением в сборе | |
| 25 | 250636-П | Гайка | |
| 26 | 133ВЯ-1602588 | Трубка от главного цилиндра управления сцеплением | |
| 27 | 288000-П8 | Хомут | |
| 28 | 138-4408251 | Шланг подвода воздуха к пневмогидравлическому усилителю | |
| 29 | 133ВЯ-1609628 | Оболочка шланга | |
| 30 | 133ВЯ-1602592 | Трубка привода управления сцеплением в сборе | |
| 31 | 133ВЯ-1609621 | Переходной штуцер | |
| 32 | 133ВЯ-1602157 | Скоба оттяжной пружины рычага пилки выключения сцепления | |
| 33 | 252137-П2 | Шайба пружинная | |
| 34 | 200395-П29 | Болт | |
| 35 | 133ВЯ-1602160 | Пружина оттяжная рычага вилки выключения сцепления | |
| 36 | 15.1772080 | Упор клапана включения делителя передач в сборе | |
| 37 | 1/61036/11 | Гайка | |
| 38 | 133ВЯ-1609510 | Усилитель пневмогидравлический привода сцепления | |
| 39 | 133ВЯ-1602573 | Втулка пальца толкателя главного цилиндра | |
| 40 | 5320-1602543 | Чехол защитный главного цилиндра | |
| 41 | 133ВЯ-1602513 | Главный цилиндр управления сцеплением | |
| 42 | 5320-1602529 | Пробка главного цилиндра | |
| 43 | 5320-1602531 | Прокладка пробки главного цилиндра | |
| 44 | 5320-1602519 | Пружина главного цилиндра | |
| 45 | 5320-1602525 | Держатель пружины главного цилиндра | |
| 46 | 5320-1602517 | Манжета поршня главного цилиндра | |
| 47 | 5320-1602515 | Поршень главного цилиндра |
Содержащиеся в справочниках-каталогах запасные части и детали не предлагаются к продаже, а носят исключительно информационный характер