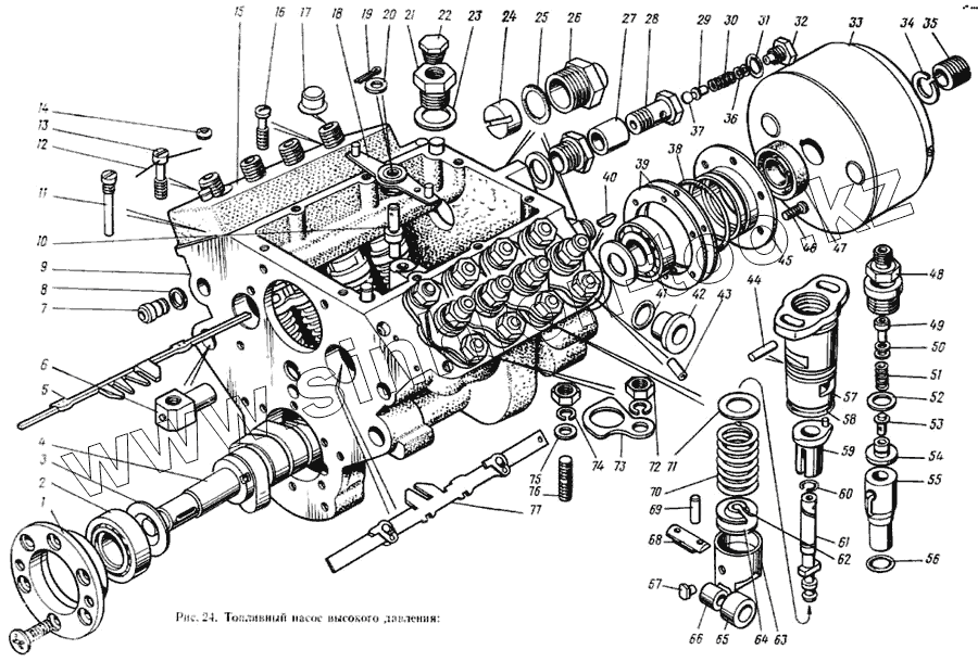
Каталог запасных частей к технике: ЗИЛ-133ГЯ. Насос топливный высокого давления
1
2
3
4
5
6
7
8
9
10
11
12
12
13
14
14
15
16
17
17
18
19
20
21
22
23
24
25
26
27
28
29
30
31
32
33
34
35
36
37
38
39
39
39
40
41
42
43
44
45
46
47
48
49
50
50
51
52
53
54
55
56
57
58
59
60
61
62
63
64
65
66
67
68
69
70
71
72
73
74
75
76
77
| Позиция на иллюстрации | Заводской номер детали | Название детали | |
|---|---|---|---|
| 870007-П29 | 870007-П29 | Болт | |
| 1/60432/21 | 1/60432/21 | Болт | |
| 33.1111170 | 33.1111170 | Вал кулачковый в сборе | |
| 33.1111406 | 33.1111406 | Втулка внутренняя | |
| 33.1111064 | 33.1111064 | Втулка поворотная | |
| 33.1111404 | 33.1111404 | Втулка рычага реек | |
| 740.1029246 | 740.1029246 | Каркас манжеты | |
| 33.1111102 | 33.1111102 | Клапан нагнетательный в сборе | |
| 33.1111282 | 33.1111282 | Клапан перепускной в сборе | |
| 740.1111578 | 740.1111578 | Кольцо уплотнительное | |
| 33.1111052 | 33.1111052 | Корпус секции | |
| 33.1111051 | 33.1111051 | Корпус секции со штифтом | |
| 33.1111550 | 33.1111550 | Крышка подшипника задняя в сборе | |
| 33.1111180 | 33.1111180 | Крышка подшипника передняя в сборе | |
| 740.1029244 | 740.1029244 | Манжета | |
| 33.1111067 | 33.1111067 | Ось поводка | |
| 33.1111057 | 33.1111057 | Ось фиксатора | |
| 33.1111408 | 33.1111408 | Палец рычага реек | |
| 33.1111074 | 33.1111074 | Пара плунжерная в сборе | |
| 33.1111301 | 33.1111301 | Пробка клапана | |
| 740.1029242 | 740.1029242 | Пружина манжеты | |
| 33.1111039 | 33.1111039 | Рейка левая | |
| 33.1111040 | 33.1111040 | Рейка правая | |
| 33.1111402 | 33.1111402 | Рычаг реек | |
| 33.1111050 | 33.1111050 | Секция в сборе | |
| 33.1111136 | 33.1111136 | Толкатель плунжера в сборе | |
| 740.1111570 | 740.1111570 | Трубка отвода масла | |
| 740.1111568 | 740.1111568 | Трубка подвода масла в сборе | |
| 33.1111044 | 33.1111044 | Фиксатор | |
| 33.1111055 | 33.1111055 | Фланец | |
| 740.1111572 | 740.1111572 | Фланец трубки отвода масла | |
| 1/05166/73 | 1/05166/73 | Шайба пружинная | |
| 1/03324/16 | 1/03324/16 | Штифт | |
| 1 | 33.1111552 | Крышка подшипника | |
| 2 | 6-7204А | Подшипник | |
| 3 | 870643-П15 | Шайба | |
| 4 | 33.1111172 | Вал кулачковый | |
| 5 | 33.1111031 | Рейка правая в сборе | |
| 6 | 33.1111028 | Палец крепления насоса | |
| 7 | 33.1111047 | Пробка корпуса | |
| 8 | 33.1111058 | Кольцо уплотнительное | |
| 9 | 33.1111022 | Корпус | |
| 10 | 33.1111410 | Ось рычага реек | |
| 11 | 33.1111418 | Винт стопорный | |
| 12 | 870701-П29 | Шплинт-проволока | |
| 12 | 870700-П29 | Шплинт-проволока | |
| 13 | 33.1111126 | Винт крепления кожуха | |
| 14 | 33.1110117 | Пломба | |
| 14 | 33.1111117 | Пломба | |
| 15 | 33.1111098 | Кожух защитный | |
| 16 | 870355-П29 | Винт крепления кожуха | |
| 17 | 870831-П | Заглушка | |
| 17 | 870941-П | Заглушка | |
| 18 | 33.1111400 | Рычаг реек в сборе | |
| 19 | 1/07342/01 | Шплинт разводной | |
| 20 | 870615-П2 | Шайба | |
| 21 | 33.1111032 | Ввертыш корпуса насоса | |
| 22 | 870885-П29 | Пробка | |
| 23 | 1/02574/60 | Прокладка | |
| 24 | 33.1111042 | Втулка рейки | |
| 25 | 33.1112342 | Кольцо уплотнительное | |
| 26 | 870890-П29 | Пробка рейки | |
| 27 | 33.1111306 | Заглушка клапана (транспортная) | |
| 28 | 33.1111285 | Корпус клапана | |
| 29 | 33.1111290 | Направляющая клапана | |
| 30 | 33.1111289 | Пружина клапана | |
| 31 | 1/02844/60 | Прокладка 10х16х1,5 | |
| 32 | 33.1111300 | Пробка клапана в сборе | |
| 33 | 33.1121010 | Муфта опережения впрыска топлива в сборе | |
| 34 | 870869-П29 | Шайба пружинная | |
| 35 | 870501-П29 | Гайка кольцевая | |
| 36 | 870617-П | Шайба регулировочная | |
| 37 | 33.1111325 | Шарик | |
| 38 | 33.1111196 | Кольцо уплотнительное | |
| 39 | 33.1111192 | Прокладка регулировочная | |
| 39 | 33.1111194 | Прокладка регулировочная | |
| 39 | 33.1111193 | Прокладка регулировочная | |
| 40 | 870806-П2 | Шпонка сегментная | |
| 41 | 33.1111054 | Кольцо уплотнительное | |
| 42 | 33.1111049 | Пробка топливного канала | |
| 43 | 33.1111079 | Жиклер | |
| 44 | 870750-П2 | Штифт установочный | |
| 45 | 33.1111182 | Крышка подшипника | |
| 46 | 870354-П29 | Винт крепления крышки | |
| 47 | 740.1029240 | Манжета с пружиной в сборе | |
| 48 | 33.1111118 | Штуцер | |
| 49 | 33.1111113 | Упор пружины | |
| 50 | 870618-П | Шайба регулировочная | |
| 50 | 870624-П | Шайба | |
| 51 | 33.1111108 | Пружина нагнетательного клапана | |
| 52 | 236-1111086 | Прокладка клапана | |
| 53 | 33.1111106 | Клапан нагнетательный | |
| 54 | 33.1111104 | Корпус нагнетательного клапана | |
| 55 | 33.1111078 | Втулка плунжера | |
| 56 | 33.1111083 | Кольцо уплотнительное | |
| 57 | 33.1111053 | Корпус секции с фланцем в сборе | |
| 58 | 33.1111069 | Кольцо уплотнительное | |
| 59 | 33.1111060 | Втулка поворотная с осью в сборе | |
| 60 | 33.1111070 | Кольцо стопорное | |
| 61 | 33.1111076 | Плунжер | |
| 62 | 33.1111151 | Тарелка пружины толкателя | |
| 63 | 33.1111138 | Толкатель плунжера | |
| 64 | 33.1111575 | Пята толкателя | |
| 65 | 33.1111140 | Ролик толкателя | |
| 66 | 33.1111144 | Втулка ролика | |
| 67 | 236-1106246 | Сухарь | |
| 68 | 33.1111142 | Ось ролика | |
| 69 | 870751-П | Штифт оси толкателя | |
| 70 | 33.1111148 | Пружина толкателя | |
| 71 | 870622-П | Шайба | |
| 72 | 1/21647/21 | Гайка | |
| 73 | 33.1111096 | Шайба стопорная штуцера | |
| 74 | 1/05168/73 | Шайба пружинная | |
| 75 | 1/26386/71 | Шайба | |
| 76 | 1/35461/31 | Шпилька | |
| 77 | 33.1111027 | Рейка левая в сборе |
Содержащиеся в справочниках-каталогах запасные части и детали не предлагаются к продаже, а носят исключительно информационный характер