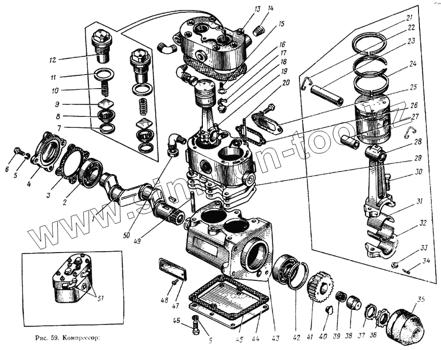
Каталог запасных частей к технике: ЗИЛ-133ГЯ. Компрессор
1
2
3
4
5
5
6
7
8
9
10
11
12
13
14
15
16
17
18
19
20
21
22
23
24
25
26
27
28
29
30
31
32
33
33
33
33
34
35
36
37
38
39
40
41
42
43
44
45
46
49
50
51
| Позиция на иллюстрации | Заводской номер детали | Название детали | |
|---|---|---|---|
| 1/604361/21 | 1/604361/21 | Болт крепления патрубка | |
| 853803-П | 853803-П | Шпонка сегментная | |
| 1/35409/21 | 1/35409/21 | Шпилька крепления фланца | |
| 5320-3509180 | 5320-3509180 | Шатун в сборе | |
| 1/05168/77 | 1/05168/77 | Шайба пружинная | |
| 1/05166/73 | 1/05166/73 | Шайба пружинная | |
| 1/05164/73 | 1/05164/73 | Шайба пружинная | |
| 1/05196/01 | 1/05196/01 | Шайба плоская | |
| 740.3509294 | 740.3509294 | Фланец трубки подвода воды к компрессору | |
| 740.3509283 | 740.3509283 | Трубка подвода воды к компрессору в сборе | |
| 740.3509412 | 740.3509412 | Прокладка патрубка подвода воздуха к компрессору с сеткой в сборе | |
| 5320-3509043 | 5320-3509043 | Прокладка головки компрессора | |
| 5320-3509160 | 5320-3509160 | Поршень | |
| 740.3509276 | 740.3509276 | Муфта соединительная | |
| 33.1110394 | 33.1110394 | Кольцо уплотнительное | |
| 1/34013/76 | 1/34013/76 | Кольцо стопорное | |
| 5320-3509018 | 5320-3509018 | Картер компрессора со шпильками в сборе | |
| 5320-3509040 | 5320-3509040 | Головка | |
| 5320-3509150 | 5320-3509150 | Поршень с шатуном в сборе | |
| 5320-3509030 | 5320-3509030 | Блок цилиндров | |
| 1 | 5320-3509110 | Вал коленчатый компрессора | |
| 2 | 853941-П | Подшипник шариковый радиальный | |
| 3 | 5320-3509063 | Прокладка задней крышки | |
| 4 | 5320-3509090 | Крышка картера задняя | |
| 5 | 1/05166/77 | Шайба пружинная | |
| 5 | 1/05166/77 | Шайба пружинная | |
| 6 | 1/60436/21 | Болт | |
| 7 | 5320-3509055 | Прокладка седла нагнетательного клапана | |
| 8 | 5320-3509051 | Седло нагнетательного клапана | |
| 9 | 5320-3509050 | Клапан нагнетательный | |
| 10 | 5320-3509048 | Пружина нагнетательного клапана | |
| 11 | 5320-3509045 | Прокладка пробки нагнетательного клапана | |
| 12 | 5320-3509044 | Пробка нагнетательного клапана | |
| 13 | 5320-3509039 | Головка компрессора в сборе | |
| 14 | 262518-П29 | Пробка КГ 3/8" | |
| 15 | 5320-3509328 | Пружина впускного клапана | |
| 16 | 5320-3509056 | Клапан впускной | |
| 17 | 5320-3509363 | Направляющая впускного клапана | |
| 18 | 5320-3509069 | Седло впускного клапана | |
| 19 | 5320-3509028 | Блок цилиндров компрессора в сборе | |
| 20 | 1/35177/21 | Шпилька | |
| 21 | 5320-3509164 | Кольцо компрессионное | |
| 22 | 5320-3509172 | Кольцо стопорное пальца | |
| 23 | 5320-3509170 | Палец поршневой | |
| 24 | 5320-3509166 | Кольцо маслосъемное | |
| 25 | 5320-3509249 | Заглушка транспортная компрессора | |
| 26 | 5320-3509240 | Прокладка патрубка | |
| 27 | 5320-3509194 | Втулка | |
| 28 | 5320-3509190 | Шатун | |
| 29 | 5320-3509029 | Пластина отражательная компрессора | |
| 30 | 5320-3509200 | Болт шатунный | |
| 31 | 5320-3509092 | Вкладыш шатуна | |
| 32 | 5320-3509196 | Крышка шатуна | |
| 33 | 853529-П | Гайка | |
| 33 | 1/61008/11 | Гайка | |
| 33 | 853530-П29 | Гайка | |
| 33 | 1/58962/21 | Гайка | |
| 34 | 1/07342/01 | Шплинт разводной | |
| 35 | 5320-3509137 | Заглушка транспортная шестерни компрессора | |
| 36 | 853506-П | Гайка упорная | |
| 37 | 863615-П | Шайба замочная | |
| 38 | 5320-3509094 | Уплотнитель | |
| 39 | 5320-3509093 | Пружина уплотнителя | |
| 40 | 5320-3509025 | Пробка | |
| 41 | 5320-3509130 | Шестерня привода | |
| 42 | 5320-3509116 | Кольцо стопорное подшипника | |
| 43 | 5320-3509020 | Картер компрессора | |
| 44 | 5320-3509100 | Крышка картера | |
| 45 | 5320-3509103 | Прокладка нижней крышки картера | |
| 46 | 1/60432/21 | Болт | |
| 49 | 1/34495/21 | Шпилька | |
| 50 | 5320-3509031 | Колпачок | |
| 51 | 740.3509275 | Патрубок подвода воздуха к компрессору |
Содержащиеся в справочниках-каталогах запасные части и детали не предлагаются к продаже, а носят исключительно информационный характер