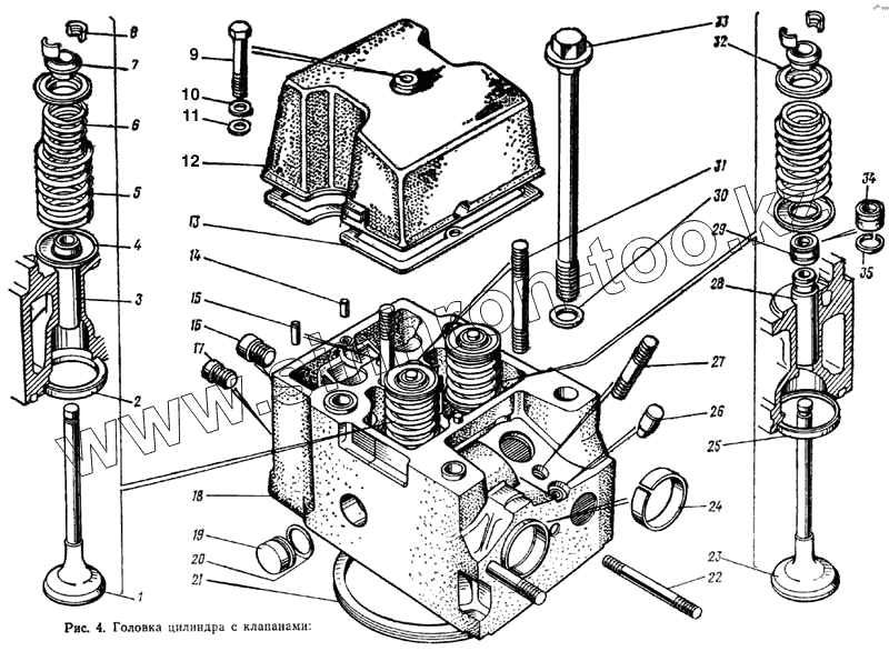
Каталог запасных частей к технике: ЗИЛ-133ГЯ. Головка цилиндра с клапанами
1
2
3
4
5
6
7
8
9
10
11
12
13
14
15
16
17
18
19
20
21
22
23
24
25
26
27
28
29
30
31
32
33
34
35
| Позиция на иллюстрации | Заводской номер детали | Название детали | |
|---|---|---|---|
| 740.1003434 | 740.1003434 | Заглушка головки цилиндра в сборе | |
| 1/21647/21 | 1/21647/21 | Гайка | |
| 740.1007134 | 740.1007134 | Шайба стопорная крепления стопки коромысел | |
| 740.1007096 | 740.1007096 | Фиксатор коромысел | |
| 740.1007091 | 740.1007091 | Стойка коромысел в сборе | |
| 740.1007264 | 740.1007264 | Пружина манжеты | |
| 740.1004010-10 | 740.1004010-10 | Поршень с шатунами и кольцами в сборе | |
| 870836-П29С | 870836-П29С | Заглушка стойки коромысел | |
| 740.1007092 | 740.1007092 | Стойка коромысел | |
| 1 | 740.1007015 | Клапан выпускной | |
| 2 | 740.1003110 | Седло выпускного клапана | |
| 3 | 740.1007033 | Втулка направляющая выпускного клапана | |
| 4 | 740.1007025 | Шайба пружин клапана | |
| 5 | 740.1007020 | Пружина клапана наружная | |
| 6 | 740.1007021 | Пружина клапана внутренняя | |
| 7 | 740.1007026 | Втулка тарелки пружин клапана | |
| 8 | 740.1007028 | Сухарь клапана | |
| 9 | 1/60443/31 | Болт крепления крышки | |
| 10 | 1/05196/01 | Шайба плоская | |
| 11 | 870629-П | Шайба | |
| 12 | 740.1003264 | Крышка головки цилиндра | |
| 13 | 740.1003270 | Прокладка крышки головки цилиндра | |
| 14 | 1/04895/23 | Штифт цилиндрический установочный | |
| 15 | 870770-П2 | Штифт стойки оси коромысел | |
| 16 | 740.1003448 | Ввертыш крепления впускного коллектора | |
| 17 | 740.1003348 | Ввертыш крепления водяной трубы | |
| 18 | 740.1003015 | Головка цилиндра | |
| 19 | 740.1003436 | Заглушка головки цилиндра | |
| 20 | 740.1003439 | Кольцо уплотнительное заглушки | |
| 21 | 740.1003466 | Кольцо уплотнительное газового стыка | |
| 22 | 870303-П | Шпилька крепления патрубка выпускного коллектора | |
| 23 | 740.1007010 | Клапан впускной | |
| 24 | 740.1008060 | Втулка предохранительная прокладки | |
| 25 | 740.1003108 | Седло впускного клапана | |
| 26 | 740.1112169 | Опора скобы | |
| 27 | 1/35468/31 | Шпилька крепления скобы | |
| 28 | 740.1007032 | Втулка направляющая впускного клапана | |
| 29 | 740.1007262 | Манжета уплотнительная впускного клапана в сборе | |
| 30 | 870648-П29 | Шайба | |
| 31 | 1/35473/31 | Шпилька крепления стойки коромысел | |
| 32 | 740.1007024-01 | Тарелка пружин клапана | |
| 33 | 740.1003016-01 | Болт крепления головки цилиндра | |
| 34 | 740.1007268 | Манжета уплотнительная впускного клапана | |
| 35 | 740.1007266 | Кольцо манжеты |
Содержащиеся в справочниках-каталогах запасные части и детали не предлагаются к продаже, а носят исключительно информационный характер