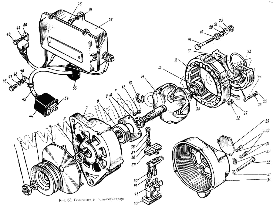
Каталог запасных частей к технике: ЗИЛ-133ГЯ. Генератор и реле-регулятор
1
2
3
4
5
6
7
8
9
10
11
12
13
14
15
16
17
18
19
20
21
22
23
24
25
26
27
27
28
29
30
30
31
31
32
33
34
35
36
37
38
39
40
41
42
43
44
45
46
46
46
47
47
48
49
50
51
52
53
54
| Позиция на иллюстрации | Заводской номер детали | Название детали | |
|---|---|---|---|
| 251261-П8 | 251261-П8 | Гайка | |
| Г287-3701211 | Г287-3701211 | Вал ротора | |
| Г272-3701010-01 | Г272-3701010-01 | Щеткодержатель в сборе | |
| Г287-3701212 | Г287-3701212 | Наконечник полюсный со стороны привода | |
| Г287-3701213 | Г287-3701213 | Ротор (левая половина) | |
| Г287-3701400 | Г287-3701400 | Крышка со стороны привода с подшипником в сборе | |
| Г287-3701218 | Г287-3701218 | Кольцо защитное | |
| 4 573 739 001 | 4 573 739 001 | Колодка одноконтактная для наружных штекеров | |
| Г287-3701220 | Г287-3701220 | Катушка возбуждения в сборе | |
| Г250-3701205 | Г250-3701205 | Кольцо контактное в сборе | |
| 1 | МХ-0235-01 | Гайка | |
| 2 | Г287-3701074 | Шайба коническая | |
| 3 | Г288-3701051 | Шкив | |
| 4 | Г287-3701055 | Вентилятор в споре | |
| 5 | Г287-3701054 | Втулка | |
| 6 | Х-4148 | Шпонка сегментная | |
| 7 | Г287-3701401 | Крышка со стороны привода с втулками в сборе | |
| 8 | 1180304-КС9 | Шарикоподшипник | |
| 9 | Г287-3701405 | Шайба специальная | |
| 10 | Г287-3701053 | Втулка упорная | |
| 11 | Х-4001-01 | Шайба пружинная | |
| 12 | НО-0603-10 | Винт крепления шайбы | |
| 13 | Г210-3701202 | Кольцо разрезное | |
| 14 | Г287-3701200 | Ротор в сборе | |
| 15 | 180603КС9 | Подшипник | |
| 16 | Г287-3701100А | Статор в сборе | |
| 17 | БПВ-7-100-02 | Блок выпрямительный | |
| 18 | НО-0801-10 | Болт контактный | |
| 19 | Г287-3701319 | Втулка | |
| 20 | 1-МЮ-37 | Шайба | |
| 21 | МХ-0246-01 | Шайба пружинная | |
| 22 | 8Х-1537М | Гайка | |
| 23 | Г287-3701305А | Кольцо | |
| 24 | МХ-0139 | Винт крепления выпрямительного блока | |
| 25 | 8Х-1497А | Шайба | |
| 26 | Х-4001-01 | Шайба пружинная | |
| 27 | Х-1482-01 | Шайба пружинная | |
| 28 | 8Х-1533М | Гайка | |
| 29 | Г287-3701060 | Крышка подшипника | |
| 30 | Х-4237-01 | Винт | |
| 30 | Х-4237-01 | Винт | |
| 31 | Х-4001-01 | Шайба пружинная | |
| 31 | Х-4001-01 | Шайба пружинная | |
| 32 | Г250А1-3701053 | Скоба | |
| 33 | НО-0102 | Винт крышки стяжной | |
| 34 | Г287-3701301 | Крышка со стороны контактных колец с втулками и выпрямительным блоком в сборе | |
| 35 | 131-3701005 | Чашка | |
| 36 | Г250Е-3701016 | Болт специальный | |
| 37 | М11-4108-11 | Шайба пружинная | |
| 38 | 8Х-1497А | Шайба | |
| 39 | Г272-3701012А | Крышка щеткодержателя | |
| 40 | Г272-3701030-01 | Щетка в сборе | |
| 41 | Г272-3701020-01 | Щетка в сборе | |
| 42 | Г272-3701011 | Щеткодержатель | |
| 43 | Г287-3701307 | Прокладка уплотнительная | |
| 44 | 5320-3724052 | Чехол защитный | |
| 45 | 133ВЯ-3724010 | Пучок проводов средний | |
| 46 | 201418-П8 | Болт | |
| 46 | 201418-П8 | Болт | |
| 46 | 201418-П8 | Болт | |
| 47 | 252134-П2 | Шайба пружинная | |
| 47 | 252134-П2 | Шайба пружинная | |
| 48 | 252004-П8 | Шайба плоская | |
| 49 | 308705-П8 | Скоба крепления пучка проводов | |
| 50 | 130-3721225 | Реле универсальное 111.3747 | |
| 51 | 252234-П2 | Шайба | |
| 52 | 131-3702010-Б | Регулятор напряжения типа РР132 в сборе | |
| 53 | 130-3724058 | Втулка проходная среднего пучка проводов | |
| 54 | 4 573 739 009 | Колодка шестиконтактная для наружных штекеров |
Содержащиеся в справочниках-каталогах запасные части и детали не предлагаются к продаже, а носят исключительно информационный характер