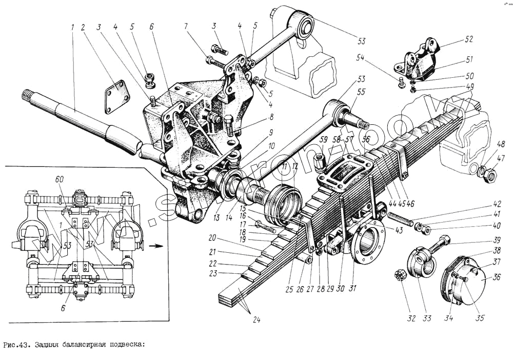
Каталог запасных частей к технике: ЗИЛ-131. Задняя балансирная подвеска
1
1
2
3
3
4
4
4
5
5
5
6
6
7
8
9
10
11
12
13
14
15
16
17
18
19
20
21
22
23
24
25
26
27
28
29
30
31
32
33
34
35
36
37
38
39
40
41
42
43
44
45
46
47
48
49
50
51
52
53
53
53
53
54
55
56
57
58
59
60
| Позиция на иллюстрации | Заводской номер детали | Название детали | |
|---|---|---|---|
| 131-2900102 | 131-2900102 | Подвеска балансирная в сборе (комплект для запасных частей). В комплект входят детали и сборочные единицы:131-2918053, 307283-П, 131-2918180-Б, 131-2918255-Б, 131-2918070, 302820-П2, 131-2918169-А, 25 | |
| 131-2918070-РЦ | 131-2918070-РЦ | Башмак рессоры задней балансирной подвески с заготовками ремонтных втулок в сборе | |
| 131-2919013 | 131-2919013 | Штанга реактивная задней подвески с опорными чашками в сборе | |
| 131-2919057-А | 131-2919057-А | Чехол защитный шарнира реактивной штанги задней подвески | |
| 131-2912007-01 | 131-2912007-01 | Рессора задняя со стяжными хомутами в сборе | |
| 131-2919159 | 131-2919159 | Чашка опорная реактивной штанги задней подвески | |
| 1 | 131-2918053 | Ось задней балансирной подвески с гайками в сборе | |
| 2 | 131-2918239 | Прокладка кронштейна задней подвески регулировочная (количество деталей - по потребности) | |
| 3 | 301377-П8 | Болт крепления кронштейна к раме | |
| 4 | 252138-П2 | Шайба пружинная | |
| 5 | 250559-П8 | Гайка | |
| 6 | 131-2918154-А | Кронштейн крепления задней подвески правый | |
| 7 | 301539-П8 | Болт | |
| 8 | 301388-П8 | Болт | |
| 9 | 252141-П2 | Шайба пружинная | |
| 10 | 303274-П8 | Гайка | |
| 11 | 131-2918184-Б | Чашка уплотнителъного кольца | |
| 12 | 307283-П | Манжета | |
| 13 | 131-2918180-Б | Кольцо башмака рессоры уплотнителъное в сборе | |
| 14 | 131-2918255-Б | Кольцо башмака рессоры упорное | |
| 15 | 131-2912111-01 | Лист рессоры | |
| 16 | 200377-П8 | Болт хомутов стяжной | |
| 17 | 131-2912110-01 | Лист рессоры | |
| 18 | 131-2912109-01 | Лист рессоры | |
| 19 | 131-2912108-01 | Лист рессоры | |
| 20 | 131-2912107-01 | Лист рессоры | |
| 21 | 131-2912106-01 | Лист рессоры | |
| 22 | 131-2912105-01 | Лист рессоры | |
| 23 | 131-2912104-01 | Лист рессоры | |
| 24 | 131-2912101-01 | Лист рессоры | |
| 25 | 256839-П | Заклепка | |
| 26 | 120-2902068 | Втулка хомутов распорная | |
| 27 | 131-2912064 | Хомут | |
| 28 | 250510-П | Гайка | |
| 29 | 131-2912119 | Лист рессоры промежуточный | |
| 30 | 131-2912408 | Стремянка задней рессоры | |
| 31 | 131-2918070 | Башмак рессоры задней балансирной подвески в сборе | |
| 32 | 302820-П2 | Гайка | |
| 33 | 131-2918169-А | Гайка крепления башмака | |
| 34 | 252155-П2 | Шайба пружинная | |
| 35 | 201456-П8 | Болт | |
| 36 | 131-2918120 | Крышка башмака рессоры | |
| 37 | 483015-П29 | Пробка КГ 1/2" | |
| 38 | 157-2918122 | Прокладка крышки башмака | |
| 39 | 200395-П | Болт гайки стяжной | |
| 40 | 303274-П8 | Гайка | |
| 41 | 252141-П2 | Шайба пружинная | |
| 42 | 414298-П8 | Шпилька башмака рессоры стяжная | |
| 43 | 131-2918161 | Накладка башмака рессоры | |
| 44 | 131-2912114-01 | Лист рессоры | |
| 45 | 131-2912113-01 | Лист рессоры | |
| 46 | 131-2912112-01 | Лист рессоры | |
| 47 | 413034-П8 | Гайка | |
| 48 | 252165-П2 | Шайба пружинная | |
| 49 | 201495-П8 | Болт | |
| 50 | 252156-П2 | Шайба пружинная | |
| 51 | 131-2912624-Б | Буфер задней рессоры в сборе | |
| 52 | 131-2912604 | Кронштейн буфера | |
| 53 | 131-2919010-А | Штанга реактивная задней подвески с шарнирами в сборе | |
| 54 | 256875-П | Заклепка | |
| 55 | 131-2919024-Б | Шарнир реактивной штанги в сборе | |
| 56 | 131-2912115-01 | Лист рессоры | |
| 57 | 131-2912415-02 | Накладка стремянок | |
| 58 | 252162-П2 | Шайба пружинная | |
| 59 | 303040-П8 | Гайка стремянки | |
| 60 | 131-2918155-А | Кронштейн крепления задней подвески левый |
Содержащиеся в справочниках-каталогах запасные части и детали не предлагаются к продаже, а носят исключительно информационный характер