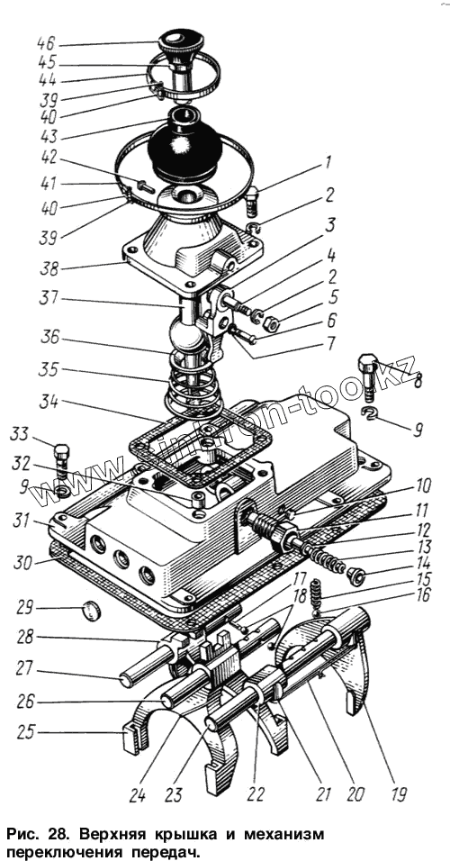
Каталог запасных частей к технике: ЗИЛ-131. Верхняя крышка и механизм переключения передач
1
2
2
3
4
5
6
7
8
9
9
10
11
12
13
14
15
16
17
18
19
20
21
22
23
24
25
26
26
27
27
28
29
30
31
32
33
34
35
36
37
38
39
39
40
40
41
42
43
44
45
46
| Позиция на иллюстрации | Заводской номер детали | Название детали | |
|---|---|---|---|
| 130-1702162 | 130-1702162 | Комплект промежуточного рычага переключения первой передачи и заднего хода. Комплект состоит из деталей: 130-1702165-Б, 130-1702173, 130-1702175 | |
| 130-1702010-Б | 130-1702010-Б | Крышка коробки передач в сборе | |
| 137-1702010 | 137-1702010 | Крышка коробки передач в сборе | |
| 130-1702059-А | 130-1702059-А | Предохранитель выключения первой передачи и заднего хода в сборе | |
| 130-1702220-Б2 | 130-1702220-Б2 | Рычаг переключения передач в сборе | |
| 131-1702220-Б2 | 131-1702220-Б2 | Рычаг переключения передач в сборе | |
| 307913-П | 307913-П | Сапун в сборе | |
| 1 | 201501-П8 | Болт | |
| 2 | 252136-П2 | Шайба пружинная | |
| 2 | 252136-П2 | Шайба пружинная | |
| 3 | 130-1702165-Б | Рычаг промежуточный переключения первой передачи и заднего хода | |
| 4 | 130-1702169 | Ось промежуточного рычага первой передачи и заднего хода | |
| 5 | 250512-П8 | Гайка | |
| 6 | 130-1702173 | Сухарь промежуточного рычага | |
| 7 | 130-1702175 | Кольцо замочное сухаря | |
| 8 | 130-1702171-А | Болт крышки установочный | |
| 8 | 130-1702171 | Болт крышки установочный | |
| 9 | 252136-П2 | Шайба пружинная | |
| 10 | 260303-П | Заглушка | |
| 11 | 130-1702057-Б | Корпус предохранителя | |
| 12 | 130-1702056-Б | Сухарь предохранителя | |
| 13 | 130-1702058-Б | Пружина предохранителя | |
| 14 | 130-1702061-Б | Пробка корпуса предохранителя | |
| 15 | 120-1702106 | Пружина фиксатора стержня переключения передач | |
| 16 | 306203-П | Шарик | |
| 17 | 305453-П | Штифт | |
| 18 | 306205-П | Шарик | |
| 19 | 130-1702024 | Вилка включения первой передачи и заднего хода | |
| 20 | 258260-П | Шплинт-проволока | |
| 21 | 120-1702040 | Болт стопорный вилок и головок коробки передач | |
| 22 | 130-1702053 | Головка стержня переключения первой передачи и заднего хода | |
| 23 | 130-1702060 | Стержень переключения первой передачи и заднего хода | |
| 24 | 258254-П | Шплинт-проволока | |
| 25 | 130-1702033-В | Вилка переключения четвертой и пятой передач | |
| 26 | 130-1702074-Б | Стержень переключения четвертой и пятой передач | |
| 26 | 137-1702074 | Стержень переключения четвертой и пятой передач | |
| 27 | 130-1702064-Б | Стержень переключения второй и третьей передач | |
| 27 | 137-1702064 | Стержень переключения второй и третьей передач | |
| 28 | 130-1702027-В | Вилка переключения второй и третьей передач | |
| 29 | 260310-П | Заглушка | |
| 30 | 130-1702014 | Прокладка крышки коробки передач | |
| 31 | 130-1702015-Б | Крышка коробки передач | |
| 31 | 137-1702015 | Крышка коробки передач | |
| 32 | 130-1702225 | Втулка установочная | |
| 33 | 201497-П8 | Болт | |
| 34 | 130-1702223 | Прокладка картера рычага переключения передач | |
| 35 | 130-1702130 | Пружина рычага переключения передач | |
| 36 | 130-1702125 | Опора рычага переключения передач | |
| 37 | 130-1702120-А | Рычаг переключения передач | |
| 38 | 130-1702221-А | Картер рычага переключения передач | |
| 39 | 304501-П8 | Шплинт | |
| 40 | 306739-П8 | Пряжка хомута | |
| 41 | 306740-П8 | Лента хомута | |
| 42 | 130-1702017 | Стопор рычага переключения передач | |
| 43 | 130-1702155-А | Чехол рычага переключения передач | |
| 44 | 308386-П8 | Лента хомута | |
| 45 | 250513-П8 | Гайка | |
| 46 | 130-1702159 | Рукоятка рычага переключения передач в сборе |
Содержащиеся в справочниках-каталогах запасные части и детали не предлагаются к продаже, а носят исключительно информационный характер