Вернуться на главную
Поиск
Каталоги запчастей к технике
Грузовые автомобили и прицепы
ЗИЛ
ЗИЛ-131
Установка гибкого вала спидометра
Каталог запасных частей к технике: ЗИЛ-131. Установка гибкого вала спидометра
zoom-in
zoom-out
enlarge
shrink
circle-right
circle-left
file-text2
info
cart
Тип техники
Не выбрано
Легковые автомобили
Грузовые автомобили и прицепы
Автобусы
Сельхозтехника
Спецтехника
Двигатели
Мототехника
Марка
Не выбрано
BAW
DAF
DongFeng
FAW
Foton
HOWO
Hyundai
IVECO
JAC Motors
LGMG
MAN
Shaanxi
SITRAK
Studebaker
Tata
Volvo
Автокомпонент Плюс
БелАЗ
Брянский Арсенал
ГАЗ
ЗИЛ
КАЗ
Камский автозавод
КрАЗ
Мадара
МАЗ
МЗКТ
МоАЗ
Нефтекамский автозавод
Ставропольский Завод АвтоПрицепов
ТАТРА
Тонар
УралАЗ
ЧМЗАП
Модель
Не выбрано
ЗИЛ-130 (1985)
ЗИЛ-131
ЗИЛ-133Г40 (Каталог 2003 года)
ЗИЛ-133ГЯ
ЗИЛ-133Д42 (Каталог 2003 года)
ЗИЛ-431410 (130)
ЗИЛ-431410 Каталог 1989 г. (1989)
ЗИЛ-431416 (1990)
ЗИЛ-43272Н, 43273Н (2004)
ЗИЛ-433100
ЗИЛ-433100 (Каталог 2003 года)
ЗИЛ-433110 (2003)
ЗИЛ-433360 (1995)
ЗИЛ-441517 Каталог 1987 г. (1987)
ЗИЛ-442160 (1995)
ЗИЛ-494560 (1995)
ЗИЛ-5301 (2000)
ЗИЛ-5301 (2006) (2006)
Схема
>
Не выбрано
Крепление кабины, вентиляционный люк кабины, заднее стекло, зеркала, прокладка капота
Кабина автомобиля (интерьер)
Ветровое стекло кабины, установка стеклоочистителя и обмыва ветрового стекла, обивка кабины
Дверь кабины, навески и стекла двери
Замок, ручки и стеклоподъемник двери
Сиденье водителя и пассажира
Схема отопления и вентиляции кабины
Оперение
Навеска капота
Запор капота
Платформа
Двигатель и его подвеска
Блок цилиндров двигателя, картер масляный, крышки подшипников вала коленчатого, втулки вала распределительного, картер и крышки сцепления
Головка блока цилиндров, клапаны и толкатели
Поршень, шатун, гильза
Вал коленчатый, вал распределительный, маховик, приводы распределителя, топливного насоса и центробежного датчика ограничителя частоты вращения коленчатого вала
Газопровод впускной, вентиляция картера, установка маслоналивного патрубка и фильтра вентиляции картера, установка карбюратора и патрубка выпускного водяной рубашки двигателя.
Газопровод выпускной
Маслоприемник и насос масляный
Установка радиаторов масляных
Подогреватель двигателя пусковой
Фильтр очистки масла
Схема питания двигателя
Фильтр-отстойник и фильтр тонкой очистки топлива
Насос топливный Б10-1
Карбюратор К88АТ
Управление карбюратором К88АТ
Воздушный фильтр ВПМ-3 и его установка, вентиляция топливного насоса и распределителя
Центробежный датчик ограничителя частоты вращения коленчатого вала двигателя
Установка глушителя, приемных и выпускной труб
Схема охлаждения двигателя
Водяной насос и вентилятор
Сцепление автомобилей ЗИЛ-131Н, ЗИЛ-131НА, ЗИЛ-131НВ
Сцепление седельного тягача ЗИЛ-137Т
Педаль и привод выключения сцепления
Коробка передач
Верхняя крышка и механизм переключения передач
Демультипликатор коробки передач и механизм переключения передач демультипликатора
Подвеска раздаточной коробки, управление и клапан управления раздаточной коробкой автомобилей ЗИЛ-131Н, ЗИЛ-131НА, ЗИЛ-131НВ
Подвеска раздаточной коробки, управление и клапан управления раздаточной коробкой автомобиля ЗИЛ-137Т
Раздаточная коробка
Установка управления раздаточной коробкой
Установка управления механизмом отбора мощности и клапанной коробкой гидропривода
Карданные валы
Картер , полуоси и поворотные кулаки переднего ведущего моста, рулевые тяги
Главная передача переднего моста
Картер заднего и среднего мостов
Главная передача и полуоси заднего и среднего мостов, дифференциал переднего, заднего и среднего мостов
Рама, буксирный прибор
Рама седельных тягачей ЗИЛ-131НВ и ЗИЛ-137Т
Передняя подвеска
Амортизатор
Задняя балансирная подвеска
Установка запасного колеса автомобилей ЗИЛ-131н, ЗИЛ-131НА
Держатель запасных колес седельных тягачей ЗИЛ-131НВ, ЗИЛ-137Т и полуприцепа
Установка рулевого управления, маслопривода и привода насоса гидроусилителя рулевого механизма
Механизм рулевого управления
Колонка и карданный вал рулевого управления
Насос гидроусилителя рулевого механизм
Тормозной барабан, тормоза и ступицы передних и задних колес
Установка и привод тормозного крана
Схема пневматической системы автомобиля
Стояночный тормоз
Привод стояночного тормоза
Компрессор
Установка компрессора и регулятора давления
Регулятор давления
Тормозной кран
Тормозные камеры
Соединительная головка
Схема электрооборудования автомобиля ЗИЛ-131Н и седельного тягача ЗИЛ-131НВ
Схема электрооборудования автомобиля ЗИЛ-131НА
Схема электрооборудования автомобиля ЗИЛ-137Т (изображение отсутствует)
Генератор типа Г287Б и его установка
Генератор типа 3707.3701 и его установка
Установка аккумуляторной батареи
Установка приборов зажигания автомобилей ЗИЛ-131Н, ЗИЛ-131НВ, ЗИЛ-137Т
Установка приборов зажигания автомобиля ЗИЛ-131НА
Распределитель типа 49.3706
Распределитель типа 4607.3706
Стартер типа СТ2А и его установка
Стартер типа СТ130АЗ и его установка
Фара, фонарь передний, фонари сигнальные и указателей поворота, плафон, прожектор, лампы переносная и подкапотная
Фонарь задний, фонарь освещения номерного знака и их установка
Сигнал звуковой
Щиток приборов, ящик вещевой, пепельница
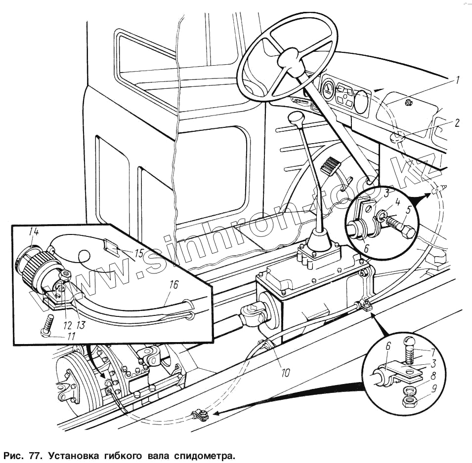
Установка гибкого вала спидометра
Привод спидометра
Седельно-сцепное устройство седельных тягачей ЗИЛ-131НВ и ЗИЛ-137Т
Установка управления односкоростной коробкой отбора мощности
Коробка отбора мощности односкоростная
Реверсивная односкоростная коробка отбора мощности
Кран управления давлением системы накачки шин и его установка
Установка головки подвода воздуха к шинам и крана запора воздуха
Установка лебедки
Редуктор лебедки
Карданный вал привода лебедки
Блок и трос лебедки
Автомобиль ЗИЛ-131Н (ЗИЛ-131НА)
Седельный тягач ЗИЛ-131НВ (ЗИЛ-137Т)
Как пользоваться каталогом
1
2
3
3
4
5
6
6
7
8
9
10
11
12
13
14
15
16
Позиция на иллюстрации
Заводской номер детали
Название детали
1
131-3802040-01
Вал спидометра гибкий типа ГВ128-ЕТ в сборе
2
120-3802036
Втулка гибкого вала спидометра проходная
3
306787-П29
Хомут
4
252154-П2
Шайба пружинная
5
201418-П8
Болт
6
120-3802046
Втулка
7
210034-П8
Болт
8
252134-П2
Шайба пружинная
9
250508-П8
Гайка
10
308707-П52
Скоба крепления шланга
10
308715-П
Скоба крепления шланга
11
220057-П8
Винт
12
252132-П2
Шайба пружинная
13
250462-П8
Гайка
14
131-3802091
Прокладка штуцера привода спидометра уплотнительная
15
309705-П
Пломба
16
130-3802042
Направляющая гибкого вала спидометра
Содержащиеся в справочниках-каталогах запасные части и детали не предлагаются к продаже, а носят исключительно информационный характер
Дополнительная информация
×
Название:
Номер:
Примечание: