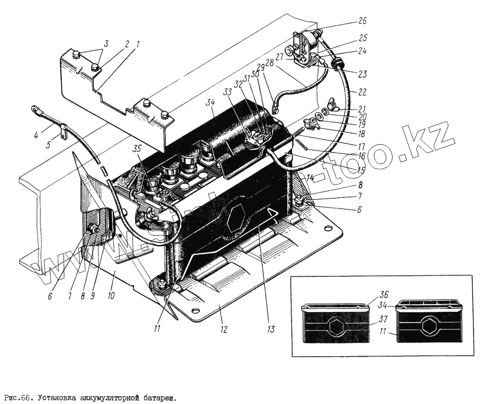
Каталог запасных частей к технике: ЗИЛ-131. Установка аккумуляторной батареи
1
2
3
4
5
6
6
7
7
8
8
9
10
12
13
14
15
16
17
18
19
20
21
22
23
24
25
26
27
28
29
30
31
32
33
34
34
35
36
| Позиция на иллюстрации | Заводской номер детали | Название детали | |
|---|---|---|---|
| 250508-П | 250508-П | Гайка | |
| 120-3711054 | 120-3711054 | Втулка защитная | |
| 1 | 130-3703290 | Щиток аккумуляторной батареи верхний в сборе | |
| 2 | 252134-П2 | Шайба пружинная | |
| 3 | 201418-П8 | Болт | |
| 4 | 131-3724172-А | Провод аккумуляторная батарея-стартер в сборе | |
| 5 | 306797-П8 | Скоба | |
| 6 | 252136-П2 | Шайба пружинная | |
| 7 | 250512-П8 | Гайка | |
| 8 | 201497-П8 | Болт | |
| 9 | 130-6905167-Б | Буфер | |
| 10 | 130-3703170 | Кронштейн крепления гнезда передний в сборе | |
| 12 | 130-3703058-Б | Гнездо аккумуляторной батареи в сборе | |
| 13 | 130-3703339 | Скоба аккумуляторной батареи | |
| 14 | 130-3703183 | Кронштейн крепления гнезда задний | |
| 15 | 130-3703084 | Рамка крепления аккумуляторной батареи | |
| 16 | 258012-П8 | Шплинт | |
| 17 | 130-3703185 | Стяжка крепления аккумуляторной батареи и кожуха | |
| 18 | 130-3703349 | Упор стяжки крепления аккумуляторной батареи | |
| 19 | 252005-П8 | Шайба | |
| 20 | 252135-П2 | Шайба пружинная | |
| 21 | 45 9552 9935 | Гайка-барашек | |
| 22 | 131-3703200 | Провод аккумуляторной батареи к выключателю массы в сборе | |
| 23 | 250510-П8 | Гайка | |
| 24 | 131-3703142 | Кронштейн выключателя массы | |
| 25 | 201456-П8 | Болт | |
| 26 | 131-3703140 | Выключатель массы аккумуляторной батареи типа ВК318-Б | |
| 27 | 201420-П8 | Болт | |
| 28 | 131-3724102 | Провод кабина-рама в сборе | |
| 29 | 201497-П8 | Болт | |
| 30 | 250510-П16 | Гайка | |
| 31 | 252135-П16 | Шайба пружинная | |
| 32 | 209034-П16 | Болт | |
| 33 | 130-3703208 | Наконечник к отрицательной клемме аккумуляторной батареи | |
| 34 | 131-3703021 | Крышка аккумуляторной батареи | |
| 35 | 130-3703212 | Наконечник к положительной клемме аккумуляторной батареи | |
| 36 | 130-3703021 | Крышка аккумуляторной батареи |
Содержащиеся в справочниках-каталогах запасные части и детали не предлагаются к продаже, а носят исключительно информационный характер