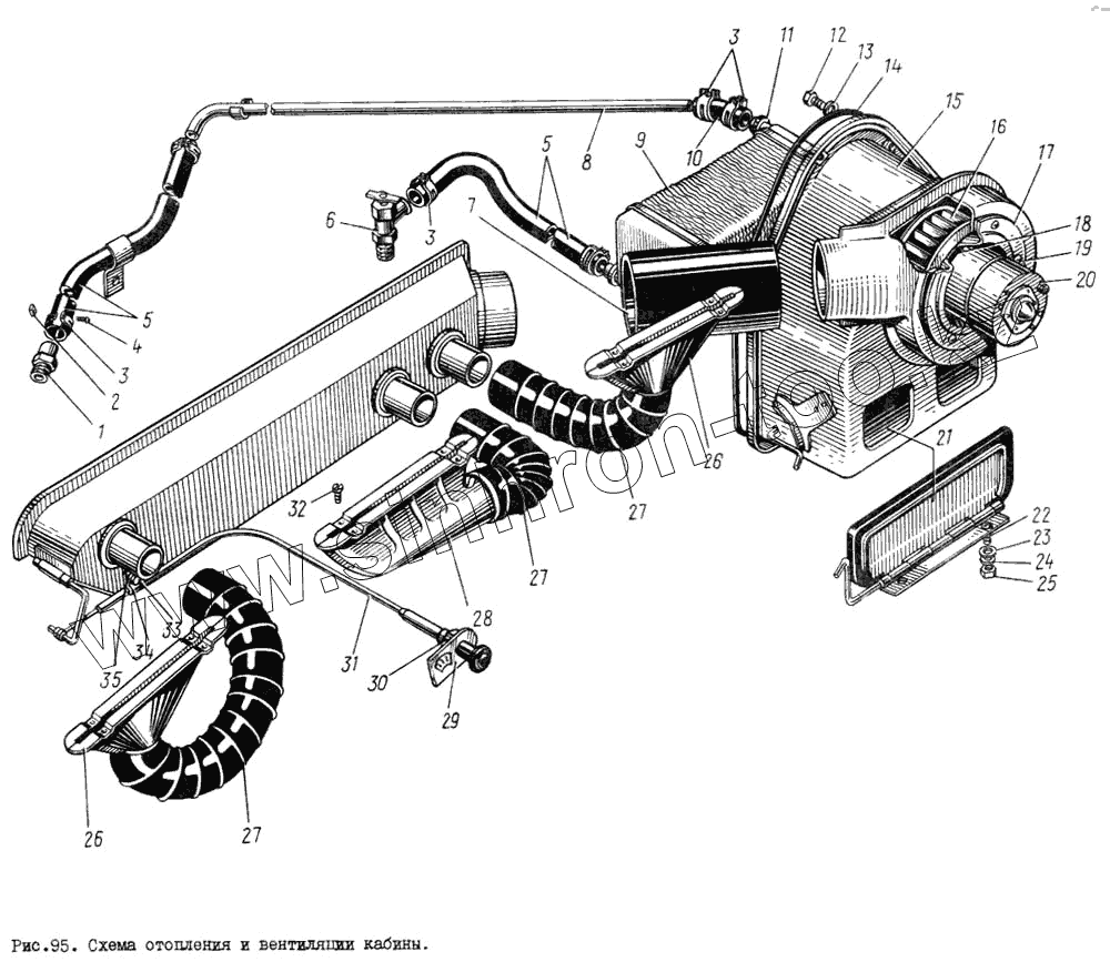
Каталог запасных частей к технике: ЗИЛ-131. Схема отопления и вентиляции кабины
1
2
3
3
3
4
5
5
6
7
8
9
10
11
12
13
14
15
16
17
18
19
20
21
22
23
24
25
26
26
27
27
27
28
29
30
31
32
33
34
35
| Позиция на иллюстрации | Заводской номер детали | Название детали | |
|---|---|---|---|
| 1 | 140-8104076 | Штуцер | |
| 2 | 251084-П8 | Гайка | |
| 3 | 288004-П8 | Хомут крепления шлангов | |
| 4 | 220084-П8 | Винт | |
| 5 | 130-8101314 | Шланг отвода масла | |
| 6 | 130-8101390 | Кран системы отопления в сборе | |
| 7 | 130-8118043 | Шланг вентилятора соединительный | |
| 8 | 130-8101201 | Трубка соединительная | |
| 9 | 130-8101012-А | Радиатор отопителя в сборе | |
| 10 | 164-8101313 | Шланг соединительный | |
| 11 | 164-8101353 | Уплотнитель трубки радиатора | |
| 12 | 201418-П8 | Болт | |
| 13 | 252134-П2 | Шайба пружинная | |
| 14 | 130-8101123 | Уплотнитель кожуха отопителя | |
| 15 | 130Т-8101172-А | Кожух отопителя с вентилятором в сборе | |
| 15 | 130-8101070-Б | Кожух отопителя в сборе | |
| 15 | 131-8101172 | Кожух отопителя с вентилятором в сборе | |
| 16 | 130-8118062 | Рабочее колесо вентилятора в сборе | |
| 17 | 130-8101181 | Фланец крепления электродвигателя | |
| 18 | 130-8118349 | Прокладка электродвигателя отопителя | |
| 19 | 220076-П8 | Винт | |
| 20 | 130Т-8101810-11 | Крыльчатка с электродвигателем в сборе | |
| 21 | 130-8101896 | Заслонка кожуха отопителя в сборе | |
| 22 | 220077-П8 | Винт | |
| 23 | 252003-П8 | Шайба | |
| 24 | 252133-П2 | Шайба пружинная | |
| 25 | 250464-П8 | Гайка | |
| 26 | 130-8102190 | Сопло обдува ветрового стекла в сборе | |
| 27 | 130-8102389-А | Шланг обдува ветрового стекла | |
| 28 | 130-8102430 | Сопло обдува ветрового стекла среднее в сборе | |
| 29 | 130-3903049-А | Табличка кнопок управления указательная | |
| 30 | 250515-П8 | Гайка | |
| 31 | 130-8109121 | Тяга управления заслонкой канала отопления и обдува стекла в сборе | |
| 32 | 224571-П8 | Винт | |
| 33 | 301047-П8 | Болт | |
| 34 | 150В-3802061 | Прижим троса тяги | |
| 35 | 252153-П2 | Шайба пружинная |
Содержащиеся в справочниках-каталогах запасные части и детали не предлагаются к продаже, а носят исключительно информационный характер