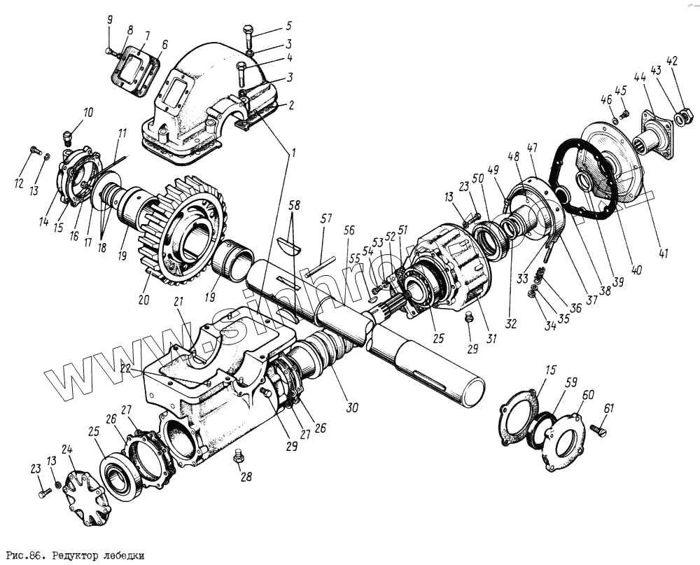
Каталог запасных частей к технике: ЗИЛ-131. Редуктор лебедки
1
2
3
3
4
5
6
7
8
9
10
11
12
13
13
13
14
15
15
16
17
18
18
18
19
19
20
21
22
23
23
24
25
25
26
26
26
26
26
26
27
27
28
29
29
29
30
31
32
33
34
35
36
37
38
39
40
41
42
43
44
45
46
47
48
49
50
51
52
53
54
55
56
57
58
59
60
61
| Позиция на иллюстрации | Заводской номер детали | Название детали | |
|---|---|---|---|
| 131-4501020-А | 131-4501020-А | Картер редуктора лебедки | |
| 131-4501030-Б | 131-4501030-Б | Вал лебедки с червячной шестерней в сборе | |
| 131-4501045-А | 131-4501045-А | Крышка картера редуктора лебедки | |
| 1 | 131-4501018-Б | Картер редуктора лебедки в сборе | |
| 2 | 121-4501046 | Прокладка крышки картера | |
| 3 | 252137-П2 | Шайба пружинная | |
| 4 | 200372-П8 | Болт крепления крышки картера | |
| 5 | 200372-П8 | Болт крепления крышки картера | |
| 6 | 123В-4501051 | Прокладка крышки люка картера | |
| 7 | 123В-4501050 | Крышка люка картера | |
| 8 | 252134-П2 | Шайба пружинная | |
| 9 | 201416-П8 | Болт | |
| 10 | 304814-П | Масленка в сборе | |
| 11 | 258252-П | Шплинт-проволока | |
| 12 | 201500-П8 | Болт | |
| 13 | 252136-П2 | Шайба пружинная | |
| 14 | 131-4501028 | Крышка упорная вала барабана лебедки | |
| 15 | 131-4501033 | Прокладка крышек вала барабана лебедки | |
| 16 | 301201-П8 | Болт | |
| 17 | 131-4501125 | Шайба установочная вала барабана | |
| 18 | 123В-4501122 | Шайба регулировочная вала барабана толщиной 0,1 мм (количество деталей - по потребности) | |
| 18 | 123В-4501123 | Шайба регулировочная вала барабана толщиной 0,3 мм (количество деталей - по потребности) | |
| 18 | 123В-4501124 | Шайба регулировочная вала барабана толщиной 0,5 мм (количество деталей - по потребности) | |
| 19 | 123В-4501022 | Втулка картера редуктора | |
| 20 | 157К-4501035 | Червячное колесо редуктора лебедки в сборе | |
| 21 | 258626-П | Штифт втулки установочный | |
| 22 | 305417-П | Штифт установочный | |
| 23 | 200315-П8 | Болт | |
| 24 | 131-4501084 | Крышка переднего подшипника червяка редуктора лебедки | |
| 25 | 306482-П | Подшипник червяка редуктора лебедки в сборе | |
| 26 | 123В-4501067 | Прокладка крышек подшипников регулировочная толщиной 0,05 мм (количество деталей - по потребности) | |
| 26 | 123В-4501068 | Прокладка крышек подшипников регулировочная толщиной 0,1 мм (количество деталей - по потребности) | |
| 26 | 123В-4501069 | Прокладка крышек подшипников регулировочная толщиной 0,2 мм (количество деталей - по потребности) | |
| 26 | 123В-4501070 | Прокладка крышек подшипников регулировочная толщиной 0,5 мм (количество деталей - по потребности) | |
| 26 | 123В-4501066 | Прокладка крышек подшипников регулировочная толщиной 1 мм (количество деталей - по потребности) | |
| 27 | 123В-4501098 | Прокладка крышки подшипников | |
| 28 | 483015-П29 | Пробка КГ 1/2" | |
| 29 | 262541-П8 | Пробка коническая | |
| 29 | 262541-П8 | Пробка коническая | |
| 30 | 131-4501060-Б | Червяк редуктора лебедки | |
| 31 | 123В-4501176-А | Крышка подшипника червяка редуктора лебедки задняя в сборе | |
| 32 | 121-4501180 | Прокладка барабана тормоза червяка редуктора | |
| 33 | 121-4501170 | Накладка ленты тормоза червяка лебедки | |
| 34 | 250508-П8 | Гайка | |
| 35 | 121-4501173 | Шайба опорная пружины | |
| 36 | 120-3514041 | Пружина | |
| 37 | 255869-П | Заклепка крепления ленты тормоза | |
| 38 | 305603-П | Шайба | |
| 39 | 131-4501297 | Уплотнитель крышки тормоза | |
| 40 | 123В-4501178 | Прокладка крышки тормоза редуктора | |
| 41 | 131-4501176 | Крышка тормоза редуктора с корпусом в сборе | |
| 42 | 157К-4206111 | Гайка крепления фланца | |
| 43 | 252019-П8 | Шайба | |
| 44 | 131-4501031 | Фланец вала червяка редуктора | |
| 45 | 201416-П8 | Болт | |
| 46 | 252134-П2 | Шайба пружинная | |
| 47 | 121-4501160 | Лента тормоза редуктора с наконечником в сборе | |
| 48 | 123В-4501150 | Барабан тормоза червяка редуктора лебедки | |
| 49 | 250512-П8 | Гайка | |
| 50 | 307674-П | Манжета | |
| 51 | 123В-4501187 | Прокладка крышки пружины тормоза лебедки | |
| 52 | 123В-4501185 | Крышка пружины тормоза | |
| 53 | 252134-П2 | Шайба пружинная | |
| 54 | 201420-П8 | Болт | |
| 55 | 304901-П | Шпонка крепления барабана тормоза | |
| 56 | 131-4501034-Б | Вал барабана лебедки | |
| 57 | 305420-П | Штифт крепления червячного колеса | |
| 58 | 304909-П | Шпонка червячного колеса | |
| 59 | 307658-П | Манжета | |
| 60 | 131-4501089 | Крышка подшипника вала барабана | |
| 61 | 302188-П8 | Винт крепления крышки |
Содержащиеся в справочниках-каталогах запасные части и детали не предлагаются к продаже, а носят исключительно информационный характер