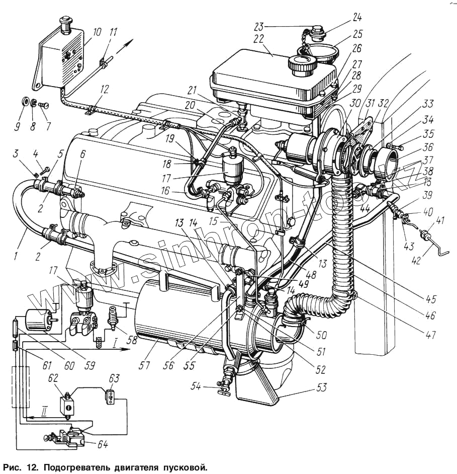
Каталог запасных частей к технике: ЗИЛ-131. Подогреватель двигателя пусковой
1
2
2
3
4
5
6
7
8
9
10
11
12
13
13
13
14
14
15
16
17
17
18
19
20
21
22
23
24
25
26
27
28
29
30
31
32
33
34
35
36
37
38
39
40
41
42
43
44
45
46
47
48
49
50
51
52
53
54
55
56
57
58
59
60
61
62
63
64
| Позиция на иллюстрации | Заводской номер детали | Название детали | |
|---|---|---|---|
| 131-1004475 | 131-1004475 | Комплект пускового подогревателя (в комплект входят все детали подогревателя двигателя пускового) | |
| 251106-П8 | 251106-П8 | Гайка | |
| 308378-П8 | 308378-П8 | Хомут | |
| П100В-1015412-Б | П100В-1015412-Б | Корпус пульта | |
| Переключатель типа П100-4060 в сборе | Переключатель типа П100-4060 в сборе | Переключатель типа П100-4060 в сборе | |
| 1 | 131-1015348-30 | Трубка котла отводящая в сборе | |
| 2 | 157-1015295 | Шланг соединительный отводящий | |
| 3 | 251084-П8 | Гайка | |
| 4 | 220086-П8 | Винт | |
| 5 | 288011-П8 | Хомут | |
| 6 | 130-1015086-Б | Штуцер котла отводящий | |
| 7 | 220105-П8 | Винт | |
| 8 | 252134-П2 | Шайба пружинная | |
| 9 | 252004-П8 | Шайба плоская | |
| 10 | 131-1015007-Б | Пульт управления пусковым подогревателем в сборе | |
| 11 | 308702-П8 | Скоба | |
| 12 | 308361-П52 | Скоба крепления пучка проводов на коробке правого брызговика | |
| 13 | 288007-П8 | Хомут | |
| 14 | 157К-1015293 | Шланг соединительный подводящий | |
| 15 | 131-1015566-Б | Трубка топливная от электромагнитного клапана к котлу | |
| 16 | 157-1015587 | Шланг соединительный | |
| 17 | 131-1015740-В | Клапан пускового подогревателя электромагнитный в сборе | |
| 18 | 288000-П8 | Хомут | |
| 19 | 220082-П8 | Винт | |
| 20 | 131-1015570-Б | Трубка топливного бачка отводящая в сборе | |
| 21 | 130-1104012-Д | Кран топливного бачка в сборе | |
| 22 | 131-1015268-Б2 | Бачок топливный пускового подогревателя в сборе | |
| 23 | 131-1015460 | Пробка воронки с цепью в сборе | |
| 24 | К80-1107343 | Прокладка фильтра подачи топлива | |
| 25 | 131-1015050-А | Воронка наливная в сборе | |
| 26 | 201454-П8 | Болт | |
| 27 | 252135-П2 | Шайба пружинная | |
| 28 | 250510-П8 | Гайка | |
| 29 | 131-1015685-Б | Кронштейн крепления топливного бачка | |
| 30 | 131-1015670 | Вентилятор пускового подогревателя в сборе | |
| 31 | 131-1015679 | Кронштейн крепления вентилятора | |
| 32 | 131-1015675-А | Решетка вентилятора предохранительная | |
| 33 | 131-1015677 | Патрубок вентилятора | |
| 34 | 252132-П2 | Шайба пружинная | |
| 35 | 224571-П8 | Винт | |
| 36 | 131-1015689 | Шланг вентилятора соединительный | |
| 37 | 220084-П8 | Винт | |
| 38 | 251084-П8 | Гайка | |
| 39 | 130-1015370-Б | Кран сливной в сборе | |
| 40 | 258053-П8 | Шплинт | |
| 41 | 130-1305053 | Втулка стержня привода управления краном | |
| 42 | 130-1305046-Б | Ручка управления краном | |
| 43 | 130-1305065-В | Вилка сливного крана | |
| 44 | 130-1015089 | Угольник котла подводящий | |
| 45 | 130-1015434 | Трубка котла подводящая в сборе | |
| 46 | 141-1015683 | Шланг подвода воздуха к котлу | |
| 47 | 131-1015332 | Держатель шланга | |
| 48 | 131-1015297 | Шланг наливной воронки соединительный | |
| 49 | 130-1015499 | Тройник в сборе | |
| 50 | 308368-П2 | Хомут | |
| 51 | 252135-П2 | Шайба пружинная | |
| 52 | 250510-П8 | Гайка | |
| 53 | 131-1015303-Б | Лоток котла | |
| 54 | 130-1015370 | Кран сливной в сборе | |
| 55 | 201454-П8 | Болт | |
| 56 | 131-1015504-Б1 | Кронштейн крепления котла верхний | |
| 57 | 131-1015010-20 | Котел пускового подогревателя в сборе | |
| 58 | Свеча пускового подогревателя типа СР65- | Свеча пускового подогревателя типа СР65-А в сборе | |
| 59 | Электродвигатель вентилятора типа МЭ202 | Электродвигатель вентилятора типа МЭ202 в сборе | |
| 60 | Конденсатор типа КБП-Ф 125-20-1+/-20% в | Конденсатор типа КБП-Ф 125-20-1+/-20% в сборе | |
| 61 | 150Ю-3723100 | Соединитель проводов в сборе | |
| 62 | П16-1015570 | Спираль контрольная в сборе | |
| 63 | Выключатель свечи пускового подогревател | Выключатель свечи пускового подогревателя типа П100-4050 в сборе | |
| 64 | Переключатель электросети типа П305 в сб | Переключатель электросети типа П305 в сборе |
Содержащиеся в справочниках-каталогах запасные части и детали не предлагаются к продаже, а носят исключительно информационный характер