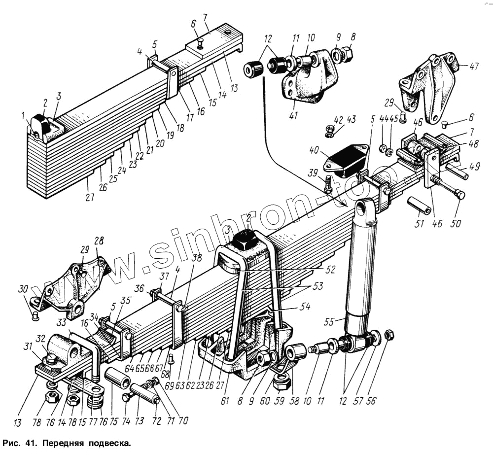
Каталог запасных частей к технике: ЗИЛ-131. Передняя подвеска
1
2
2
3
3
4
4
5
5
5
6
6
7
7
8
8
9
9
10
10
11
11
12
12
13
13
14
14
15
15
16
16
17
18
19
20
21
22
23
23
24
25
26
26
27
27
28
29
29
30
31
32
33
34
35
36
37
38
39
40
41
42
43
44
45
46
46
47
48
49
50
51
52
53
54
55
56
57
58
59
60
61
62
63
64
65
66
67
68
69
70
71
72
73
74
75
76
76
77
78
78
| Позиция на иллюстрации | Заводской номер детали | Название детали | |
|---|---|---|---|
| 131-2902655 | 131-2902655 | Пластина дополнительного буфера | |
| 131-2902011-31 | 131-2902011-31 | Рессора передняя со стяжными хомутами в сборе (без ушка, подкладки и их крепления) (для автомобилей без лебедки) | |
| 131-2902011-21 | 131-2902011-21 | Рессора передняя со стяжными хомутами в сборе (без ушка, подкладки и их крепления) (для автомобилей с лебедкой) | |
| 131-2902007-02 | 131-2902007-02 | Рессора передняя со стяжными хомутами в сборе (для автомобилей без лебедки) | |
| 131-2902007-12 | 131-2902007-12 | Рессора передняя со стяжными хомутами в сборе (для автомобилей с лебедкой) | |
| 1 | 150В-2902135 | Фиксатор накладки | |
| 2 | 130-2902624 | Буфер передней рессоры | |
| 3 | 130-2902412 | Накладка передней рессоры | |
| 4 | 130-2902068 | Втулка распорная | |
| 5 | 130-2902072 | Хомут | |
| 6 | 257069-П | Заклепка | |
| 7 | 130-2912203 | Накладка первого листа рессоры | |
| 8 | 250561-П8 | Гайка | |
| 9 | 252139-П2 | Шайба пружинная | |
| 10 | 131-2905418 | Палец крепления амортизатора | |
| 11 | 305766-П8 | Шайба | |
| 12 | 111-2915486 | Втулка головки амортизатора | |
| 13 | 131-2902100-11 | Лист первый с накладкой в сборе | |
| 14 | 131-2902102-01 | Лист рессоры № 2 | |
| 15 | 131-2902103-01 | Лист рессоры № 3 | |
| 16 | 131-2902104-10 | Лист рессоры № 4 | |
| 17 | 131-2902105-20 | Лист рессоры пятый (для автомобилей с лебедкой) | |
| 18 | 131-2902106-20 | Лист рессоры шестой (для автомобилей с лебедкой) | |
| 19 | 131-2902107-20 | Лист рессоры седьмой (для автомобилей с лебедкой) | |
| 20 | 131-2902108-20 | Лист рессоры восьмой (для автомобилей с лебедкой) | |
| 21 | 131-2902109-20 | Лист рессоры девятый (для автомобилей с лебедкой) | |
| 22 | 131-2902110-20 | Лист рессоры десятый (для автомобилей с лебедкой) | |
| 23 | 131-2902111-20 | Лист рессоры одиннадцатый (для автомобилей с лебедкой) | |
| 24 | 131-2902112-20 | Лист рессоры двенадцатый (для автомобилей с лебедкой) | |
| 25 | 131-2902113-20 | Лист рессоры тринадцатый (для автомобилей с лебедкой) | |
| 26 | 131-2902114-20 | Лист рессоры четырнадцатый (для автомобилей с лебедкой) | |
| 27 | 131-2902115-20 | Лист рессоры № 15 | |
| 28 | 130-2902445 | Кронштейн передней рессоры передний | |
| 29 | 256873-П | Заклепка | |
| 30 | 256875-П | Заклепка | |
| 31 | 130-2902126-Б | Ушко передней рессоры | |
| 32 | 301490-П8 | Болт | |
| 33 | 131-2902127-10 | Стремянка ушка | |
| 34 | 131-2902105-30 | Лист рессоры № 5 | |
| 35 | 130-2902120-Б | Подкладка ушка | |
| 36 | 250510-П8 | Гайка | |
| 37 | 131-2902062-10 | Хомут | |
| 38 | 200277-П8 | Болт | |
| 39 | 201497-П8 | Болт | |
| 40 | 131-2902684 | Буфер передней рессоры дополнительный в сборе | |
| 41 | 131-2905541 | Кронштейн амортизатора верхний левый | |
| 42 | 250512-П8 | Гайка | |
| 43 | 252136-П2 | Шайба пружинная | |
| 44 | 250514-П8 | Гайка | |
| 45 | 252137-П2 | Шайба пружинная | |
| 46 | 131-2902545 | Вкладыш заднего кронштейна | |
| 47 | 130-2902447 | Кронштейн передней рессоры задний | |
| 48 | 131-2902520 | Сухарь заднего кронштейна передней рессоры | |
| 49 | 131-2902547 | Палец сухаря заднего кронштейна | |
| 50 | 200382-П8 | Болт стяжной | |
| 51 | 131-2902487 | Втулка стяжного болта заднего кронштейна | |
| 52 | 131-2902555 | Проставка передней рессоры | |
| 53 | 131-2902408 | Стремянка передней рессоры | |
| 54 | 131-2902430 | Подушка передней рессоры | |
| 55 | 131-2905006 | Амортизатор передней подвески в сборе | |
| 56 | 250514-П8 | Гайка | |
| 57 | 305683-П8 | Шайба | |
| 58 | 131-2905519-01 | Кронштейн амортизатора нижний левый | |
| 58 | 131-2905518-01 | Кронштейн амортизатора нижний правый | |
| 59 | 303258-П8 | Гайка | |
| 60 | 252141-П2 | Шайба пружинная | |
| 61 | 131-2902419 | Подкладка стремянок передней рессоры левая | |
| 61 | 131-2902418 | Подкладка стремянок передней рессоры правая | |
| 62 | 131-2902112-30 | Лист рессоры № 12 | |
| 63 | 131-2902111-30 | Лист рессоры № 11 | |
| 64 | 131-2902106-30 | Лист рессоры № 6 | |
| 65 | 131-2902107-30 | Лист рессоры № 7 | |
| 66 | 131-2902108-30 | Лист рессоры № 8 | |
| 67 | 131-2902109-30 | Лист рессоры № 9 | |
| 68 | 131-2902110-30 | Лист рессоры № 10 | |
| 69 | 256837-П | Заклепка хомутов | |
| 70 | 250515-П8 | Гайка | |
| 71 | 252137-П2 | Шайба пружинная | |
| 72 | 304814-П | Масленка в сборе | |
| 73 | 130-2902478 | Палец ушка передней рессоры | |
| 74 | 45 9347 9629 | Болт стяжной | |
| 75 | 130-2902028-А | Втулка ушка передней рессоры | |
| 76 | 252139-П2 | Шайба пружинная | |
| 76 | 252139-П2 | Шайба пружинная | |
| 77 | 131-2902128-10 | Накладка прижимная стремянки ушка | |
| 78 | 250561-П8 | Гайка | |
| 78 | 250561-П8 | Гайка |
Содержащиеся в справочниках-каталогах запасные части и детали не предлагаются к продаже, а носят исключительно информационный характер