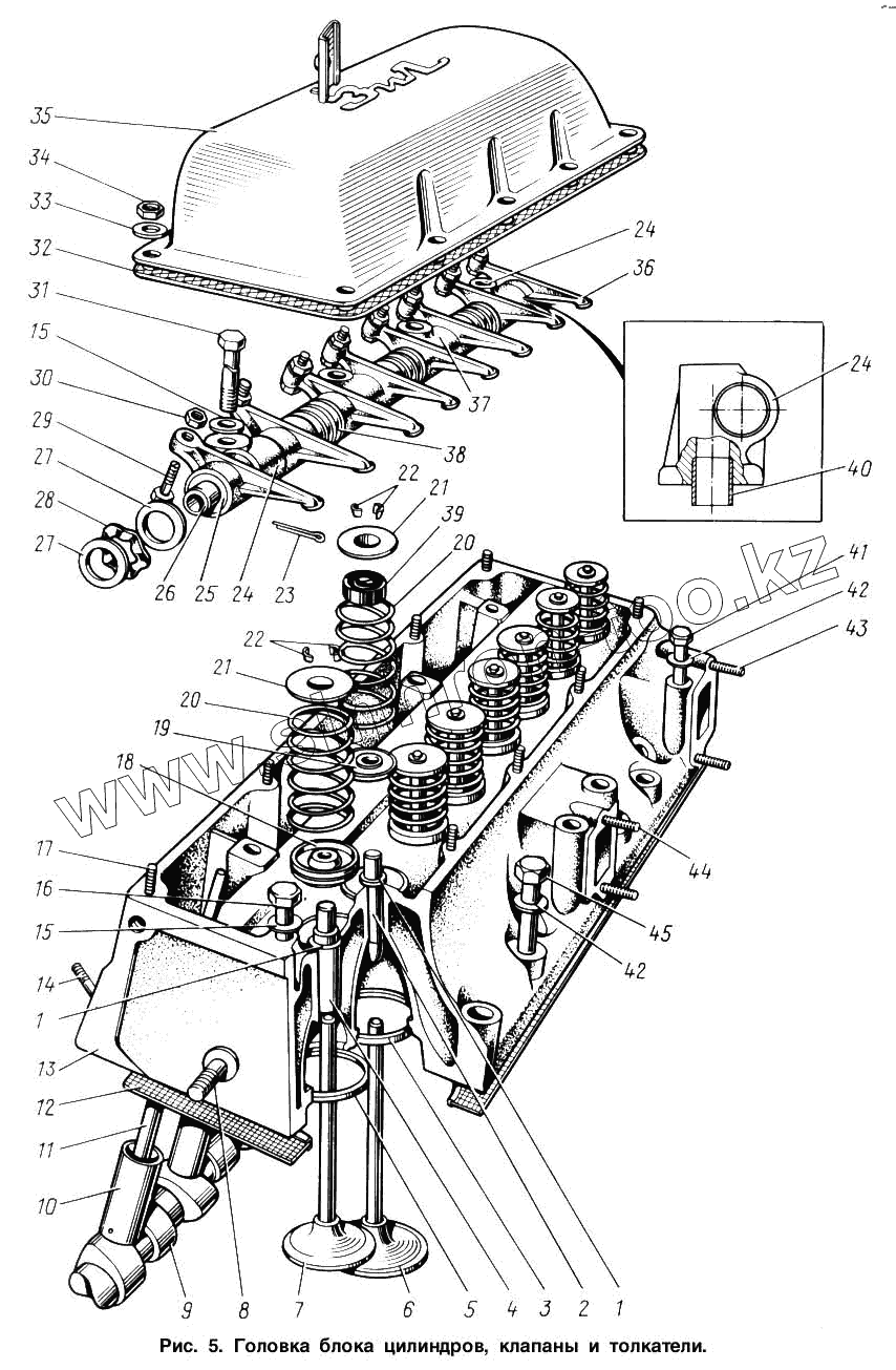
Каталог запасных частей к технике: ЗИЛ-131. Головка блока цилиндров, клапаны и толкатели
1
1
2
3
4
5
6
7
8
9
10
11
12
13
14
15
15
16
17
18
19
20
20
21
21
22
22
23
24
24
24
25
26
27
27
28
29
30
31
32
33
34
35
36
37
38
39
40
41
42
42
43
44
45
| Позиция на иллюстрации | Заводской номер детали | Название детали | |
|---|---|---|---|
| 130-1003011-20 | 130-1003011-20 | Головка блока цилиндров с клапанами левая в сборе | |
| 131-1003011-10 | 131-1003011-10 | Головка блока цилиндров с клапанами левая в сборе | |
| 130Е-1003010-10 | 130Е-1003010-10 | Головка блока цилиндров с клапанами правая в сборе | |
| 131-1003010-10 | 131-1003010-10 | Головка блока цилиндров с клапанами правая в сборе | |
| 1 | 307775-П | Кольцо пружинное | |
| 2 | 130-1007032-БР1 | Втулка направляющая впускного клапана увеличенная на 0,25 мм (комплект) | |
| 2 | 130-1007032-БПР | Втулка направляющая впускного клапана увеличенная на 0,05 мм (комплект) | |
| 2 | 130-1007032-Б | Втулка впускного клапана направляющая | |
| 3 | 130-1007079 | Седло вставное впускного клапана | |
| 3 | 130-1007079-Р1 | Седло вставное впускного клапана, увеличенное на 0,3 мм | |
| 4 | 130-1007033-ПР | Втулка направляющая выпускного клапана, увеличенная на 0,05 мм | |
| 4 | 130-1007033-Р1 | Втулка направляющая выпускного клапана | |
| 4 | 130-1007033 | Втулка выпускного клапана направляющая | |
| 5 | 130-1007080-Р1 | Седло вставное выпускного клапана, увеличенное на 0,3 мм | |
| 5 | 130-1007080 | Седло вставное выпускного клапана | |
| 6 | 130-1007010-Б1 | Клапан впускной в сборе | |
| 7 | 130-1007015-Б1 | Клапан выпускной в сборе | |
| 8 | 307175-П8 | Шпилька | |
| 9 | 130-1006015 | Вал распределительный | |
| 10 | 130-1007055-А | Толкатель клапана | |
| 11 | 130-1007176-А | Штанга толкателя клапана | |
| 12 | 130-1003020-10 | Прокладка головки блока цилиндров в сборе | |
| 13 | 130-1003012-20 | Головка блока цилиндров с седлами и направляющими втулками клапанов в сборе | |
| 14 | 307172-П8 | Шпилька | |
| 15 | 305790-П8 | Шайба | |
| 16 | 301341-П | Болт | |
| 17 | 307159-П8 | Шпилька | |
| 18 | 130-1007310-02 | Механизм вращения выпускного клапана в сборе | |
| 19 | 130-1007023-А | Шайба клапанной пружины впускного клапана | |
| 20 | 130-1007020-А | Пружина клапана | |
| 21 | 130-1007024-Б | Тарелка клапанной пружины | |
| 22 | 130-1007028 | Сухарь клапана | |
| 23 | 258040-П | Шплинт | |
| 24 | 130-1007107 | Стойка оси коромысел клапанов | |
| 25 | 130-1007118 | Втулка коромысла (комплект) | |
| 26 | 130-1007100 | Ось коромысел клапанов в сборе | |
| 27 | 305608-П8 | Шайба | |
| 28 | 305765-П | Шайба оси коромысел пружинная специальная | |
| 29 | 130-1007117 | Винт регулировочный коромысел клапанов | |
| 30 | 130-1007073 | Гайка регулировочного винта | |
| 31 | 301342-П | Болт | |
| 32 | 130-1003270-А | Прокладка крышки головки блока цилиндров | |
| 33 | 252005-П8 | Шайба | |
| 34 | 250510-П8 | Гайка | |
| 35 | 131-1003260 | Крышка головки цилиндров в сборе | |
| 36 | 130-1007110-А | Коромысло клапана с втулкой в сборе | |
| 37 | 130-1007106 | Стойка оси коромысел маслоподводящая | |
| 38 | 130-1007127 | Пружина распорная коромысел клапанов | |
| 39 | 130-1007014-Б | Манжета впускного клапана | |
| 40 | 130-1007111 | Втулка стойки центрирующая | |
| 41 | 301340-П | Болт | |
| 42 | 305814-П8 | Шайба | |
| 43 | 130-1008147 | Шпилька крепления выпускного коллектора | |
| 44 | 131-1008147 | Шпилька крепления выпускного коллектора | |
| 45 | 301339-П | Болт |
Содержащиеся в справочниках-каталогах запасные части и детали не предлагаются к продаже, а носят исключительно информационный характер