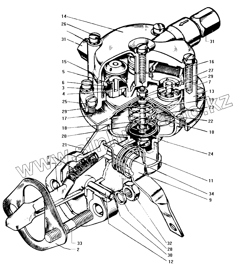
Каталог запасных частей к технике: ЗИЛ-130. Топливный насос Б10
1
2
3
4
5
6
7
8
9
10
11
12
13
14
15
16
17
18
19
20
21
22
23
24
25
26
27
28
29
29
30
31
31
32
33
34
| Позиция на иллюстрации | Заводской номер детали | Название детали | |
|---|---|---|---|
| 130Т-1106050 | 130Т-1106050 | Диафрагма с толкателем в сборе | |
| 130Т-1106011-Б | 130Т-1106011-Б | Насос топливный в сборе | |
| 1 | 11-1013 | Пружина возвратная коромысла | |
| 2 | 111-1106170 | Прокладка топливного насоса | |
| 3 | 130-1106023-01 | Пластина клапана | |
| 4 | 130-1106026 | Клапан | |
| 5 | 130-1106027-А | Обойма клапана | |
| 6 | 130-1106028 | Пружина клапана | |
| 7 | 130-1106056 | Шайба толкателя | |
| 8 | 130-1106078-Б | Коромысло привода | |
| 9 | 130-1106095-Б2 | Валик ручного привода в сборе | |
| 10 | 130-1106097 | Сетка фильтра | |
| 11 | 130-1106099-Б | Пружина | |
| 12 | 130-1106128-Б | Ось коромысла | |
| 13 | 130Т-1106015 | Головка топливного насоса с клапанами в сборе | |
| 13 | 130Т-1106018 | Головка топливного насоса | |
| 14 | 130Т-1106036 | Крышка-демпфер | |
| 15 | 130Т-1106037 | Прокладка крышки | |
| 16 | 130Т-1106045 | Фильтр топливного насоса с сеткой в сборе | |
| 17 | 130Т-1106051 | Диск диафрагмы топливного насоса | |
| 18 | 130Т-1106055 | Толкатель в сборе | |
| 19 | 130Т-1106057-А | Шайба диафрагмы верхняя | |
| 20 | 130Т-1106061 | Пружина диафрагмы | |
| 21 | 130Т-1106094-В | Корпус топливного насоса | |
| 21 | 130Т-1106090 | Корпус в сборе | |
| 22 | 130Т-1106096 | Шайба-сетка | |
| 23 | 130Т-1106146-А | Шайба диафрагмы нижняя | |
| 24 | 130Т-1106178 | Манжета толкателя | |
| 25 | 220080-П8 | Винт | |
| 26 | 220085-П8 | Винт | |
| 27 | 250464-П8 | Гайка | |
| 28 | 252136-П2 | Шайба пружинная | |
| 29 | 252153-П2 | Шайба пружинная | |
| 30 | 252948-П8 | Заклепка | |
| 31 | 300304-П8 | Штуцер | |
| 32 | 303112-П29 | Гайка | |
| 33 | 307156-П8 | Шпилька | |
| 34 | 485-4223029-Б | Манжета |
Содержащиеся в справочниках-каталогах запасные части и детали не предлагаются к продаже, а носят исключительно информационный характер