Каталог запасных частей к технике: ЗИЛ-130. Сигнал звуковой
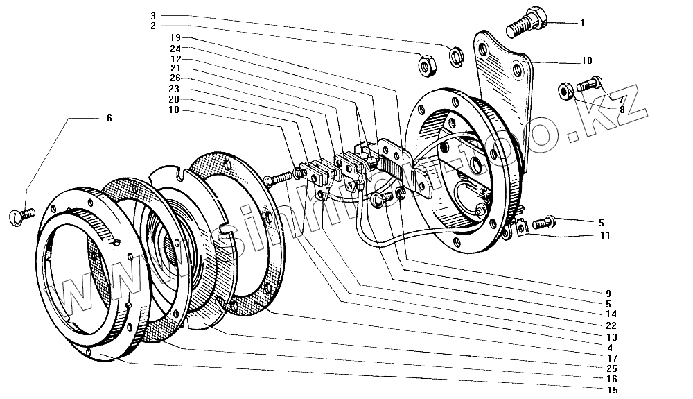
1
2
3
4
5
5
6
7
8
9
10
11
12
13
14
15
16
17
18
19
20
21
22
23
24
25
26
| Позиция на иллюстрации | Заводской номер детали | Название детали | |
|---|---|---|---|
| 130-3721020-02 | 130-3721020-02 | Сигнал звуковой С311-01 | |
| 130Т-3721020-02 | 130Т-3721020-02 | Сигнал звуковой типа С311-01 в сборе | |
| С311-3721100 | С311-3721100 | Корпус в сборе | |
| С311-3721140 | С311-3721140 | Прерыватель в сборе | |
| С311-3721015-02 | С311-3721015-02 | Прокладка | |
| 1 | 201456-П8 | Болт | |
| 2 | 250510-П8 | Гайка | |
| 3 | 252135-П2 | Шайба пружинная | |
| 4 | 4 594 321 030 | Винт | |
| 5 | 4 594 321 050 | Винт | |
| 6 | 4 594 321 051 | Винт | |
| 7 | 4 594 321 054 | Винт | |
| 8 | 4 595 531 052 | Гайка | |
| 9 | 4 598 161 023 | Шайба | |
| 10 | 4 598 161 042 | Шайба пружинная | |
| 11 | Н-1067 | Шайба пружинная | |
| 12 | С304-3721146 | Изолятор | |
| 13 | С304-3721147 | Пластина | |
| 14 | С304-3721148 | Пластина изолирующая | |
| 15 | С311-3721014-А | Кольцо прижимное | |
| 16 | С311-3721015 | Прокладка | |
| 17 | С311-3721015-01 | Прокладка | |
| 18 | С311-3721110 | Корпус с катушкой в сборе | |
| 19 | С311-3721145-А | Мостик | |
| 20 | С304-3721157 | Пластина изолирующая | |
| 21 | С304-3721160 | Пружина с контактом в сборе | |
| 22 | С304-3721170 | Держатель неподвижного контакта в сборе | |
| 23 | С304-3721181 | Наконечник | |
| 24 | С304-3721184 | Пластина изолирующая | |
| 25 | С311-3721150 | Узел мембраны в сборе | |
| 26 | С311-3721180 | Соединение в сборе |
Содержащиеся в справочниках-каталогах запасные части и детали не предлагаются к продаже, а носят исключительно информационный характер