Каталог запасных частей к технике: Volvo FH12. Задняя пневматическая подвеска RAD-A4, RST-AIR
1
2
3
4
5
6
7
8
8
9
10
11
12
13
14
15
16
17
18
19
20
21
22
23
24
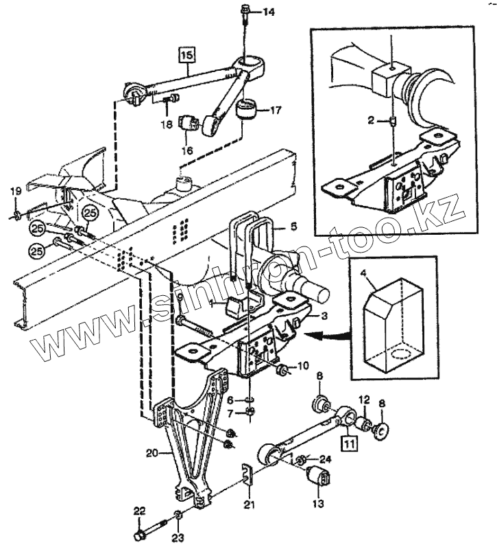
| Позиция на иллюстрации | Заводской номер детали | Название детали | |
|---|---|---|---|
| 1 | 1075253 | Рессорная площадка, левая сторона | |
| 2 | 3986427 | Установочный штифт | |
| 3 | 20392376 | Кронштейн подушки, левая сторона | |
| 3 | 20392378 | Кронштейн подушки, правая сторона | |
| 4 | 8152448 | Кронштейн | |
| 5 | 20442760 | Стремянка | |
| 5 | 1088765 | Стремянка М24х405 | |
| 6 | 946920 | Шайба | |
| 6 | 980525 | Шайба | |
| 7 | 961997 | Гайка | |
| 7 | 980525 | Шайба | |
| 8 | 1629701 | Пробка | |
| 9 | 978954 | Болт | |
| 10 | 948835 | Блокирующаяся гайка | |
| 11 | 1082104 | Реактивная тяга | |
| 12 | 1135080 | Втулка | |
| 13 | 1598588 | Втулка | |
| 14 | 965195 | Болт с фланцем | |
| 15 | 3173291 | V-образная тяга | |
| 16 | 1628107 | Втулка | |
| 17 | 3173759 | Втулка | |
| 18 | 975211 | Болт с фланцем | |
| 19 | 979014 | Гайка с фланцем | |
| 20 | 3171368 | Кронштейн | |
| 20 | 3171369 | Кронштейн | |
| 20 | 3171370 | Кронштейн | |
| 20 | 3171371 | Кронштейн | |
| 21 | 20455239 | Регулировочная прокладка | |
| 21 | 1606053 | Регулировочная прокладка | |
| 21 | 1606054 | Регулировочная прокладка | |
| 22 | 978447 | Болт с фланцем | |
| 23 | 969274 | Шайба | |
| 24 | 979230 | Гайка с фланцем |
Содержащиеся в справочниках-каталогах запасные части и детали не предлагаются к продаже, а носят исключительно информационный характер