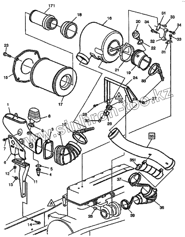
Каталог запасных частей к технике: Volvo FH12. Воздушный фильтр L1H1
1
2
3
4
5
6
7
8
9
10
11
12
13
14
15
16
17
18
19
20
21
22
23
24
25
26
27
28
29
30
31
31
32
33
33
34
34
35
36
37
38
39
171
351
| Позиция на иллюстрации | Заводской номер детали | Название детали | |
|---|---|---|---|
| 1 | 3979627 | Соединительная труба | |
| 2 | 3979929 | Соединительная труба | |
| 3 | 8149205 | Хомут | |
| 4 | 1661019 | Клапан | |
| 5 | 1661022 | Кольцо | |
| 6 | 8149213 | Дополнительная пластина | |
| 7 | 946440 | Болт с фланцем | |
| 8 | 3979600 | Труба-резонатор | |
| 9 | 980136 | Хомут | |
| 10 | 8155811 | Хомут | |
| 11 | 8149071 | Кронштейн | |
| 12 | 948645 | Гайка с фланцем | |
| 13 | 971095 | Гайка с фланцем | |
| 14 | 946472 | Болт с фланцем | |
| 15 | 20364797 | Крышка | |
| 16 | 1675142 | Корпус воздушного фильтра | |
| 16 | 1675142 | Корпус воздушного фильтра | |
| 17 | 1665898 | Элемент воздушного фильтра | |
| 18 | 1675159 | Выпускная трубка | |
| 19 | 8149322 | Шланг | |
| 20 | 20355945 | Датчик обслуживания | |
| 21 | 4775104 | Хомут | |
| 22 | 978185 | Хомут | |
| 23 | 947107 | Болт с фланцем | |
| 24 | 1078950 | Кронштейн | |
| 25 | 1585545 | Втулка | |
| 26 | 946472 | Болт с фланцем | |
| 27 | 965185 | Болт с фланцем | |
| 28 | 1674265 | Колпачок | |
| 29 | 1674264 | Резиновая втулка | |
| 30 | 965180 | Болт с фланцем | |
| 31 | 1675178 | Кронштейн | |
| 32 | 8149242 | Опора | |
| 33 | 946173 | Болт с фланцем | |
| 34 | 947760 | Болт с фланцем | |
| 35 | 3183860 | Промежуточная трубка | |
| 36 | 8149119 | Впускной шланг | |
| 37 | 1544734 | Хомут | |
| 38 | 1544735 | Хомут | |
| 39 | 1544733 | Хомут | |
| 171 | 1665937 | Элемент воздушного фильтра | |
| 351 | 8149515 | Термоизоляция |
Содержащиеся в справочниках-каталогах запасные части и детали не предлагаются к продаже, а носят исключительно информационный характер