Каталог запасных частей к технике: Volvo FH12. Воздухоосушитель STWPOS-L
1
2
3
4
5
6
7
8
9
10
11
12
13
14
15
16
17
18
19
20
21
22
23
24
25
25
26
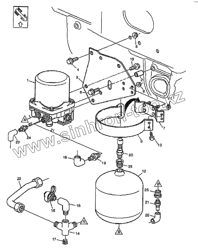
| Позиция на иллюстрации | Заводской номер детали | Название детали | |
|---|---|---|---|
| 1 | 20392573 | Воздухоосушитель | |
| 1 | 20392573 | Воздухоосушитель | |
| 1 | 20393894 | Воздухоосушитель | |
| 1 | 20392573 | Воздухоосушитель | |
| 2 | 20382887 | Распорная втулка | |
| 3 | 1079018 | Кронштейн | |
| 4 | 966362 | Болт с фланцем | |
| 5 | 979231 | Гайка с фланцем | |
| 6 | 966367 | Болт с фланцем | |
| 7 | 20393607 | Кронштейн | |
| 8 | 948645 | Гайка с фланцем | |
| 9 | 3988407 | Бандаж | |
| 10 | 946472 | Болт с фланцем | |
| 11 | 971098 | Гайка с фланцем | |
| 12 | 20485243 | Ресивер | |
| 13 | 946817 | Болт с фланцем | |
| 14 | 979802 | Крестовой ниппель | |
| 15 | 977772 | Угловое соединение | |
| 16 | 1592924 | Тестовый ниппель | |
| 17 | 968063 | Пробка | |
| 18 | 976959 | Угловое соединение | |
| 19 | 969328 | Ниппель | |
| 20 | 20382305 | Предохранительный клапан | |
| 20 | 3173104 | Предохранительный клапан | |
| 21 | 969326 | Ниппель | |
| 22 | 3988227 | Трубка | |
| 23 | 976958 | Угловое соединение | |
| 24 | 969324 | Ниппель | |
| 25 | 966459 | Ниппель | |
| 26 | 976958 | Угловое соединение | |
| 27 | 968061 | Пробка |
Содержащиеся в справочниках-каталогах запасные части и детали не предлагаются к продаже, а носят исключительно информационный характер