Каталог запасных частей к технике: Volvo FH12. Сцепление R/SR-1700/1900, CL43S-0
1
2
3
4
4
5
5
6
7
8
9
10
11
12
12
13
14
14
15
16
17
18
19
20
21
22
23
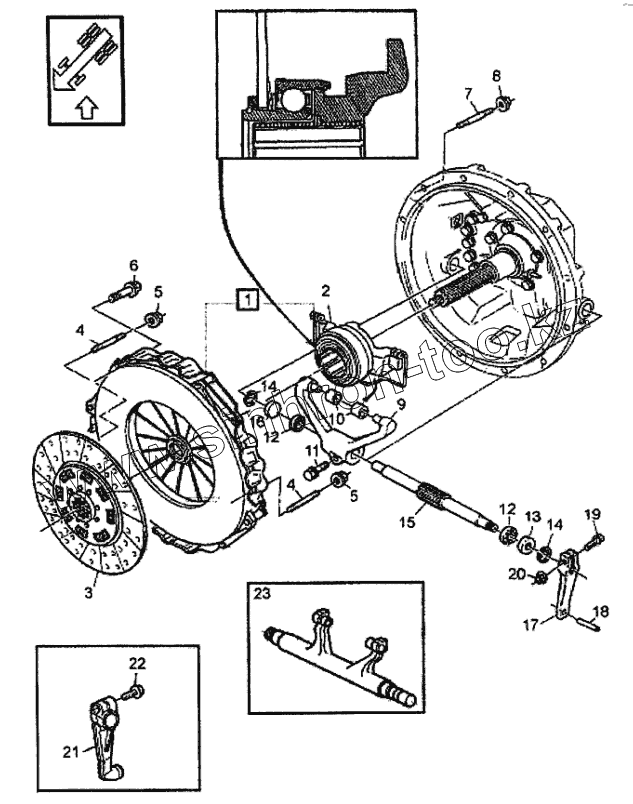
| Позиция на иллюстрации | Заводской номер детали | Название детали | |
|---|---|---|---|
| 1 | 8113513 | Сцепление | |
| 1 | 3192200 | Сцепление | |
| 2 | 3192216 | Выжимной подшипник сцепления | |
| 3 | 3191991 | Диск сцепления | |
| 3 | 8113525 | Диск сцепления | |
| 3 | 8113054 | Диск сцепления | |
| 3 | 1524771 | Диск сцепления | |
| 4 | 953080 | Шпилька | |
| 5 | 971098 | Гайка с фланцем | |
| 6 | 965188 | Болт с фланцем | |
| 7 | 953104 | Шпилька | |
| 8 | 971099 | Гайка с фланцем | |
| 9 | [Вилка сцепления] | Вилка сцепления | |
| 10 | [Ролик] | Ролик | |
| 11 | 965191 | Болт с фланцем | |
| 12 | 184644 | Шарикоподшипник | |
| 13 | 1672002 | Уплотнительное кольцо | |
| 14 | 914530 | Стопорное кольцо | |
| 15 | [Вал выжимного подшипника] | Вал выжимного подшипника | |
| 16 | 1672003 | Сальник | |
| 17 | 1623009 | Рычаг | |
| 18 | 1620382 | Втулка | |
| 19 | 965187 | Болт с фланцем | |
| 20 | 971098 | Гайка с фланцем | |
| 21 | 1069206 | Рычаг | |
| 22 | 965185 | Болт с фланцем | |
| 23 | 3192250 | Вилка сцепления |
Содержащиеся в справочниках-каталогах запасные части и детали не предлагаются к продаже, а носят исключительно информационный характер