Вернуться на главную
Поиск
Каталоги запчастей к технике
Грузовые автомобили и прицепы
Volvo
FH12
Рычаг КПП R/SR-1700/1900, STWPOS-L
Каталог запасных частей к технике: Volvo FH12. Рычаг КПП R/SR-1700/1900, STWPOS-L
zoom-in
zoom-out
enlarge
shrink
circle-right
circle-left
file-text2
info
cart
Тип техники
Не выбрано
Легковые автомобили
Грузовые автомобили и прицепы
Автобусы
Сельхозтехника
Спецтехника
Двигатели
Мототехника
Марка
Не выбрано
BAW
DAF
DongFeng
FAW
Foton
HOWO
Hyundai
IVECO
JAC Motors
LGMG
MAN
Shaanxi
SITRAK
Studebaker
Tata
Volvo
Автокомпонент Плюс
БелАЗ
Брянский Арсенал
ГАЗ
ЗИЛ
КАЗ
Камский автозавод
КрАЗ
Мадара
МАЗ
МЗКТ
МоАЗ
Нефтекамский автозавод
Ставропольский Завод АвтоПрицепов
ТАТРА
Тонар
УралАЗ
ЧМЗАП
Модель
Не выбрано
FH12 (2005)
Схема
>
Не выбрано
Механизм стеклоподъемника
Элементы подвески кабины и трубки подключения
Элементы подвески кабины и трубки подключения
Электрический подъем кабины
Элементы подъема кабины
Подвеска кабины (передняя часть)
Люк бардачка
Подвеска кабины (задняя часть)
Кузовные детали кабины
Кузовные детали кабины (задняя стенка, пол)
Кузовные детали передней части кабины
Дверь
Бампер BUMP-HDS, BUMP-HS3
Нижняя фронтальная защита
Защита радиаторных трубок
Передняя подножка в решетке радиатора
Ступеньки
Воздуховоды
Отопление и вентиляция
Тросы управления отоплением и вентиляцией
Блок управления печкой
Климатическая установка (конденсор) RADI-NAR, STWPOS-L
Блок испарителя
Стояночный отопитель РН-САВ
Вентилятор печки кабины
Стояночный отопитель PH-ENGCA (арматура подключения)
Стояночный отопитель PH-ENGCA
Стояночный отопитель PH-ENGCA (схема подключения)
Электроподогрев двигателя
Стояночный отопитель EBERSPECHER D1LCC
Топливный бак стояночного отопителя (арматура подключения)
Крепление двигателя (передняя часть)
Крепление двигателя (задняя часть)
Блок цилиндров
Головка блока цилиндров
Гильзы и поршни
Коромысла и рампа коромысел EPG
Коромысла и рампа коромысел VEB (с тормозом двигателя на выпускных клапанах)
Распределительный вал
Механизм газораспределения
Замедлитель на выхлопе
Масляный поддон
Вентиляция картера
Масляный насос
Масляный фильтр
Масляный радиатор
Масляный радиатор
Стартовый подогреватель
Датчик уровня топлива с подогревателем
Педаль газа
Интеркулер (промежуточный охладитель)
Топливный фильтр
Водоотделитель
Инжекторы
Топливные магистрали на двигателе
Впускной и выпускной коллектор
Воздушный фильтр L1H1
Воздушный фильтр L2H1/L2H2
Воздухозаборник AIRIN-FRL2H1
Воздухозаборник
Турбокомпаунд
Крепление радиатора
Шланги радиатора системы охлаждения
Расширительный бачок системы охлаждения
Шланги печки кабины
Шланги соединения термостата и водяного насоса
Привод вентилятора системы охлаждения
Педаль сцепления
Сцепление R/SR-1700/1900, CL43S-0
Рабочий цилиндр сцепления
Рычаг КПП R/SR-1700/1900, STWPOS-L
Шланги подключения ручной КПП R/SR-1700/1900, STWPOS-L
Дифференциал моста EV91
Передние рессоры 4x2, 6x2, 6x4
Передние рессоры
Задние рессоры RAD-L90 RADT-LA, RST-PAR1
Пневматическая подвеска RADT-A6, RAL18, СНН900
Передние амортизаторы 4x2, 6x2, 6x4
Амортизаторы ведущей оси RAD-L90
Передняя ось FAA10
Задняя пневматическая подвеска RAD-A4, RST-AIR
Передняя ступица колеса со спицами
Ступица переднего колеса (дисковые колеса WTF-D335, FRAX-BAS)
Ступица переднего колеса (барабанный тормоз FRAX-UNI)
Ступица переднего колеса со спицами FRAX-UNI
Задняя колесная ступица SRED-V
Рулевая колонка
Демпфер рулевого механизма RADT-LA, RADT-A6S
Гидроусилитель рулевого механизма FAA10 STWPOS-L FSS-AIR
Подключение гидроцилиндра TA-HYDRS
Рулевой механизм
Детали колесного тормоза
Передний тормоз Z-кулачок
Компрессор 1 СОМР 400 CHID-A538207
Компрессор LK39
Компрессор LP49
Змеевик охлаждения STWPOS-L CHID-A538207
Воздухоосушитель STWPOS-L
Воздухоосушитель STWPOS-L, CHID A538208, CHID B298453, CHID 1203057
Клапан стояночного тормоза прицепа
Клапан педали тормоза
Плата педали тормоза STWPOS-L
Ремкомплект тормозного клапана 20374068
Генератор (крепление)
Генератор 3986429 28V/80A
Генератор 28V/60A
Датчики давления и разъемы
Стартер 3964839
Датчики и контрольные устройства двигателя
Проводка двигатель-КПП
Проводка в кабине
Проводка на раме
Электроразъемы
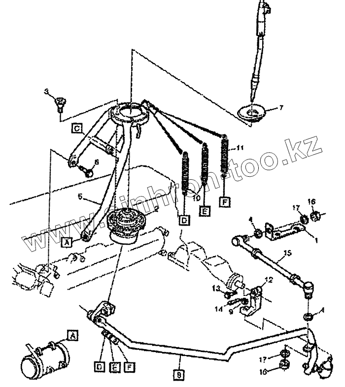
1
2
3
4
4
5
6
7
8
9
10
11
12
13
14
15
16
16
17
17
Позиция на иллюстрации
Заводской номер детали
Название детали
1
1667941
Кронштейн
2
20366968
Шаровой шарнир
3
969843
Болт
4
940109
Блокирующая прокладка
5
1669441
Кронштейн шарового шарнира
6
946817
Болт с фланцем
7
1669316
Раструб
8
1668637
Тяга привода
9
955805
Гайка
10
1668181
Пружина растяжения
11
1668181
Пружина растяжения
12
1667295
Рычаг управления
13
946752
Болт с фланцем
14
907845
Шплинт
15
1667939
Боковая тяга
16
971071
Гайка
17
1069697
Шайба
Содержащиеся в справочниках-каталогах запасные части и детали не предлагаются к продаже, а носят исключительно информационный характер
Дополнительная информация
×
Название:
Номер:
Примечание: