Каталог запасных частей к технике: Volvo FH12. Рулевая колонка
1
2
3
3
3
3
3
3
4
5
6
7
9
10
11
11
13
13
14
14
15
15
16
16
17
17
18
19
20
21
22
22
22
22
22
22
22
22
22
22
22
22
23
24
25
25
26
26
27
28
29
30
31
31
31
32
33
101
102
103
104
221
222
223
224
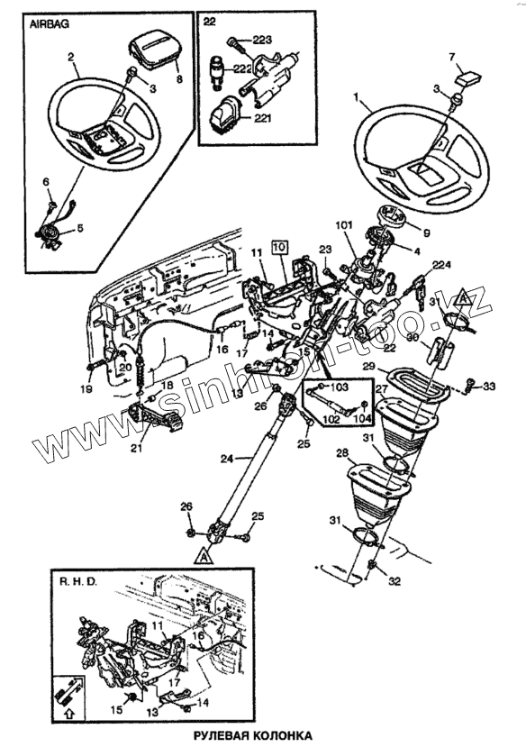
| Позиция на иллюстрации | Заводской номер детали | Название детали | |
|---|---|---|---|
| 1 | 1062028 | Рулевое колесо | |
| 1 | 1062027 | Рулевое колесо | |
| 2 | 3176665 | Рулевое колесо | |
| 2 | 3176666 | Рулевое колесо | |
| 2 | 3176664 | Рулевое колесо | |
| 3 | 979924 | Болт с фланцем | |
| 3 | 968723 | Круглое уплотнительное кольцо | |
| 3 | 3036786 | Шайба | |
| 4 | 1607357 | Контактное кольцо | |
| 5 | 1062018 | Контактное кольцо | |
| 6 | 972409 | Болт | |
| 7 | 3176652 | Выключатель | |
| 7 | 1062030 | Крышка | |
| 9 | 3176446 | Кольцо | |
| 10 | 3176697 | Рулевая колонка | |
| 11 | 946440 | Болт с фланцем | |
| 12 | 1619293 | Кронштейн | |
| 13 | 1619294 | Кронштейн | |
| 14 | 945444 | Болт с фланцем | |
| 15 | 948645 | Гайка с фланцем | |
| 16 | 3176136 | Кабель | |
| 17 | 4803748 | Шланг | |
| 18 | 977801 | Распорная втулка | |
| 19 | 973924 | Болт с фланцем | |
| 20 | 948645 | Гайка с фланцем | |
| 21 | 3176505 | Педаль | |
| 22 | 8159908 | Замок | |
| 22 | 3090482 | Замок | |
| 22 | 3092245 | Замок | |
| 22 | 20398485 | Замок | |
| 22 | 20398484 | Замок | |
| 22 | 20398485 | Замок | |
| 23 | 959224 | Винт | |
| 24 | 3175067 | Рулевой вал | |
| 24 | 3175067 | Рулевой вал | |
| 24 | 3175068 | Рулевой вал | |
| 24 | 3175068 | Рулевой вал | |
| 25 | 6782610 | Болт | |
| 26 | 971086 | Гайка | |
| 27 | 8144528 | Чехол | |
| 28 | 8144529 | Чехол | |
| 29 | 8143552 | Держатель | |
| 30 | 3176476 | Втулка | |
| 31 | 948211 | Хомут | |
| 32 | 8143420 | Пластиковая гайка | |
| 33 | 972081 | Болт | |
| 101 | 3981747 | Рулевая колонка | |
| 102 | 1099530 | Газовый амортизатор | |
| 102 | 3176306 | Газовый амортизатор | |
| 102 | 1062834 | Шаровой наконечник | |
| 102 | 1062834 | Шаровой наконечник | |
| 103 | 947941 | Гайка | |
| 104 | 11978 | Шайба | |
| 221 | 8159904 | Контактная группа | |
| 222 | 3176572 | Замок | |
| 223 | 1096800 | Срезной болт | |
| 224 | 3091508 | Ключ | |
| 224 | 3092167 | Ключ | |
| 225 | 20424965 | Антенна |
Содержащиеся в справочниках-каталогах запасные части и детали не предлагаются к продаже, а носят исключительно информационный характер