Каталог запасных частей к технике: Volvo FH12. Проводка двигатель-КПП
1
1
1
1
1
1
1
1
1
1
1
1
1
1
1
1
1
1
1
1
1
1
1
1
1
1
1
1
1
1
2
2
2
2
2
2
2
2
3
4
5
6
7
8
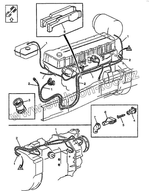
| Позиция на иллюстрации | Заводской номер детали | Название детали | |
|---|---|---|---|
| 1 | 20375169 | Электрический кабель | |
| 1 | 3173326 | Электрический кабель | |
| 1 | 3173331 | Электрический кабель | |
| 1 | 3173338 | Электрический кабель | |
| 1 | 3987598 | Электрический кабель | |
| 2 | 3171444 | Электрический кабель | |
| 2 | 3171445 | Электрический кабель | |
| 3 | 3962958 | Разъем | |
| 4 | 979040 | Изолятор | |
| 5 | 970778 | Кабель подключения | |
| 6 | 8142100 | Переходник | |
| 7 | 3962162 | Соединение | |
| 8 | 1078466 | Кабель-канал | |
| 8 | 20450135 | Кабель-канал |
Содержащиеся в справочниках-каталогах запасные части и детали не предлагаются к продаже, а носят исключительно информационный характер