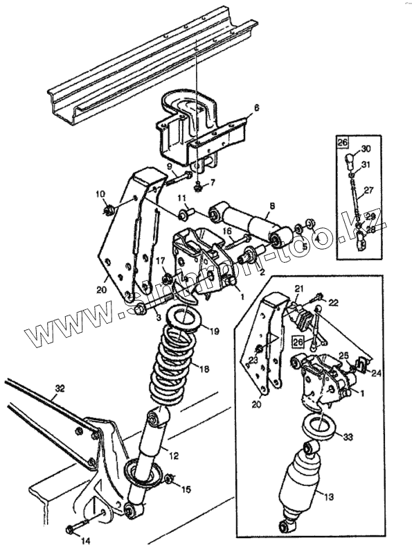
Каталог запасных частей к технике: Volvo FH12. Подвеска кабины (задняя часть)
1
1
1
1
1
1
2
3
4
5
6
7
8
9
10
11
12
13
14
15
16
17
18
19
20
20
21
22
23
24
25
26
26
27
28
29
30
31
32
33
| Позиция на иллюстрации | Заводской номер детали | Название детали | |
|---|---|---|---|
| 1 | 1076755 | Кронштейн запорного крюка | |
| 1 | 20443002 | Замок подвески кабины | |
| 1 | 20443004 | Плунжер замка | |
| 2 | 3986313 | Втулка | |
| 3 | 966371 | Болт с фланцем | |
| 4 | 977939 | Гайка с фланцем | |
| 5 | 949394 | Шайба | |
| 6 | 1076695 | Ответная часть замка | |
| 6 | 1076696 | Ответная часть замка | |
| 7 | 949853 | Болт с фланцем | |
| 8 | 3986315 | Амортизатор | |
| 9 | 966367 | Болт с фланцем | |
| 10 | 979231 | Гайка с фланцем | |
| 11 | 1075471 | Втулка | |
| 12 | 3172986 | Амортизатор задний | |
| 13 | 20427897 | Воздушная подушка | |
| 14 | 966366 | Болт с фланцем | |
| 15 | 979231 | Гайка с фланцем | |
| 16 | 966366 | Болт с фланцем | |
| 16 | 966367 | Болт с фланцем | |
| 17 | 979231 | Гайка с фланцем | |
| 18 | 1075355 | Витая пружина | |
| 18 | 8158197 | Витая пружина | |
| 18 | 1629766 | Витая пружина | |
| 19 | 8141712 | Распорка | |
| 20 | 1076698 | Кронштейн | |
| 21 | 3198233 | Клапан уровня | |
| 22 | 973924 | Болт с фланцем | |
| 23 | 948645 | Гайка с фланцем | |
| 24 | 8142102 | Кронштейн | |
| 25 | 955899 | Шайба | |
| 26 | [Тяга управления] | Тяга управления | |
| 27 | 943547 | Тяга управления | |
| 28 | 946703 | Шаровое крепление | |
| 29 | 965483 | Гайка с фланцем | |
| 30 | 946704 | Шаровое крепление | |
| 31 | 969355 | Гайка с фланцем | |
| 32 | [Поперечина] | Поперечина | |
| 33 | 1076697 | Распорка |
Содержащиеся в справочниках-каталогах запасные части и детали не предлагаются к продаже, а носят исключительно информационный характер