Каталог запасных частей к технике: Volvo FH12. Передние рессоры 4x2, 6x2, 6x4
1
2
3
4
5
6
6
6
6
6
6
6
6
6
6
6
6
6
6
6
6
6
6
6
6
6
6
6
6
6
6
6
6
6
6
6
6
6
6
6
6
7
8
9
9
9
9
10
11
12
13
14
15
16
17
18
19
20
21
21
22
23
23
24
24
25
26
26
27
27
28
29
29
30
31
32
33
34
35
36
37
38
39
40
41
42
42
42
43
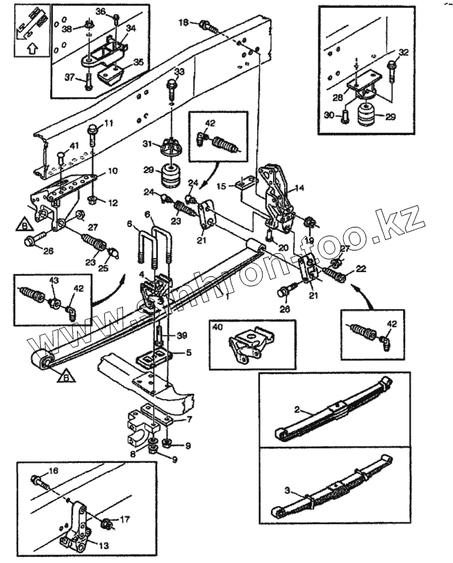
| Позиция на иллюстрации | Заводской номер детали | Название детали | |
|---|---|---|---|
| 1 | 257864 | Передняя рессора | |
| 1 | 257866 | Передняя рессора | |
| 1 | 257876 | Передняя рессора | |
| 1 | 257867 | Передняя рессора | |
| 1 | 257858 | Передняя рессора | |
| 2 | 257655 | Передняя рессора | |
| 2 | 257875 | Передняя рессора | |
| 3 | 257874 | Передняя рессора | |
| 3 | 257843 | Пружина | |
| 4 | 20399362 | Кронштейн | |
| 5 | 20399575 | Распорка | |
| 5 | 20375331 | Подпятник | |
| 5 | 1075704 | Распорка | |
| 5 | 1075706 | Распорка | |
| 5 | 1075376 | Распорка | |
| 5 | 1075378 | Распорка | |
| 5 | 1075380 | Распорка | |
| 5 | 1075382 | Распорка | |
| 5 | 20399575 | Распорка | |
| 5 | 3987243 | Распорка | |
| 5 | 3986294 | Распорка | |
| 5 | 3986295 | Распорка | |
| 6 | 20442786 | Стремянка | |
| 6 | 20442788 | Стремянка | |
| 6 | 1590938 | Стремянка | |
| 6 | 1590938 | Стремянка | |
| 6 | 1590938 | Стремянка | |
| 6 | 1590940 | Стремянка | |
| 6 | 1590940 | Стремянка | |
| 6 | 1590940 | Стремянка | |
| 6 | 3987326 | Стремянка M24x235 | |
| 6 | 20375243 | Стремянка M24x285 | |
| 6 | 3987325 | Стремянка M24х210 | |
| 6 | 20375242 | Стремянка M24х260 | |
| 6 | 1590938 | Стремянка | |
| 6 | 20442787 | Стремянка М20х210 | |
| 6 | 1590940 | Стремянка | |
| 6 | 20442789 | Стремянка М20х260 | |
| 6 | 3987323 | Стремянка М24х160 | |
| 6 | 3987324 | Стремянка М24х185 | |
| 7 | 1075732 | Шайба | |
| 8 | 1075368 | Шайба | |
| 8 | 20442072 | Шайба | |
| 8 | 980525 | Шайба | |
| 9 | 20442070 | Гайка | |
| 9 | 3173159 | Гайка | |
| 10 | 20429251 | Анкер передней рессоры | |
| 10 | 20429252 | Анкер передней рессоры | |
| 10 | 20429248 | Анкер передней рессоры | |
| 10 | 20429249 | Анкер передней рессоры | |
| 11 | 966364 | Болт с фланцем | |
| 12 | 979231 | Гайка с фланцем | |
| 13 | 20374686 | Анкер передней рессоры | |
| 14 | 3172500 | Анкер передней рессоры | |
| 14 | 3172500 | Анкер передней рессоры | |
| 14 | 3172502 | Анкер передней рессоры | |
| 14 | 3172502 | Анкер передней рессоры | |
| 15 | 1629300 | Распорка | |
| 16 | 966367 | Болт с фланцем | |
| 17 | 979231 | Гайка с фланцем | |
| 18 | 966362 | Болт с фланцем | |
| 18 | 980064 | Болт с фланцем | |
| 19 | 979014 | Гайка с фланцем | |
| 19 | 977939 | Гайка с фланцем | |
| 20 | 980023 | Заклепка | |
| 20 | 980016 | Заклепка | |
| 20 | 980017 | Заклепка | |
| 20 | 980017 | Заклепка | |
| 21 | 3171036 | Серьга рессоры | |
| 22 | 1076334 | Болт серьги рессоры | |
| 23 | 1075723 | Болт | |
| 24 | 914170 | Смазочный ниппель | |
| 25 | 914169 | Смазочный ниппель | |
| 26 | 965194 | Болт с фланцем | |
| 27 | 979230 | Гайка с фланцем | |
| 28 | 8158756 | Распорка | |
| 28 | 8158756 | Распорка | |
| 29 | 1628449 | Отбойник | |
| 30 | 980015 | Заклепка | |
| 31 | 1608183 | Кронштейн | |
| 31 | 20374917 | Распорка | |
| 31 | 20374918 | Распорка | |
| 31 | 20374919 | Распорка | |
| 32 | 966356 | Болт с фланцем | |
| 33 | 966360 | Болт с фланцем | |
| 33 | 966364 | Болт с фланцем | |
| 33 | 966366 | Болт с фланцем | |
| 33 | 966368 | Болт с фланцем | |
| 34 | 20367752 | Распорка | |
| 34 | 20367753 | Распорка | |
| 35 | 351111 | Резиновый блок | |
| 36 | 946472 | Болт с фланцем | |
| 36 | 946472 | Болт с фланцем | |
| 37 | 966362 | Болт с фланцем | |
| 37 | 966362 | Болт с фланцем | |
| 38 | 979231 | Гайка с фланцем | |
| 38 | 979231 | Гайка с фланцем | |
| 39 | 947359 | Центральный болт | |
| 40 | 20442558 | Кронштейн | |
| 40 | 20442559 | Кронштейн | |
| 40 | 3987103 | Кронштейн | |
| 40 | 3987104 | Кронштейн | |
| 40 | 20410185 | Подпятник | |
| 40 | 20410186 | Подпятник | |
| 41 | 980021 | Заклепка | |
| 42 | 20375014 | Ниппель | |
| 43 | 3172109 | Ниппель |
Содержащиеся в справочниках-каталогах запасные части и детали не предлагаются к продаже, а носят исключительно информационный характер