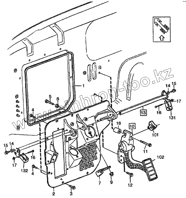
Каталог запасных частей к технике: Volvo FH12. Педаль газа
1
2
3
4
4
5
6
7
8
9
10
11
12
13
14
14
15
15
16
16
17
17
18
101
102
131
132
| Позиция на иллюстрации | Заводской номер детали | Название детали | |
|---|---|---|---|
| 1 | 1629332 | Обрамление | |
| 2 | 8189958 | Панель педалей | |
| 2 | 8189959 | Панель педалей | |
| 3 | 946440 | Болт с фланцем | |
| 3 | 946173 | Болт с фланцем | |
| 4 | 965498 | Запрессованный болт М6х30 | |
| 5 | 8191235 | Установочный болт М8х60 | |
| 6 | 948645 | Гайка с фланцем | |
| 7 | 1628380 | Кронштейн | |
| 8 | 965503 | Болт М8х20 | |
| 9 | 948645 | Гайка с фланцем | |
| 10 | 3175129 | Педаль акселератора | |
| 10 | 3175130 | Педаль акселератора | |
| 11 | 965217 | Болт с фланцем | |
| 12 | 946173 | Болт с фланцем | |
| 13 | 8191256 | Вал | |
| 13 | 8191257 | Вал | |
| 14 | 955893 | Шайба | |
| 15 | 946544 | Болт с фланцем | |
| 16 | [Трубчатая заклепка] | Трубчатая заклепка | |
| 17 | 944602 | Блокирующая прокладка | |
| 18 | 847240 | Распорная втулка | |
| 101 | 3985226 | Потенциометр | |
| 102 | 1699859 | Площадка педали | |
| 131 | 8191255 | Кронштейн | |
| 132 | 8191255 | Кронштейн |
Содержащиеся в справочниках-каталогах запасные части и детали не предлагаются к продаже, а носят исключительно информационный характер