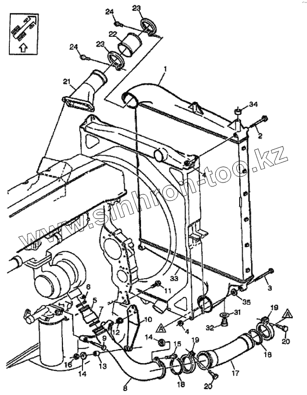
Каталог запасных частей к технике: Volvo FH12. Интеркулер (промежуточный охладитель)
1
2
3
4
4
5
6
7
8
9
10
11
12
13
14
14
15
16
17
18
18
19
19
20
20
21
22
23
23
24
24
31
32
33
34
35
| Позиция на иллюстрации | Заводской номер детали | Название детали | |
|---|---|---|---|
| 1 | 8113220 | Интеркулер | |
| 1 | 3183920 | Интеркулер | |
| 1 | 1665885 | Интеркулер | |
| 1 | 1676631 | Интеркулер | |
| 1 | 8113572 | Интеркулер | |
| 2 | 968553 | Болт с фланцем | |
| 3 | 968893 | Болт с фланцем | |
| 4 | 948645 | Гайка с фланцем | |
| 5 | 1674884 | Промежуточная трубка | |
| 6 | 469509 | Уплотнительное кольцо | |
| 7 | 469508 | Уплотнительное кольцо | |
| 8 | 20440651 | Трубка воздушная | |
| 9 | 968999 | Болт с фланцем | |
| 10 | 3183508 | Кронштейн | |
| 11 | 945444 | Болт с фланцем | |
| 12 | 948645 | Гайка с фланцем | |
| 13 | 1095223 | Распорная втулка | |
| 14 | 3183922 | Шайба | |
| 15 | 973924 | Болт с фланцем | |
| 16 | 948645 | Гайка с фланцем | |
| 17 | 8149800 | Трубка воздушная | |
| 18 | 1675066 | Уплотнительное кольцо | |
| 19 | 1676424 | Хомут | |
| 20 | 949335 | Болт | |
| 21 | 8149634 | Раструб соединения | |
| 22 | 20463924 | Трубка воздушная | |
| 23 | 1676424 | Хомут | |
| 24 | 949335 | Болт | |
| 31 | 960628 | Пробка | |
| 32 | 957173 | Прокладка | |
| 33 | 1674927 | Емкость | |
| 34 | 1676718 | Распорная втулка | |
| 35 | 20354271 | Шайба |
Содержащиеся в справочниках-каталогах запасные части и детали не предлагаются к продаже, а носят исключительно информационный характер