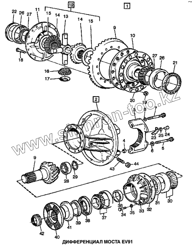
Каталог запасных частей к технике: Volvo FH12. Дифференциал моста EV91
1
2
3
4
5
6
7
8
9
9
9
9
9
9
9
9
9
9
10
11
12
13
14
14
15
15
16
17
18
19
20
21
22
23
24
25
26
26
27
27
28
29
30
31
32
33
34
35
36
37
38
39
40
41
42
43
44
| Позиция на иллюстрации | Заводской номер детали | Название детали | |
|---|---|---|---|
| 1 | 3191876 | Чашка дифференциала | |
| 1 | 3191875 | Чашка дифференциала | |
| 1 | 3191879 | Чашка дифференциала | |
| 1 | 3191877 | Чашка дифференциала | |
| 1 | 3191878 | Чашка дифференциала | |
| 2 | 1069996 | Картер чашки дифференциала | |
| 3 | 1523178 | Крышка | |
| 4 | 310719 | Направляющая втулка | |
| 5 | 1673620 | Болт | |
| 6 | 946304 | Шайба | |
| 7 | 963320 | Болт | |
| 8 | 941912 | Пружинная шайба | |
| 9 | 1523159 | Коронная шестерня/сателлит | |
| 9 | 1524151 | Коронная шестерня/сателлит | |
| 9 | 1524252 | Коронная шестерня/сателлит | |
| 9 | 1524571 | Коронная шестерня/сателлит | |
| 9 | 1524294 | Коронная шестерня/сателлит | |
| 10 | 1524577 | Картер дифференциала | |
| 10 | 1523436 | Картер дифференциала | |
| 11 | 1524670 | Картер дифференциала | |
| 12 | 270581 | Шестерни дифференциала | |
| 13 | [Крестовина] | Крестовина | |
| 14 | [Шестерни дифференциала] | Шестерни дифференциала | |
| 15 | 1523185 | Упорная прокладка | |
| 16 | [Шестерни дифференциала] | Шестерни дифференциала | |
| 17 | 1523186 | Упорная прокладка | |
| 18 | 1524672 | Болт | |
| 18 | 1524673 | Болт | |
| 19 | 981948 | Гайка с фланцем | |
| 20 | 1523183 | Блокирующая пластина | |
| 21 | 1523736 | Регулятор подшипника | |
| 22 | 1523737 | Регулятор подшипника | |
| 23 | 1523734 | Блокирующая пластина | |
| 24 | 949734 | Болт | |
| 25 | 941907 | Пружинная шайба | |
| 26 | 181279 | Колпачок | |
| 27 | 181596 | Конус | |
| 28 | 81241405 | Суппорт подшипника | |
| 29 | 914470 | Стопорное кольцо | |
| 30 | 1523666 | Роликовый подшипник | |
| 31 | 383524 | Масляная пластина | |
| 32 | 1523305 | Регулировочная прокладка | |
| 32 | 1523193 | Регулировочная прокладка | |
| 32 | 1523192 | Регулировочная прокладка | |
| 32 | 1523304 | Регулировочная прокладка | |
| 32 | 1523303 | Регулировочная прокладка | |
| 32 | 1523302 | Регулировочная прокладка | |
| 33 | 1523179 | Втулка | |
| 34 | 968235 | Болт с фланцем | |
| 35 | 941912 | Пружинная шайба | |
| 36 | [Распорная втулка] | Распорная втулка | |
| 36 | 1523237 | Распорная втулка | |
| 36 | 1523236 | Распорная втулка | |
| 36 | 1523234 | Распорная втулка | |
| 36 | 1523233 | Распорная втулка | |
| 36 | 1523232 | Распорная втулка | |
| 36 | 1523624 | Распорная втулка | |
| 36 | 1523623 | Распорная втулка | |
| 37 | 184671 | Подшипник | |
| 38 | 1523239 | Сальник | |
| 39 | 3192514 | Пыльник | |
| 40 | 3152328 | Фланец | |
| 41 | 1672045 | Пыльник | |
| 42 | 8171338 | Блокирующаяся гайка | |
| 43 | 1672212 | Болт | |
| 44 | 1672213 | Гайка |
Содержащиеся в справочниках-каталогах запасные части и детали не предлагаются к продаже, а носят исключительно информационный характер