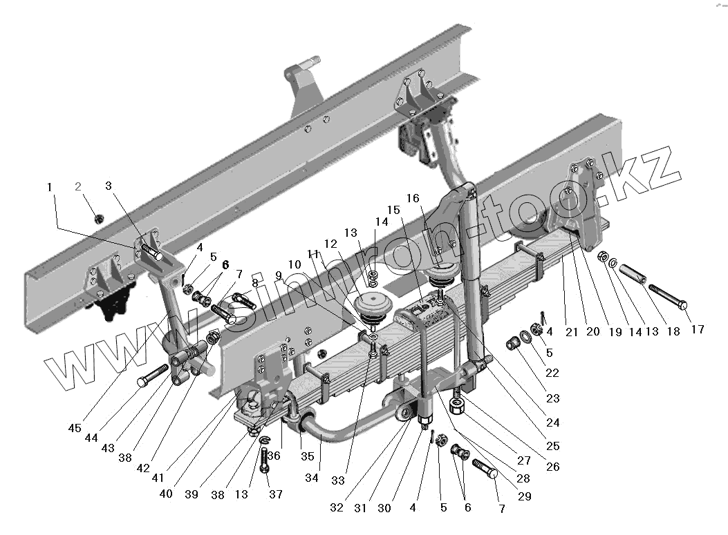
Каталог запасных частей к технике: УралАЗ УРАЛ-63685. Передняя подвеска
1
2
3
4
4
4
5
5
5
6
6
7
7
8
9
10
11
12
13
13
13
14
14
15
16
17
18
19
20
21
22
23
24
25
26
27
28
29
30
31
32
33
34
35
36
37
38
38
39
40
41
42
43
44
45
| Позиция на иллюстрации | Заводской номер детали | Название детали | |
|---|---|---|---|
| 1 | 6363-2906056 | Кронштейн стабилизатора передний верхний | |
| 2 | 251648-П29 | Гайка М14х1,5-6Н | |
| 3 | 330009-П29 | Болт М14х1,5х39 | |
| 4 | 258054-П29 | Шплинт 4х32 | |
| 5 | 6361-2905130 | Гайка | |
| 6 | 6364-2906079 | Втулка стабилизатора | |
| 7 | 6364-2916026 | Палец стабилизатора | |
| 8 | 330032 | Болт М14х1,5-6gх60 | |
| 9 | 336052-П29 | Шайба 35х17х3,5 | |
| 10 | 6363-2902635 | Втулка | |
| 11 | 5320-2902624 | Буфер передней рессоры | |
| 12 | 6363-2902632 | Чашка | |
| 13 | 252139-П2 | Шайба 16 | |
| 14 | 250560-П29 | Гайка М16х1,5-6Н | |
| 15 | 6363-2902412 | Накладка передней рессоры | |
| 16 | 6363-2902634 | Шайба | |
| 17 | 332722 | Болт М16-6gх160 | |
| 18 | 6363-2902448 | Втулка распорная | |
| 19 | 6363-2902430 | Упругий элемент | |
| 20 | 6363-2902449 | Опора рессоры | |
| 21 | 6364-2902012 | Рессора передняя с ушком | |
| 22 | 336448 | Шайба | |
| 23 | 5557-2905410 | Втулка головки амортизатора | |
| 24 | 332735 | Болт М16-6gх78 | |
| 25 | А1-325/500.2905006 | Амортизатор | |
| 26 | 6364-2902409 | Стремянка передней рессоры задняя | |
| 27 | 334932-П29 | Гайка М22х2,5 | |
| 28 | 6363-2905004 | Кронштейн амортизатора нижний правый с пальцем | |
| 29 | 6363-2905005 | Кронштейн амортизатора нижний левый с пальцем | |
| 30 | 6364-2902408 | Стремянка передней рессоры передняя | |
| 31 | 6363-2906040 | Кронштейн стабилизатора нижний правый | |
| 32 | 6363-2906041 | Кронштейн стабилизатора нижний левый | |
| 33 | 332682 | Болт | |
| 34 | 6364-2906016 | Стабилизатор | |
| 35 | 6364-2916040 | Втулка стабилизатора | |
| 36 | В75.Ц6.хр | Кольцо В75.Ц6.хр (ГОСТ 13940-86) | |
| 37 | 6363-2902459 | Болт | |
| 38 | 4320Х-2902458 | Шайба | |
| 39 | 6363-2902450 | Крышка переднего кронштейна рессоры | |
| 40 | 6363-2902445 | Кронштейн передней рессоры передний левый | |
| 41 | 6363-2902444 | Кронштейн передней рессоры передний правый | |
| 42 | 251649-П29 | Гайка М16х1,5-6Н | |
| 43 | 6363-2906450 | Крышка фиксатора стабилизатора | |
| 44 | 332703-П29 | Болт М16х1,5х115 | |
| 45 | 6363-2906058 | Стойка стабилизатора |
Содержащиеся в справочниках-каталогах запасные части и детали не предлагаются к продаже, а носят исключительно информационный характер