Вернуться на главную
Поиск
Каталоги запчастей к технике
Грузовые автомобили и прицепы
УралАЗ
УРАЛ-5557-40
Механизм рулевой 5557Я3-3400020
Каталог запасных частей к технике: УралАЗ УРАЛ-5557-40. Механизм рулевой 5557Я3-3400020
zoom-in
zoom-out
enlarge
shrink
circle-right
circle-left
file-text2
info
cart
Тип техники
Не выбрано
Легковые автомобили
Грузовые автомобили и прицепы
Автобусы
Сельхозтехника
Спецтехника
Двигатели
Мототехника
Марка
Не выбрано
BAW
DAF
DongFeng
FAW
Foton
HOWO
Hyundai
IVECO
JAC Motors
LGMG
MAN
Shaanxi
SITRAK
Studebaker
Tata
Volvo
Автокомпонент Плюс
БелАЗ
Брянский Арсенал
ГАЗ
ЗИЛ
КАЗ
Камский автозавод
КрАЗ
Мадара
МАЗ
МЗКТ
МоАЗ
Нефтекамский автозавод
Ставропольский Завод АвтоПрицепов
ТАТРА
Тонар
УралАЗ
ЧМЗАП
Модель
Не выбрано
4320-0006982-74 (NEXT) (2017)
УРАЛ-375
УРАЛ-4320
УРАЛ-4320 (1981)
УРАЛ-4320-0971-58 (2010)
УРАЛ-4320-1151-59 (2010)
УРАЛ-4320-1951-58 (2010)
УРАЛ-4320-1958-70И (2012)
УРАЛ-4320-31
УРАЛ-4320-31
УРАЛ-4320-41
УРАЛ-4320-60 (2013)
УРАЛ-4320-61 (2013)
УРАЛ-4320-6951-74 (2015)
УРАЛ-4320-80М/82М (2015)
УРАЛ-43202
УРАЛ-43203-10
УРАЛ-43204-1111-70 (2012)
УРАЛ-43204-1153-70 (2012)
УРАЛ-43206-41
УРАЛ-4420 (1981)
УРАЛ-44202-0511-58 (2010)
УРАЛ-44202-3511-80 (2012)
УРАЛ-44202-3511-80 (2013)
УРАЛ-44202-3511-80М (2015)
УРАЛ-532301
УРАЛ-532361 (2015)
УРАЛ-5557
УРАЛ-5557-31 (2010)
УРАЛ-5557-40
УРАЛ-55571-1121-70 (2011)
УРАЛ-55571-30 (2010)
УРАЛ-55571-40 (2010)
УРАЛ-63674
УРАЛ-63685
УРАЛ-6370-1121 (2011)
УРАЛ-6370-1151 (2011)
УРАЛ-63704 (2011)
Схема
>
Не выбрано
Кабина в сборе
Уплотнители рычагов и коврики пола кабины
Стеклоочиститель и его привод
Омыватель ветрового стекла
Двери кабины
Ручки двери
Стеклоподъемник
Замок двери
Сиденья водителя и пассажиров
Вентиляция и отопление кабины
Трубопроводы системы отопления кабины
Облицовка радиатора
Оперение автомобиля
Установка правой и левой подножек
Платформа с тентом
Платформа
Надставные борта платформы
Механизм закрывания боковых бортов платформы и трубопроводы
Гидроцилиндр закрывания боковых бортов платформы
Надрамник
Агрегаты самосвальной установки
Трубопроводы и шланги самосвальной установки
Панель управления с кранами
Установка гидроцилиндра подъема платформы, ограничительный клапан
Ограничительный клапан
Гидроцилиндр подъема платформы
Кран управления закрыванием боковых бортов
Кран управления
Гидрораспределитель
Масляный бак, фильтры и сапун
Левый корпус разрывной муфты
Правый корпус разрывной муфты
Подвеска двигателя
Вентиляция картера
Установка агрегатов системы предпускового подогрева
Трубы и шланги системы предпускового подогрева
Котел предпускового подогревателя
Нагнетатель насосного агрегата
Топливный насос насосного агрегата
Основной топливный бак
Трубопроводы и шланги системы питания
Привод акселератора
Тяга ручного останова двигателя
Воздухопровод с воздушным фильтром
Система выпуска газов
Радиатор системы охлаждения
Расширительный бачок
Привод педалей сцепления и тормоза с пневмогидроуправлением
Пневмопривод выключения сцепления
Установка бачка привода сцепления
Цилиндр гидравлический
Установка рычага переключения передач коробки передач
Картер и подвеска раздаточной коробки
Первичный вал раздаточной коробки
Промежуточный вал раздаточной коробки и привод спидометра
Вал привода переднего моста, дифференциал и вал привода заднего моста раздаточной коробки
Управление и механизм переключения раздаточной коробки
Карданная передача
Карданный вал переднего моста
Карданный вал заднего моста
Промежуточный карданный вал
Карданный вал среднего моста
Картер переднего моста
Передний мост
Дифференциал переднего моста
Картер заднего (среднего) моста
Редуктор главной передачи
Дифференциал и полуоси среднего и заднего моста
Привод блокировки межколесных дифференциалов
Механизм включения блокировки дифференциала
Проходной вал редуктора главной передачи
Рама автомобиля
Передний буфер и буксирные крюки
Передняя подвеска
Передняя рессора
Задняя балансирная подвеска
Задняя рессора
Ось задней балансирной подвески
Реактивная штанга
Колесо и шина
Ступица колеса и тормозной барабан переднего и заднего моста (с АБС)
Ступица колеса и тормозной барабан среднего моста (Устанавливается на все мосты без АБС)
Рулевое управление
Рулевой механизм
Клапан управления усилительным механизмом
Колесо и вал рулевого управления
Усилительный механизм
Насос гидроусилителя руля
Бак масляный рулевого механизма
Тяга рулевой трапеции
Тяга сошки рулевого управления
Рулевое управление с рулевым механизмом 5557Я3-3400020
Механизм рулевой 5557Я3-3400020 с распределителем
Механизм рулевой 5557Я3-3400020
Распределитель гидроусилителя рулевого механизма 5557Я3-3400020
Рабочий тормоз
Установка усилителей тормозов и модуляторов
Пневматический усилитель с главным тормозным цилиндром
Стояночный тормоз
Привод стояночного тормоза и управление краном торможения прицепа
Установка компрессора
Блок-картер компрессора
Головка и поршень компрессора
Установка агрегатов гидропневматического привода рабочих тормозов (АБС)
Трубопроводы и шланги гидропневматического привода рабочих тормозов
Крепление трубопроводов и шлангов гидропневматического привода рабочих тормозов
Установка воздушных баллонов
Установка тормозного крана
Установка тройного защитного клапана
Установка клапана прицепа с защитным клапаном
Установка крана управления
Установка крестовины разбора воздуха
Установка влагомаслоотделителя со встроенным регулятором давления
Установка соединительных головок
Установка буксирного клапана
Установка регулятора тормозных сил
Установка двухмагистрального клапана
Вспомогательный тормоз
Система вспомогательного тормоза
Установка клапана с трубками
Пневматические цилиндры вспомогательного тормоза
Рабочий тормоз без АБС
Установка пневматических усилителей с главными тормозными цилиндрами
Установка агрегатов гидропневматического привода рабочих тормозов без АБС
Трубопроводы и шланги гидропневматического привода рабочих тормозов без АБС
Крепление трубопроводов и шлангов гидропневматического привода рабочих тормозов без АБС
Установка воздушных баллонов без АБС
Установка тройного защитного клапана без АБС
Схема электрооборудования
Фара
Фара-прожектор
Фонарь передний
Установка фонаря знака автопоезда, габаритного и бокового повторителя
Установка выключателя зажигания на рулевой колонке
Установка электрического сигнала
Установка аккумуляторных батарей
Установка задних осветительных приборов
Панель приборов
Буксирный прибор
Коробка отбора мощности
Коробка дополнительного отбора мощности
Установка пневмоуправления ДОМ, БМКД
Кран пневмоуправления
Система регулирования давления воздуха в шинах
Установка крана управления давлением
Кран управления давлением
Установка инструментального ящика и масляного бака
Уплотнение трубопроводов
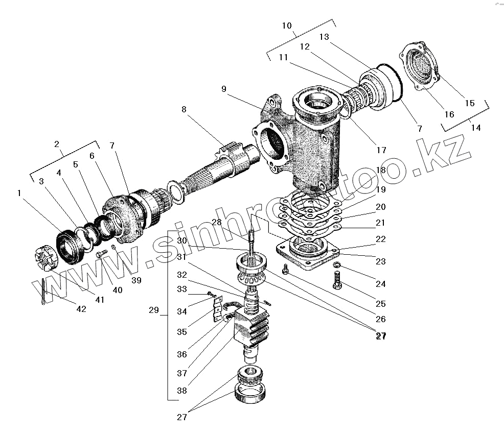
1
2
3
4
5
6
7
7
8
9
10
11
12
13
14
15
16
17
18
19
20
21
22
23
24
25
26
27
27
28
29
30
31
32
33
34
35
36
37
38
39
40
41
42
Позиция на иллюстрации
Заводской номер детали
Название детали
1
64221-3401066
Уплотнитель
2
5336-3401080
Крышка в сборе
3
400424
Кольцо А65
4
5336-3401108
Кольцо защитное
5
1.2-45х65-3
Манжета
6
5336-3401083
Крышка
7
098-102-25-2-3
Кольцо
8
5336-3401065-02
Сектор
9
5336-3401015
Картер
10
5336-3401086-20
Крышка в сборе
11
6422-3401122-20
Втулка
12
6-ИК8-45х55х16
Подшипник роликовый
13
6422-3401084-10
Вкладыш
14
5336-3401086
Крышка в сборе
15
5336-3401159
Фиксатор
16
5336-3401087
Крышка
17
5336-3401156
Кольцо
18
5336-3401185
Прокладка
19
5336-3401186
Прокладка
20
5336-3401187
Прокладка
21
5336-3401188
Прокладка
22
082-090-46-2-3
Кольцо
23
5336-3401061
Крышка нижняя
24
252137-П2
Шайба 12 пружинная
25
371700
Болт М12х1,25х30
26
2-2 МК10
Пробка МК10
27
263706Е
Подшипник роликовый
28
008-012-25-2-3
Кольцо
29
5336-3401030
Винт с гайкой
30
5336-3401148
Торсион
31
5336-3401038
Винт
32
5336-3401162
Фиксатор торсиона
33
220101-П29
Винт М6-6gх8
34
252134-П2
Шайба 6 пружинная
35
5336-3401057
Прижим
36
5336-3401056
Направляющая
37
7,938-40
Шарик
38
5336-3401036
Гайка-рейка
39
252156-П2
Шайба 10 пружинная
40
201497-П29
Болт М10-6gх25
41
335065-П29
Гайка М33х1,5
42
4 598 711 226
Шплинт 5х63
Содержащиеся в справочниках-каталогах запасные части и детали не предлагаются к продаже, а носят исключительно информационный характер
Дополнительная информация
×
Название:
Номер:
Примечание: