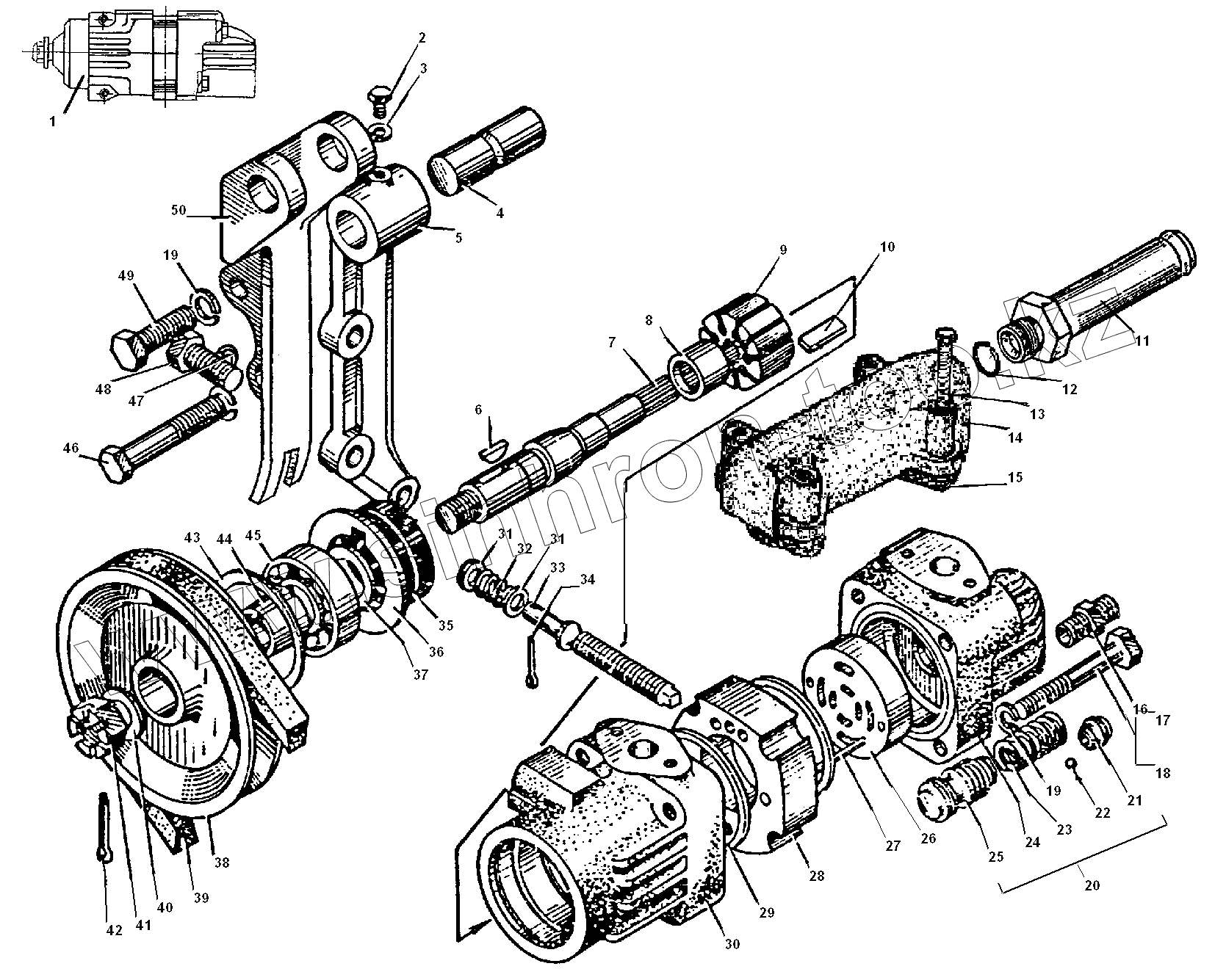
Каталог запасных частей к технике: УралАЗ УРАЛ-5557-31. Усилительный механизм
1
2
3
4
5
6
7
8
9
10
11
12
13
14
15
16
17
18
19
19
20
21
22
23
24
25
26
27
28
29
30
32
33
34
35
36
37
38
39
40
41
42
43
44
45
46
47
48
49
50
| Позиция на иллюстрации | Заводской номер детали | Название детали | |
|---|---|---|---|
| 1 | 256Б-3407199-01 | Насос гидроусилителя руля | |
| 2 | 201416-П29 | Болт М6-6gх12 | |
| 3 | 252134-П2 | Шайба 6 пружинная | |
| 4 | 5557Я-3407097 | Ось кронштейнов | |
| 5 | 5557Я-3407096 | Кронштейн подвижный | |
| 6 | 853803 | Шпонка сегментная 5х7,5 | |
| 7 | 130-3407217 | Валик насоса | |
| 8 | 154901Е | Подшипник роликовый игольчатый | |
| 9 | 5320-3407248 | Ротор насоса | |
| 10 | 5320-3407251 | Лопасть насоса | |
| 11 | 5557Я2-3407435-10 | Штуцер коллектора с трубкой | |
| 12 | 018-022-25-2-2 | Кольцо уплотнительное | |
| 13 | 201425-П29 | Болт М6-6gх32 | |
| 14 | 5557Я-3407436-10 | Корпус коллектора | |
| 15 | 5557Я-3407437 | Прокладка уплотнительная | |
| 16 | 43205-3407295 | Штуцер | |
| 17 | 200323-П29 | Болт М10-6gх70 | |
| 18 | 301512-П29 | Болт | |
| 19 | 252136-П2 | Шайба 10 пружинная | |
| 20 | 256Б-3407212 | Крышка насоса с предохранительным клапаном | |
| 21 | 5320-3407277 | Седло предохранительного клапана | |
| 22 | 864712 | Шарик 3,969-60 | |
| 23 | 130-3407281 | Пружина перепускного клапана | |
| 24 | 256Б-3407213 | Крышка насоса | |
| 25 | 130-3407270-А | Клапан перепускной насоса гидроусилителя руля в сборе | |
| 26 | 130-3407255 | Диск насоса распределительный | |
| 27 | 853757 | Штифт установочный | |
| 28 | 5320-3407253 | Статор насоса | |
| 29 | 130-3407252 | Кольцо корпуса и крышки насоса уплотнительное | |
| 30 | 130-3407211 | Корпус насоса | |
| 32 | 5557Я-3407099 | Пружина | |
| 33 | 5557Я-3407098 | Винт регулировочный | |
| 34 | 258039-П29 | Шплинт 3,2х20 | |
| 35 | 309777 | Манжета 24х46 насоса | |
| 36 | 130-3407059-А | Проставка | |
| 37 | 305811 | Шайба | |
| 38 | 5557Я-3407040-01 | Шкив насоса гидроусилителя руля | |
| 39 | 503-3407209 | Ремень П-14х10 | |
| 40 | Шайба16 | Вырубленная шайба 16 | |
| 41 | 250979-П29 | Гайка М16х1,5 | |
| 42 | 45 9871 9068 | Шплинт 4х32 | |
| 43 | 307702 | Кольцо упорное | |
| 44 | 130-3407247 | Втулка шкива насоса | |
| 45 | 306610 | Шарикоподшипник | |
| 46 | 200327-П29 | Болт М10-6gх90 | |
| 47 | 252137-П2 | Шайба 12 пружинная | |
| 48 | 201543-П29 | Болт М12-6gх38 | |
| 49 | 201499-П29 | Болт М10-6gх30 | |
| 50 | 5557Я-3407095 | Кронштейн неподвижный |
Содержащиеся в справочниках-каталогах запасные части и детали не предлагаются к продаже, а носят исключительно информационный характер