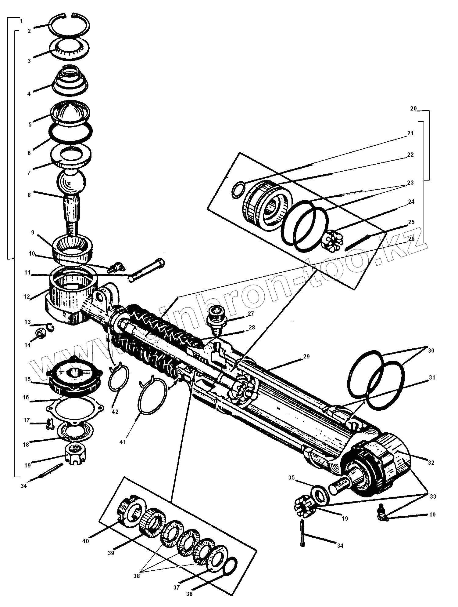
Каталог запасных частей к технике: УралАЗ УРАЛ-55571-30. Усилительный механизм
1
2
3
4
5
6
7
8
9
10
10
11
12
13
14
15
16
17
18
19
19
20
21
22
23
24
25
26
27
28
29
30
31
32
33
34
34
35
36
37
38
39
40
41
42
| Позиция на иллюстрации | Заводской номер детали | Название детали | |
|---|---|---|---|
| 1 | 4322-3405060 | Наконечник штока в сборе | |
| 2 | 375-3003122 | Кольцо стопорное | |
| 3 | 375-3003129 | Заглушка | |
| 4 | 375-3003128 | Пружина | |
| 5 | 4320-3414085 | Обойма пружины | |
| 6 | 4320-3414127-01 | Уплотнитель | |
| 7 | 375-3003059 | Вкладыш нижний | |
| 8 | 375-3003065 | Палец шаровой | |
| 9 | 375-3003058-10 | Вкладыш верхний | |
| 10 | 264040-П29 | Масленка 2.3.90.01 в сборе | |
| 11 | 200367-П29 | Болт М12-6gх45 | |
| 12 | 4322-3405061 | Наконечник штока | |
| 13 | 252137-П2 | Шайба 12 пружинная | |
| 14 | 250514-П29 | Гайка М12-6Н | |
| 15 | 4320-3414076-01 | Муфта защитная в сборе | |
| 16 | 4320-3414078 | Накладка муфты | |
| 17 | 4320-3414081 | Винт М8х12 | |
| 18 | 4320-3414095 | Шайба | |
| 19 | 334837-П29 | Гайка М18х1,5 | |
| 20 | 375-3405030-10 | Шток с поршнем в сборе | |
| 21 | 375-3405041 | Полукольцо штока | |
| 22 | 375-3405037-01 | Поршень | |
| 23 | 060-070-58-2-2 | Кольцо уплотнительное | |
| 24 | 334933-П29 | Гайка М22х1,5 | |
| 25 | 258053-П29 | Шплинт 4х25 | |
| 26 | 375-3405046 | Шток | |
| 27 | 375-3407603-Б | Штуцер | |
| 28 | 375-3405051-01 | Муфта защитная штока | |
| 29 | 375-3405013 | Цилиндр гидроусилителя с крышкой и втулкой в сборе | |
| 30 | 375-3405084 | Кольцо уплотнительное | |
| 31 | 375-3405081 | Гайка наконечника | |
| 32 | 4322-3405076 | Наконечник цилиндра | |
| 33 | 4322-3405075 | Наконечник цилиндра в сборе | |
| 34 | 258054-П29 | Шплинт 4х32 | |
| 35 | 336024-П29 | Шайба 19 | |
| 36 | 022-028-36-1-2 | Кольцо уплотнительное ушка | |
| 37 | КО-22х42-2 | Кольцо опорное КО-22х42-2 | |
| 38 | М22х42-2 | Манжета М22х42-2 | |
| 39 | 375-3405050 | Кольцо нажимное в сборе | |
| 40 | 335058-П29 | Гайка М45х1,5 | |
| 41 | 339946-П2 | Хомут | |
| 42 | 339945-П2 | Хомут |
Содержащиеся в справочниках-каталогах запасные части и детали не предлагаются к продаже, а носят исключительно информационный характер