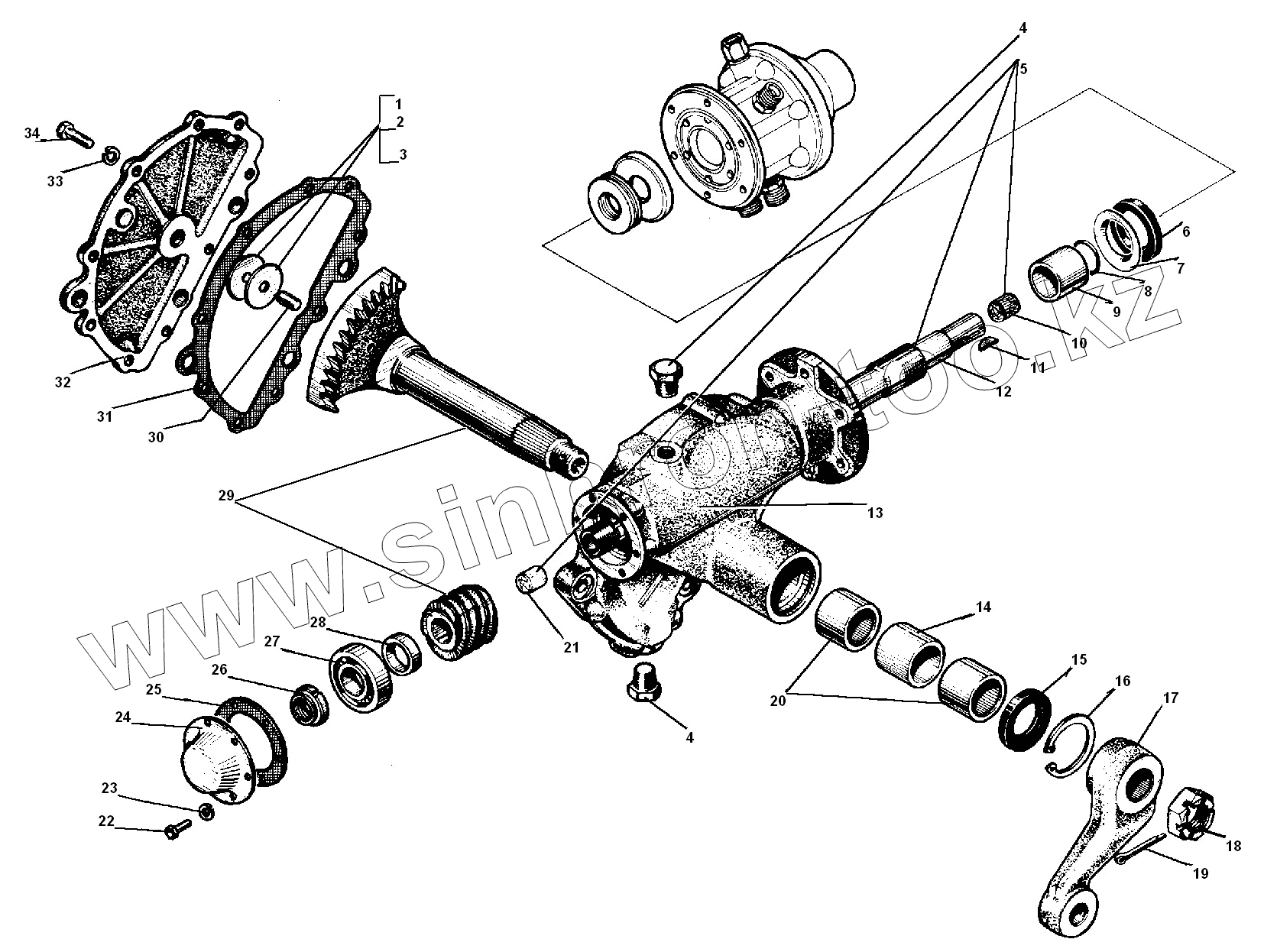
Каталог запасных частей к технике: УралАЗ УРАЛ-55571-30. Рулевой механизм
1
2
3
4
4
5
6
7
8
9
10
11
12
13
14
15
16
17
18
19
20
21
22
23
24
25
26
27
28
29
30
31
32
33
34
| Позиция на иллюстрации | Заводской номер детали | Название детали | |
|---|---|---|---|
| 1 | 4320-3401065 | Шайба регулировочная | |
| 2 | 4320-3401077 | Шайба регулировочная | |
| 3 | 375-3401079 | Шайба регулировочная толщиной 0,15мм | |
| 4 | 338765 | Пробка К3/8" | |
| 5 | 4320Я-3401040 | Вал рулевого управления в сборе | |
| 6 | 375-3401150-10 | Манжета 4,5х70-10 в сборе | |
| 7 | 375-3401167 | Шайба упорная | |
| 8 | 035-040-36-2-2 | Кольцо уплотнительное | |
| 9 | 375-3401123-10 | Кольцо | |
| 10 | 375-3401045 | Заглушка | |
| 11 | 260415 | Шпонка 5х8 сегментная | |
| 12 | 4320Я-3401041 | Вал рулевого механизма | |
| 13 | 375-3401015-14 | Картер рулевого механизма | |
| 14 | 375-3401085-А | Втулка распорная | |
| 15 | 2.2-45х70-1 | Манжета 45х70-10 (2.2-45х70-1) | |
| 16 | 339298 | Кольцо стопорное | |
| 17 | 5557Я2-3401090 | Сошка рулевого управления | |
| 18 | 335065-П29 | Гайка М33х1,5 | |
| 19 | 258073 | Шплинт 5х60 | |
| 20 | 943 | Подшипник игольчатый | |
| 21 | 375-3401042 | Заглушка | |
| 22 | 201417-П29 | Болт М6-6gх14 | |
| 23 | 252134-П2 | Шайба 6 пружинная | |
| 24 | 375-3401061-А | Крышка картера нижняя | |
| 25 | 375-3401058-01 | Прокладка нижней крышки | |
| 26 | 375-3401132-01 | Гайка | |
| 27 | 2306КМ | Роликовый цилиндрический червячного вала руля | |
| 28 | 375-3401122 | Кольцо упорное | |
| 29 | 200-3401037 | Червяк и сектор рулевого управления | |
| 30 | 375-3401074 | Шпилька червячного сектора | |
| 31 | 375-3401084-02 | Прокладка | |
| 32 | 375-3401080-20 | Крышка картера боковая в сборе | |
| 33 | 252136-П2 | Шайба 10 пружинная | |
| 34 | 331472-П29 | Болт М10х25 |
Содержащиеся в справочниках-каталогах запасные части и детали не предлагаются к продаже, а носят исключительно информационный характер