Каталог запасных частей к технике: УралАЗ УРАЛ-55571-30. Кран управления
1
2
2
3
3
4
4
5
5
5
5
6
7
7
8
8
9
10
10
11
12
12
13
14
14
15
16
17
18
19
20
21
22
23
24
25
26
27
28
29
30
31
32
33
35
37
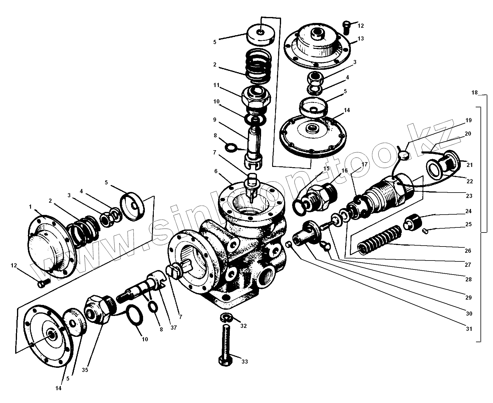
| Позиция на иллюстрации | Заводской номер детали | Название детали | |
|---|---|---|---|
| 1 | 5511-8607024 | Крышка | |
| 2 | 5511-8607054 | Пружина | |
| 3 | 250617-П29 | Гайка М10х1,25-6Н | |
| 4 | 252156-П2 | Шайба 10 пружинная | |
| 5 | 5511-8607038 | Шайба | |
| 6 | 5511-8607060 | Корпус | |
| 7 | 5511-86070431 | Клапан | |
| 8 | 012-016-25-2-2 | Кольцо уплотнительное ГОСТ 9833-73 | |
| 9 | 5511-8607029 | Толкатель | |
| 10 | 024-029-30-2-2 | Кольцо уплотнительное ГОСТ 9833-73 | |
| 11 | 5511-8607032 | Штуцер | |
| 12 | 201417-П29 | Болт М6-6gх14 | |
| 13 | 5511-8607020 | Крышка в сборе | |
| 14 | 5511-8607040 | Диафрагма | |
| 15 | 021-025-25-2-2 | Кольцо | |
| 16 | 5511-8607033 | Штуцер | |
| 17 | 027-033-36-2-2 | Кольцо уплотнительное ГОСТ 9833-73 | |
| 18 | 5511-8607070 | Клапан предохранительный | |
| 19 | 864910 | Пломба | |
| 20 | 258224-П29 | Шплинт-проволока 0,8х150 | |
| 21 | 5511-8607081 | Пробка | |
| 22 | 1-02795-60 | Прокладка 22х28х1 | |
| 23 | 5511-8607074 | Стакан пружины | |
| 24 | 5511-8607022 | Пробка | |
| 25 | 5511-8607082 | Штифт | |
| 26 | 5511-8607023 | Пружина | |
| 27 | 5511-8607079 | Тарелка | |
| 28 | 5511-8607078 | Клапан | |
| 29 | 5511-8607083 | Штифт | |
| 30 | 5511-8607076 | Втулка направляющая | |
| 31 | 5511-8607077 | Пробка | |
| 32 | 252155-П2 | Шайба 8 пружинная | |
| 33 | 201469-П29 | Болт М8-6gх55 | |
| 35 | 5511-8607031 | Штуцер | |
| 37 | 5511-8607028 | Толкатель |
Содержащиеся в справочниках-каталогах запасные части и детали не предлагаются к продаже, а носят исключительно информационный характер