Каталог запасных частей к технике: УралАЗ УРАЛ-55571-1121-70. Установка пневмогидравлических усилителей тормозов
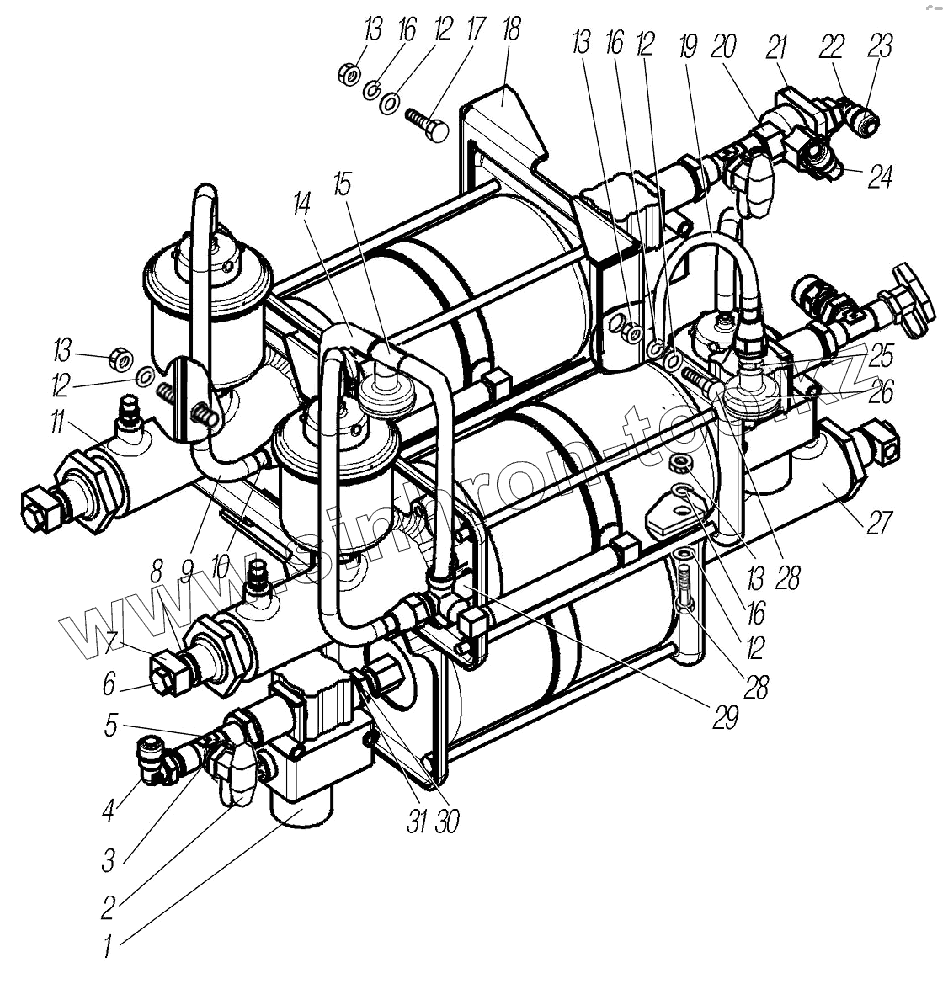
1
2
3
4
5
6
7
8
9
10
11
12
12
12
12
13
13
13
13
14
15
16
16
16
17
18
19
20
21
22
23
24
25
26
27
28
28
29
30
31
| Позиция на иллюстрации | Заводской номер детали | Название детали | |
|---|---|---|---|
| 1 | 4721920180 | Модулятор ABC SMV | |
| 2 | 100-3515310-10 | Клапан контрольного вывода | |
| 3 | 5323-3506054 | Прокладка | |
| 4 | D650210-М16х1,5-S | Угольник | |
| 5 | D2072М16х1,5-М22Х1,5 | Тройник | |
| 6 | 51-3506012 | Болт соединительный | |
| 7 | 4320-3506002 | Муфта соединительная | |
| 8 | 4320-3506054 | Прокладка | |
| 9 | 375-4245043-10 | Шланг соединительный | |
| 10 | 5323-4712164 | Трубка от бачка в сборе | |
| 11 | 55571П-3510011 | Усилитель тормоза пневматический | |
| 12 | 252007-П29 | Шайба 12 | |
| 13 | 250514-П29 | Гайка М12-6Н | |
| 14 | 4320Ф-4712057-10 | Трубка выводная пневмоусилителей | |
| 15 | 4320П-4712140 | Тройник | |
| 16 | 252137-П2 | Шайба 12 пружинная | |
| 17 | 200367-П29 | Болт М12-6gх45 | |
| 18 | 4320Б-3510095 | Кронштейн усилителей | |
| 19 | 4320Б-4712054 | Трубка герметизации пневмоусилителей | |
| 20 | 339545-П | Штуцер | |
| 21 | 100-3562010 | Клапан двухмагистральный | |
| 22 | D2022М16хМ22х1,5 | Фитинг угловой | |
| 23 | DS65106-М16х1,5-S | Фитинг прямой | |
| 24 | D650210-М22х221.5-S | Фитинг угловой | |
| 25 | 339947 | Штуцер М16х1,5-М20х1,5 | |
| 26 | 4320Ф-4712130 | Глушитель шума в сборе | |
| 27 | 4320Б-3510011 | Усилитель тормоза пневматический | |
| 28 | 201541-П29 | Болт М12-6gх32 | |
| 29 | ВК503-3710-0 | Выключатель сигнализации | |
| 30 | 334161 | Штуцер | |
| 31 | 4320-3514023 | Прокладка |
Содержащиеся в справочниках-каталогах запасные части и детали не предлагаются к продаже, а носят исключительно информационный характер