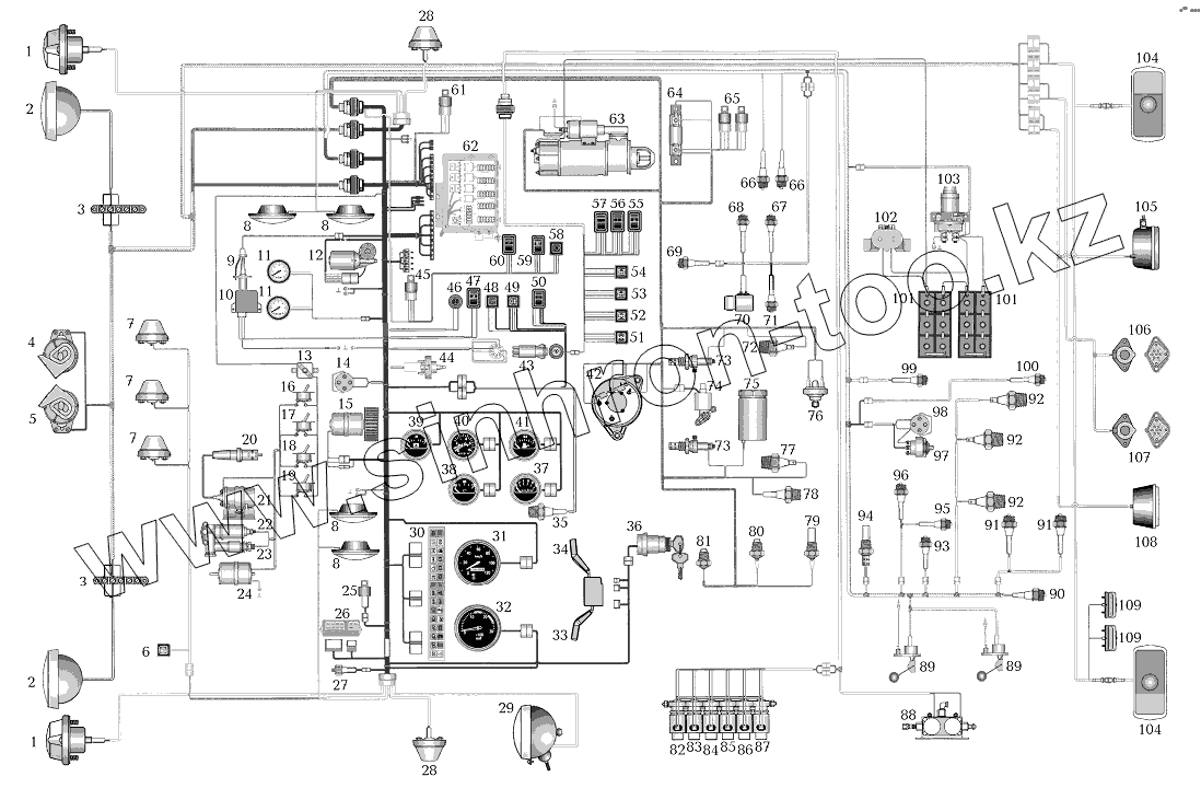
Каталог запасных частей к технике: УралАЗ УРАЛ-532361. Монтажная схема электрооборудования
1
1
2
2
3
3
4
5
6
7
7
7
8
8
8
8
9
10
11
11
12
13
14
15
16
17
18
19
20
21
22
23
24
25
26
27
28
28
29
30
31
32
33
34
35
36
37
38
39
40
41
42
42
43
44
45
46
47
48
49
50
51
52
53
54
55
56
57
58
59
60
61
62
63
63
64
65
66
66
67
68
69
70
71
72
73
73
74
75
76
77
78
79
80
81
82
83
84
85
86
87
88
89
89
90
91
91
92
92
92
93
94
95
96
97
98
99
100
101
101
101
102
103
104
104
105
106
107
108
109
109
| Позиция на иллюстрации | Заводской номер детали | Название детали | |
|---|---|---|---|
| МНЭ-100/28БМ | МНЭ-100/28БМ | Молекулярный накопитель энергии | |
| 1 | ПФ133АБ-3712010 | Фонарь передний (позиция 1) | |
| 2 | 401.3711010 | Фара | |
| 3 | 14.3723000 | Панель соединительная | |
| 4 | 24.3721010 | Сигнал звуковой низкого тона | |
| 5 | 241.3721010 | Сигнал звуковой высокого тона | |
| 6 | 3842.3710-02.38М | Выключатель фонарей знака автопоезда | |
| 7 | 2512.3726010 | Фонарь знака автопоезда | |
| 8 | ПТ-37-3МУХЛ2 | Плафон | |
| 9 | 22.5208010-01 | Омыватель | |
| 10 | 6312.3747000 | Реле демультипликатора | |
| 11 | 2411.3830010 | Указатель давления системы подкачки шин | |
| 12 | YХYG013 | Стеклоочиститель электрический | |
| 13 | 291.3722000 | Предохранитель биметаллический | |
| 14 | 47К | Розетка | |
| 15 | Электродвигатель | Электродвигатель отопителя кабины | |
| 16 | ВН45М | Выключатель клапана электромагнитного | |
| 17 | 4602.3710010 | Выключатель | |
| 18 | 4602.3710010 | Выключатель | |
| 19 | ВН45М | Выключатель клапана электромагнитного | |
| 20 | СН423-3707000 | Свеча подогревателя | |
| 21 | 9301.3734010 | Источник высокого напряжения | |
| 22 | Нагреватель | Нагреватель топлива | |
| 23 | ПЖД30-1015500-04 | Клапан электромагнитный с форсункой и электронагревателем в сборе | |
| 24 | МЭ252-3730000 | Электродвигатель подогревателя | |
| 25 | 733.3747000-10 | Зуммер | |
| 26 | РС951А-3726010-У-ХЛ | Реле прерывателя указателей поворотов (457374655) | |
| 27 | ВК12Б-02 | Выключатели пневматические сигнала торможения | |
| 28 | 2512.3726010 | Фонарь знака автопоезда | |
| 29 | 171.3711010 | Фара-прожектор | |
| 30 | ФГ8047-2 | Панель сигнальная | |
| 31 | ПА8046-4П | Спидометр | |
| 32 | 6201.3813010 | Тахометр электронный | |
| 33 | 1102.3769-02 | Переключатель указателей поворота | |
| 34 | 9902.3709-01 | Переключатель | |
| 35 | 2802.3829010 | Выключатель звуковых сигналов | |
| 36 | ВК353-3704000-0 | Выключатель приборов и стартера (позиция 52) | |
| 37 | 33.3810010 | Указатель давления в системе смазки двигателя | |
| 38 | 36.3807010 | Указатель температуры | |
| 39 | 11.3812010 | Указатель напряжения | |
| 40 | 1921.3830010 | Манометр двухстрелочный | |
| 41 | 34.3806010 | Указатель уровня топлива | |
| 42 | 4002.3737В-80 | Генератор | |
| 42 | 4002.3771В-80 | Генератор | |
| 43 | 245.3710000-01 | Выключатель аварийной сигнализации | |
| 44 | ВК416Б-3709000-02 | Выключатель света щитка приборов с реостатом | |
| 45 | 751.3777 | Реле | |
| 46 | 21.3737000-10 | Выключатель «массы» | |
| 47 | 82.3709000-26.10 | Переключатель датчиков топливных баков | |
| 48 | 3842.3710-11.36М | Выключатель ЭФУ | |
| 49 | 3842.3710-11.04М | Выключатель задних противотуманных огней | |
| 50 | 82.3709000-24.33 | Переключатель наружного освещения | |
| 51 | 3842.3710-02.30М | Выключатель КОМ | |
| 52 | 3842.3710-02.30М | Выключатель КОМ | |
| 53 | 3842.3710-02.29М | Выключатель межосевой блокировки | |
| 54 | 3842.3710-02.28М | Выключатель межколёсной блокировки | |
| 55 | 82.3709000-26.00 | Переключатель управления самосвальной установкой | |
| 56 | 82.3709000-26.00 | Переключатель управления самосвальной установкой | |
| 57 | 82.3709000-26.00 | Переключатель управления самосвальной установкой | |
| 58 | 3842.3710-02.05М | Выключатель фары-прожектора | |
| 59 | 82.3709000-25.09 | Переключатель муфты вентилятора | |
| 60 | 82.3709000-30.12 | Переключатель плафонов | |
| 61 | 4712.3787010 | Реле блокировки стартера | |
| 62 | Блок | Блок управления отопителем | |
| 63 | 2562.3708-30 | Стартер | |
| 63 | 2562.3708-40 | Стартер | |
| 64 | 12.3741000 | Резистор добавочный с электротермическим реле | |
| 65 | 751.3777 | Реле | |
| 66 | ВК503-3710110-0 | Выключатель | |
| 67 | ВК403А-3716000 | Выключатель сигнализатора стояночного тормоза | |
| 68 | ВК403В | Выключатель света заднего хода | |
| 69 | 1101.3843 | Датчик скорости демультипликатора | |
| 70 | КЭМ24-01 | Клапан электромагнитный блокировки демультипликатора | |
| 71 | ВК403В | Выключатель света заднего хода | |
| 72 | ТМ111-3808000 | Датчик сигнализатора температуры воды (позиция 5) | |
| 73 | 1112.3740 | Факельная свеча | |
| 74 | КЭМ32-23М2 | Клапан электромагнитный муфты вентилятора | |
| 75 | 1102.3741 | Клапан электромагнитный | |
| 76 | ДСФ-45 | Датчик засоренности воздушного фильтра | |
| 77 | ТМ100А-3808000-0 | Датчик указателя температуры охлаждающей жидкости | |
| 78 | 661.3710-01 | Термореле | |
| 79 | ММ370-3829010-У-ХЛ | Датчик указателя давления масла в системе смазки двигателя | |
| 80 | 2602.3729010 | Датчик указателя аварийного давления масла в системе смазки двигателя | |
| 81 | 240-1017294-8 | Датчик засорённости масляного фильтра | |
| 82 | 7Д3.254.022 | Клапан электромагнитный КЭБ-420 | |
| 83 | 7Д3.254.022 | Клапан электромагнитный КЭБ-420 | |
| 84 | 7Д3.254.022 | Клапан электромагнитный КЭБ-420 | |
| 85 | 7Д3.254.022 | Клапан электромагнитный КЭБ-420 | |
| 86 | 7Д3.254.022 | Клапан электромагнитный КЭБ-420 | |
| 87 | 7Д3.254.022 | Клапан электромагнитный КЭБ-420 | |
| 88 | 4729000530 | Клапан электромагнитный | |
| 89 | 5202.3827010 | Датчик указателя уровня топлива | |
| 90 | ВК403В | Выключатель света заднего хода | |
| 91 | ВК403В | Выключатель света заднего хода | |
| 92 | 2702.3829010x18 | Датчик сигнализатора минимального рабочего давления воздуха в баллонах пневмосистемы | |
| 93 | ВК403В | Выключатель света заднего хода | |
| 94 | ПД8093-1 | Датчик импульсов | |
| 95 | ВК403В | Выключатель света заднего хода | |
| 96 | ВК403В | Выключатель света заднего хода | |
| 97 | ВК322-3710000-0 | Кнопка сигнала в кузове | |
| 98 | 47К | Розетка | |
| 99 | ВК403В | Выключатель света заднего хода | |
| 100 | Датчик | Датчик засоренности масляного фильтра | |
| 101 | 6СТ-190NЗ(ВП) | Батарея аккумуляторная сухозаряженная | |
| 101 | 6ТСТС-10АЗ | Батарея аккумуляторная | |
| 102 | ПС315-3723100 | Розетка внешнего запуска (позиция 33) | |
| 103 | 1402.3737000 | Выключатель "массы" | |
| 104 | ФП133АБ-3716010 | Фонарь задний (позиция 46) | |
| 105 | 2462.3716010 | Фонарь задний противотуманный | |
| 106 | ПС326-3723100 | Розетка прицепа | |
| 107 | ПС325-3723100 | Розетка штепсельная | |
| 108 | 2112.3711010-01 | Фара заднего хода | |
| 109 | ФП134Б-3717010 | Фонарь освещения номерного знака |
Содержащиеся в справочниках-каталогах запасные части и детали не предлагаются к продаже, а носят исключительно информационный характер