Вернуться на главную
Поиск
Каталоги запчастей к технике
Грузовые автомобили и прицепы
УралАЗ
УРАЛ-532361
Кронштейн задней опоры кабины с осью
Каталог запасных частей к технике: УралАЗ УРАЛ-532361. Кронштейн задней опоры кабины с осью
zoom-in
zoom-out
enlarge
shrink
circle-right
circle-left
file-text2
info
cart
Тип техники
Не выбрано
Легковые автомобили
Грузовые автомобили и прицепы
Автобусы
Сельхозтехника
Спецтехника
Двигатели
Мототехника
Марка
Не выбрано
BAW
DAF
DongFeng
FAW
Foton
HOWO
Hyundai
IVECO
JAC Motors
LGMG
MAN
Shaanxi
SITRAK
Studebaker
Tata
Volvo
Автокомпонент Плюс
БелАЗ
Брянский Арсенал
ГАЗ
ЗИЛ
КАЗ
Камский автозавод
КрАЗ
Мадара
МАЗ
МЗКТ
МоАЗ
Нефтекамский автозавод
Ставропольский Завод АвтоПрицепов
ТАТРА
Тонар
УралАЗ
ЧМЗАП
Модель
Не выбрано
4320-0006982-74 (NEXT) (2017)
УРАЛ-375
УРАЛ-4320
УРАЛ-4320 (1981)
УРАЛ-4320-0971-58 (2010)
УРАЛ-4320-1151-59 (2010)
УРАЛ-4320-1951-58 (2010)
УРАЛ-4320-1958-70И (2012)
УРАЛ-4320-31
УРАЛ-4320-31
УРАЛ-4320-41
УРАЛ-4320-60 (2013)
УРАЛ-4320-61 (2013)
УРАЛ-4320-6951-74 (2015)
УРАЛ-4320-80М/82М (2015)
УРАЛ-43202
УРАЛ-43203-10
УРАЛ-43204-1111-70 (2012)
УРАЛ-43204-1153-70 (2012)
УРАЛ-43206-41
УРАЛ-4420 (1981)
УРАЛ-44202-0511-58 (2010)
УРАЛ-44202-3511-80 (2012)
УРАЛ-44202-3511-80 (2013)
УРАЛ-44202-3511-80М (2015)
УРАЛ-532301
УРАЛ-532361 (2015)
УРАЛ-5557
УРАЛ-5557-31 (2010)
УРАЛ-5557-40
УРАЛ-55571-1121-70 (2011)
УРАЛ-55571-30 (2010)
УРАЛ-55571-40 (2010)
УРАЛ-63674
УРАЛ-63685
УРАЛ-6370-1121 (2011)
УРАЛ-6370-1151 (2011)
УРАЛ-63704 (2011)
Схема
>
Не выбрано
Кабина в сборе
Опора кабины передняя
Опора кабины задняя для автомобилей Урал 532361, 542301
Опора кабины задняя для автомобилей Урал 532362
Механизм опрокидывания кабины
Изоляция мотоотсека наружная для автомобилей с двигателем ЯМЗ-238Б
Изоляция мотоотсека наружная для автомобилей с двигателем ЯМЗ-7601
Настил пола
Стеклоочиститель
Стекла кабины
Омыватель ветрового стекла
Установка панели приборов
Обивка кабины
Установка наружной облицовки
Обивка крыши
Двери кабины
Стеклоподъемник
Замок двери
Сиденье водителя
Сиденье пассажира
Установка системы отопления
Установка шторок ветрового стекла
Установка штор задних окон и боковин
Установка штор окон дверей
Установка спального места
Установка шумоизоляции и накладки мотоотсека
Установка крыльев передних
Установка задних крыльев для автомобилей Урал 542301
Установка подножек
Установка дополнительной подножки
Установка платформы для автомобилей Урал 532361
Монтажная схема электрооборудования
Коммутационный блок
Перечень жгутов и проводов
Подвеска двигателя для автомобилей с двигателем ЯМЗ-238Б
Подвеска двигателя для автомобилей с двигателем ЯМЗ-7601
Установка указателя уровня масла
Вентиляция картера
Масляный радиатор для автомобилей с двигателем ЯМЗ-238Б
Установка агрегатов системы предпускового подогрева двигателя для автомобилей с двигателем ЯМЗ-238Б
Трубопроводы и шланги системы предпускового подогрева двигателя для автомобилей с двигателем ЯМЗ-238Б
Установка агрегатов системы предпускового подогрева двигателя для автомобилей с двигателем ЯМЗ-7601
Трубопроводы и шланги системы предпускового подогрева двигателя для автомобилей с двигателем ЯМЗ-7601
Котел предпускового подогревателя
Форсунка котла предпускового подогревателя
Нагнетатель насосного агрегата
Топливный насос насосного агрегата
Основной топливный бак
Дополнительный топливный бак для автомобилей Урал 532361, 542301
Дополнительный топливный бак для автомобилей Урал 542301
Дополнительный топливный бак для автомобилей Урал 532362-1026
Дополнительный топливный бак для автомобилей Урал 532362-1042
Трубопроводы и шланги системы питания для автомобилей Урал 532361, 532362
Трубопроводы и шланги системы питания для автомобилей Урал 542301
Установка фильтра грубой очистки, насоса предпусковой прокачки и топливораспределительного крана
Привод акселератора для автомобилей с двигателем ЯМЗ-238Б
Привод акселератора для автомобилей с двигателем ЯМЗ-7601
Тяга ручного останова двигателя для автомобилей с двигателем ЯМЗ-238Б
Тяга ручного останова двигателя для автомобилей с двигателем ЯМЗ-7601
Система питания воздухом
Установка воздуховодов для автомобилей с двигателем ЯМЗ-7601
Система выпуска газов
Система охлаждения для автомобилей с двигателем ЯМЗ-238Б
Система охлаждения для автомобилей с двигателем ЯМЗ-7601
Установка расширительного бачка
Установка системы отопления на двигателе
Штора радиатора для автомобилей с двигателем ЯМЗ-238Б
Привод педалей сцепления и тормоза
Установка пневмосистемы выключения сцепления
Установка бачка привода сцепления
Установка управления коробкой передач для автомобилей с двигателем ЯМЗ-238Б
Механизм дистанционного переключения передач для автомобилей с двигателем ЯМЗ-238Б
Установка управления коробкой передач для автомобилей с двигателем ЯМЗ-7601
Картер и подвеска раздаточной коробки
Первичный вал раздаточной коробки
Промежуточный вал раздаточной коробки и привод спидометра
Вал привода переднего моста, дифференциал и вал привода заднего моста раздаточной коробки
Управление и механизм переключения раздаточной коробки
Установка пневмоуправления для автомобилей Урал 532361-312, 532361-312П, 532362-1026, 532362-1042, 542301-11-10, 542301-17-10, 542301-117-10
Установка пневмоуправления для автомобилей Урал 532361-311, 532361-311П, 542301-011, 542301-011П, 542301-011П1, 542301-017, 542301-017-10П1
Механизм включения блокировки дифференциала
Карданная передача
Картер переднего первого (второго) моста
Передние мосты
Дифференциал передних мостов
Картер заднего (среднего) моста
Дифференциал и полуоси среднего и заднего мостов
Редуктор главной передачи
Проходной вал редуктора главной передачи
Рама
Установка удлинителя рамы для автомобилей Урал 532361
Передний буфер и буксирные крюки
Передняя подвеска
Рессора передняя
Ось передней балансирной подвески
Реактивные штанги
Реактивные штанги передние нижние
Реактивные штанги передние нижние (для замены штанг 651-2909012-01 и 651-2909013-01)
Задняя подвеска для автомобилей Урал 532361, 532362
Задняя подвеска для автомобилей Урал 542301
Задняя рессора 55571Х-2912012
Задняя рессора 4320Х-2912012
Задняя рессора 5557-2912012-12
Ось балансира задней подвески в сборе с кронштейнами и балансиром
Колесо и шина
Кран колесный
Ступица колеса и тормозной барабан
Система регулирования давления воздуха в шинах (за исключением автомобилей Урал 542301-117-10)
Система регулирования давления воздуха в шинах для автомобилей Урал 542301-117-10
Установка электромагнитного клапана системы накачки шин (за исключением автомобилей Урал 542301-0000117-10)
Установка электромагнитного клапана системы накачки шин для передних колес для автомобилей Урал 542301-117-10
Установка электромагнитного клапана системы накачки шин для задних колес для автомобилей Урал 542301-117-10
Вертикальный держатель запасного колеса для автомобилей Урал 532361, 542301
Вертикальный держатель запасного колеса для автомобилей Урал 532362
Редуктор подъема запасного колеса
Гидравлическая система рулевого управления для автомобилей с двигателем ЯМЗ-238Б
Гидравлическая система рулевого управления для автомобилей с двигателем ЯМЗ-7601
Рулевое управление
Механизм рулевой с распределителем
Механизм рулевой
Распределитель гидроусилителя
Колесо и вал рулевого управления
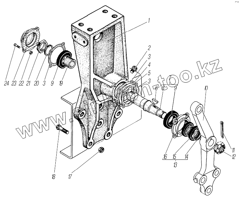
Кронштейн задней опоры кабины с осью
Усилительный механизм
Насос гидроусилителя
Установка клапана расхода и давления для автомобилей Урал 542301 с двигателем ЯМЗ-7601
Установка масляного бачка рулевого механизма
Масляный бачок
Тяга рулевой трапеции
Тяга сошки
Тяга рулевая продольная переднего первого и переднего второго моста
Рабочий тормоз
Установка пневматических усилителей с главными тормозными цилиндрами
Пневматический усилитель с главным тормозным цилиндром
Установка агрегатов пневмогидравлического привода рабочих тормозов для автомобилей Урал 532361 и 532362
Установка агрегатов пневмогидравлического привода рабочих тормозов для автомобилей Урал 542301
Трубопроводы и шланги гидропневматического привода рабочих тормозов для автомобилей Урал 532361 и 532362
Трубопроводы и шланги пневмогидравлического привода рабочих тормозов для автомобилей Урал 542301
Крепление трубопроводов и шлангов пневмогидравлического привода рабочих тормозов для автомобилей Урал 532361 и 532362
Крепление трубопроводов и шлангов пневмогидравлического привода рабочих тормозов для автомобилей Урал 542301
Стояночный тормоз
Пневмопривод стояночного тормоза
Установка тормозной камеры
Установка компрессора
Блок-картер компрессора
Головка компрессора
Поршень компрессора
Установка воздушных баллонов для автомобилей Урал 532361 и 532362
Установка воздушных баллонов для автомобилей Урал 542301
Установка регулятора давления и баллона адсорбера
Установка тормозного крана
Установка четырёхконтурного защитного клапана
Установка клапана контрольного вывода
Установка соединительных головок для автомобилей Урал 532361 и 532362
Установка соединительных головок для автомобилей для автомобилей Урал 542301
Установка клапана управления тормозами прицепа для автомобилей для автомобилей Урал 532361 и 532362
Установка клапана управления тормозами прицепа для автомобилей Урал 542301
Установка крана управления тормозами прицепа для автомобилей Урал 532361 и 532362
Вспомогательный тормоз
Установка фар, фонарей знака автопоезда, габаритных и указателей поворота
Установка подрулевых переключателей
Установка задних осветительных приборов для автомобилей Урал 532361 и 532362
Установка задних осветительных приборов для автомобилей Урал 542301
Установка электрического сигнала
Установка контейнера аккумуляторных батарей
Панель приборов
Щиток выключателей
Установка седельного устройства для автомобилей Урал 542301 с двигателем ЯМЗ-238Б
Установка седельного устройства для автомобилей Урал 542301-011-10, 542301-017-10, 542301-117-10 с двигателем ЯМЗ-7601
Установка седельного устройства для автомобилей Урал 542301-017-10П1 с двигателем ЯМЗ-7601
Установка передней площадки для автомобилей Урал 542301
Установка буксирного прибора для автомобилей Урал 532361, 532362
Установка задних крюков и поперечины №6 для автомобилей Урал 542301
Установка противооткатных упоров
Коробка дополнительного отбора мощности для автомобилей 532361-312, 532361-312П, 532362-1026, 532362-1042, 54301-11-10, 542301-17-10, 542301-117-10
Коробка отбора мощности для автомобилей Урал 532362
Привод лебедки для автомобилей Урал 542301-17-10
Установка лебедки для автомобилей Урал 542301-17-10
Установка гидропривода лебедки для автомобилей Урал 542301-17-10
Монтажная схема гидропривода лебедки для автомобилей Урал 542301-17-10
Система герметизации агрегатов
Установка инструментального ящика
1
2
3
3
3
4
5
6
7
8
9
9
10
11
12
13
14
15
16
17
18
19
20
21
22
23
24
Позиция на иллюстрации
Заводской номер детали
Название детали
1
532302-5001075-10
Кронштейн задней опоры кабины левый
2
262541
Пробка КГ 1/8"
3
5323Х-3414095
Прокладка уплотнительная
4
5323Х-3414108
Прокладка регулировочная
5
5323Х-3414109
Прокладка регулировочная
6
Н-1811
Шпонка 7х14 сегментная
7
5323Х-3414105
Ось с подшипниками в сборе
8
5323Х-3414094
Ось
9
7209
Подшипник роликовый конический однорядный
10
5323Х-3414084
Рычаг маятниковый
11
258085-П29
Шплинт 6х50
12
55571-2919101
Гайка М33х1,5
13
5323Х-3414096
Крышка с манжетами в сборе
14
4320Х-3401115
Пружина
15
2.2-45х70-1-1
Манжета
16
5323Х-3414097
Крышка
17
251649-П29
Гайка М16х1,5-6Н
18
332727-П29
Болт
19
5323Х-3414107
Втулка
20
5323Х-3414106
Шайба
21
4320-1802197
Гайка подшипника
22
252136-П2
Шайба 10 пружинная
23
5323Х-3414100
Крышка
24
201497-П29
Болт М10-6gх25
Содержащиеся в справочниках-каталогах запасные части и детали не предлагаются к продаже, а носят исключительно информационный характер
Дополнительная информация
×
Название:
Номер:
Примечание: