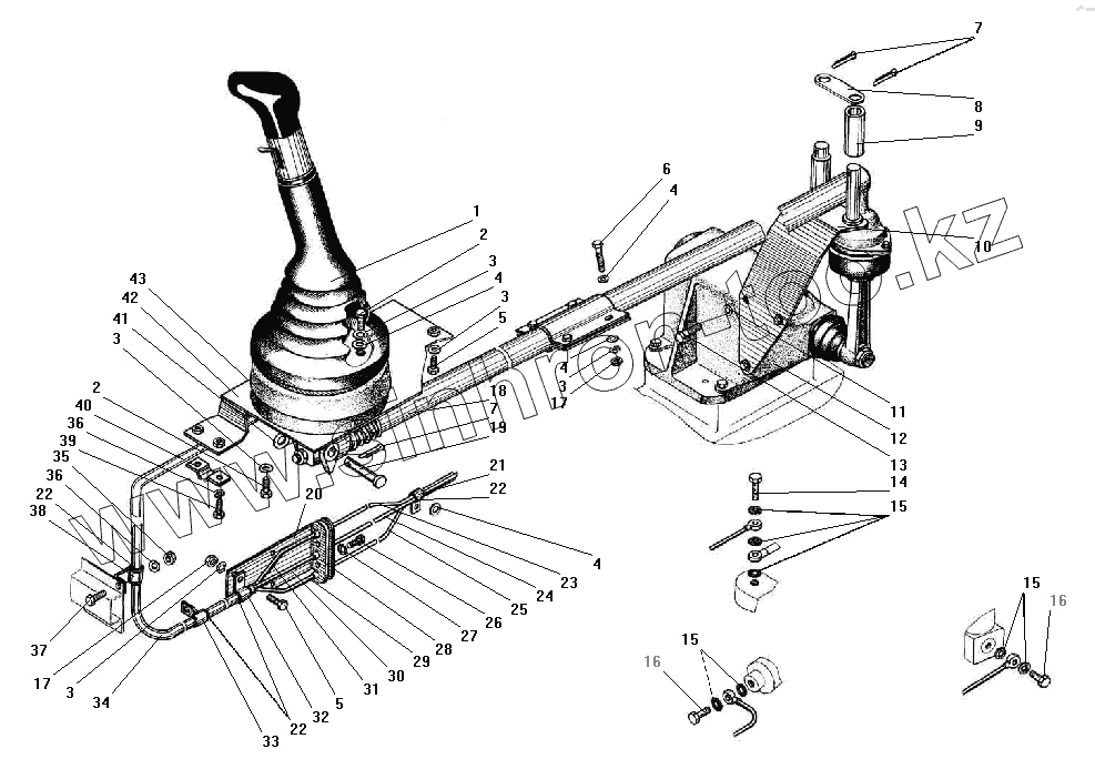
Каталог запасных частей к технике: УралАЗ УРАЛ-532301. Установка управления коробкой передач
1
2
2
3
3
3
3
3
4
4
4
4
5
5
6
7
7
8
9
10
11
12
13
14
15
15
15
16
16
17
17
18
19
20
21
22
22
22
23
24
25
26
27
28
29
30
31
32
33
34
35
36
36
37
38
39
40
41
42
43
| Позиция на иллюстрации | Заводской номер детали | Название детали | |
|---|---|---|---|
| 1 | 64221-1703410-01 | Рычаг | |
| 2 | 201456-П29 | Болт М8-6gх20 | |
| 3 | 252155-П2 | Шайба 8 пружинная | |
| 4 | 252005-П29 | Шайба 8 | |
| 5 | 201453-П29 | Болт М8-6gх14 | |
| 6 | 200263-П29 | Болт М8-6gх35 | |
| 7 | 258052-П29 | Шплинт 4х20 | |
| 8 | 5323РХ-1702257 | Пластина ограничительная | |
| 9 | 5323РХ-1702255 | Втулка | |
| 10 | 5323РХ-1702260 | Опора тяги | |
| 11 | 252136-П2 | Шайба 10 пружинная | |
| 12 | 5323РХ-1702200-10 | Механизм дистанционного переключения передач | |
| 13 | 201498-П29 | Болт М10-6gх28 | |
| 14 | 5323ЯХ-1772036 | Болт | |
| 15 | 43223-1015753 | Прокладка уплотнительная | |
| 16 | 5323ЯХ-1772034 | Болт | |
| 17 | 250510-П29 | Гайка М8-6Н | |
| 18 | 64227-1703325 | Механизм промежуточный | |
| 19 | 260097-П29 | Палец 12х70 | |
| 20 | 5323РХ-1772031-10 | Кронштейн крепления шлангов | |
| 21 | 339098-П29 | Хомут крепления шланга | |
| 22 | 375-3506023 | Прокладка хомута | |
| 23 | 5323РХ-1772039 | Трубка | |
| 24 | 5323РХ-1772047 | Трубка | |
| 25 | 5323РХ-1772041 | Трубка | |
| 26 | 220080-П29 | Винт М5-6gх16 | |
| 27 | 252153-П2 | Шайба 5 пружинная | |
| 28 | 5323РХ-1772037 | Скоба | |
| 29 | 5323РХ-1772028 | Трубка | |
| 30 | 5323РХ-1772026 | Трубка | |
| 31 | 5323РХ-1772024 | Трубка | |
| 32 | 339458-П29 | Хомут | |
| 33 | 339124-П29 | Хомут крепления шланга | |
| 34 | 5323РХ-1772025 | Трубка защитная | |
| 35 | 250508-П29 | Гайка М6-6Н | |
| 36 | 252154-П2 | Шайба 6 пружинная | |
| 37 | 201418-П29 | Болт М6-6gх16 | |
| 38 | 339823-П29 | Хомут | |
| 39 | 220105-П29 | Винт М6-6gх16 | |
| 40 | 5323РХ-1703103 | Скоба | |
| 41 | 252007-П29 | Шайба 12 | |
| 42 | 5323РХ-1703076 | Кожух | |
| 43 | 5323РХ-1703079 | Проставка |
Содержащиеся в справочниках-каталогах запасные части и детали не предлагаются к продаже, а носят исключительно информационный характер