Вернуться на главную
Поиск
Каталоги запчастей к технике
Грузовые автомобили и прицепы
УралАЗ
УРАЛ-532301
Гидравлическая система рулевого управления
Каталог запасных частей к технике: УралАЗ УРАЛ-532301. Гидравлическая система рулевого управления
zoom-in
zoom-out
enlarge
shrink
circle-right
circle-left
file-text2
info
cart
Тип техники
Не выбрано
Легковые автомобили
Грузовые автомобили и прицепы
Автобусы
Сельхозтехника
Спецтехника
Двигатели
Мототехника
Марка
Не выбрано
BAW
DAF
DongFeng
FAW
Foton
HOWO
Hyundai
IVECO
JAC Motors
LGMG
MAN
Shaanxi
SITRAK
Studebaker
Tata
Volvo
Автокомпонент Плюс
БелАЗ
Брянский Арсенал
ГАЗ
ЗИЛ
КАЗ
Камский автозавод
КрАЗ
Мадара
МАЗ
МЗКТ
МоАЗ
Нефтекамский автозавод
Ставропольский Завод АвтоПрицепов
ТАТРА
Тонар
УралАЗ
ЧМЗАП
Модель
Не выбрано
4320-0006982-74 (NEXT) (2017)
УРАЛ-375
УРАЛ-4320
УРАЛ-4320 (1981)
УРАЛ-4320-0971-58 (2010)
УРАЛ-4320-1151-59 (2010)
УРАЛ-4320-1951-58 (2010)
УРАЛ-4320-1958-70И (2012)
УРАЛ-4320-31
УРАЛ-4320-31
УРАЛ-4320-41
УРАЛ-4320-60 (2013)
УРАЛ-4320-61 (2013)
УРАЛ-4320-6951-74 (2015)
УРАЛ-4320-80М/82М (2015)
УРАЛ-43202
УРАЛ-43203-10
УРАЛ-43204-1111-70 (2012)
УРАЛ-43204-1153-70 (2012)
УРАЛ-43206-41
УРАЛ-4420 (1981)
УРАЛ-44202-0511-58 (2010)
УРАЛ-44202-3511-80 (2012)
УРАЛ-44202-3511-80 (2013)
УРАЛ-44202-3511-80М (2015)
УРАЛ-532301
УРАЛ-532361 (2015)
УРАЛ-5557
УРАЛ-5557-31 (2010)
УРАЛ-5557-40
УРАЛ-55571-1121-70 (2011)
УРАЛ-55571-30 (2010)
УРАЛ-55571-40 (2010)
УРАЛ-63674
УРАЛ-63685
УРАЛ-6370-1121 (2011)
УРАЛ-6370-1151 (2011)
УРАЛ-63704 (2011)
Схема
>
Не выбрано
Кабина в сборе
Опора кабины передняя
Опора кабины задняя
Механизм опрокидывания кабины
Обивка кабины
Установка противосолнечных козырьков, накладок мотоотсека и поручней
Изоляция мотоотсека наружная
Настил пола
Стекло ветровое
Стеклоочиститель
Омыватель ветрового стекла
Панель приборов
Стекла задка
Обивка крыши
Двери кабины
Сиденья водителя и пассажиров
Установка системы отопления
Установка наружной облицовки
Установка крыльев и брызговиков
Установки подножек
Установка задних брызговиков
Установка шумоизоляции
Платформа
Сиденья платформы
Тент платформы
Подвеска двигателя
Масляный радиатор
Установка агрегатов системы предпускового подогрева
Трубопроводы и шланги системы предпускового подогрева
Котел предпускового подогревателя
Топливный насос насосного агрегата
Нагнетатель насосного агрегата
Вентиляция картера двигателя
Указатель уровня масла
Основной топливный бак
Дополнительный топливный бак
Трубопроводы и шланги системы питания
Установка фильтра грубой очистки, насоса предпусковой прокачки и топливораспределительного крана
Тяга ручного останова двигателя
Привод акселератора
Воздуховод с воздушным фильтром
Система выпуска газов
Радиатор системы охлаждения
Штора радиатора
Расширительный бачок
Установка пневмосистемы управления сцеплением
Привод педалей сцепления и тормоза
Управление коробкой передач
Установка управления коробкой передач
Картер и подвеска раздаточной коробки
Первичный вал раздаточной коробки
Промежуточный вал раздаточной коробки и привод спидометра
Вал привода переднего моста, дифференциал и вал привода заднего моста раздаточной коробки
Управление и механизм переключения раздаточной коробки
Установка пневмоуправления РК*1, КОМ*2, ДОМ*3, БМКД*4
Установка кранов управления РК, КОМ, ДОМ, БМКД в кабине
Карданная передача
Карданный вал заднего моста
Карданный вал промежуточный (среднего моста)
Картер переднего первого (второго) моста
Передний мост
Редуктор главной передачи
Дифференциал и полуось
Картер заднего (среднего) моста
Механизм включения блокировки дифференциала
Проходной вал редуктора главной передачи
Рама
Передний буфер и буксирные крюки
Передняя подвеска
Рессора передняя
Ось передней балансирной подвески
Задняя балансирная подвеска
Рессора задняя
Реактивная штанга
Ось задней балансирной подвески
Колесо и шина
Ступица колеса и тормозной барабан
Ступица колеса и тормозной барабан для МО
Вертикальный держатель запасного колеса
Редуктор лебедки
Рулевое управление
Рулевой механизм
Гидравлическая система рулевого управления
Механизм рулевой с распределителем
Распределитель гидроусилителя
Колесо и вал рулевого управления
Усилительный механизм
Насос гидроусилителя
Бак масляный рулевого механизма
Тяга рулевой трапеции
Тяга сошки
Кронштейн
Тяга продольная переднего и второго моста
Камера тормозная
Установка тормозной камеры
Блок-картер компрессора
Головка и поршень компрессора
Установка компрессора
Установка тормозных аппаратов
Трубопроводы и шланги гидропневматического привода рабочих тормозов
Крепление трубопроводов и шлангов гидропневматического привода рабочих тормозов
Установка воздушных баллонов
Установка регулятора давлением
Установка тормозного крана
Одинарный защитный клапан
Тройной защитный клапан
Установка тройного защитного клапана
Клапан управления тормозами прицепа
Установка соединительной головки
Установка клапана прицепа
Установка крана управления тормозами прицепа
Вспомогательный тормоз
Установка буксирного клапана
Пневматические цилиндры вспомогательного тормоза
Пневматический кран
Система вспомогательного тормоза
Кран управления давлением
Рабочий тормоз
Установка пневматических усилителей с главными тормозными цилиндрами
Пневматический усилитель с главным тормозным цилиндром
Стояночный тормоз
Пневмопривод стояночного тормоза
Схема электрическая подключения приборов на мотоотсеке
Схема электрическая подключения светотехнических приборов на кабине
Схема электрическая приборов, расположенных на рулевой колонке
Схема подключения электрооборудования в кабине
Схема подключения электрооборудования, устанавливаемого на шасси
Схема подключения предпускового подогревателя
Схема подключения электрофакельного устройства
Фара
Фара прожектор для МО
Установка фонарей знака автопоезда, габаритного и бокового повторителя
Установка задних осветительных приборов для МО
Установка фонаря знака автопоезда, указателя поворота и световозвращателя
Установка замка зажигания
Установка электрического сигнала
Установка контейнера аккумуляторных батарей
Установка задних осветительных приборов
Сигнализатор
Щиток панели приборов
Схема электрическая панели приборов
Буксирный прибор
Коробка дополнительного отбора мощности
Кран пневмоуправления
Система регулирования давления воздуха в шинах
Установка кранов управления давлением
Лебедка с тросоукладчиком в сборе
Редуктор лебедки
Детали редуктора лебедки
Привод лебедки
Тормоз и управление лебедкой
Кронштейн с роликами
Тросоукладчик
Система герметизации агрегатов
1
2
2
3
3
3
3
4
4
4
4
5
5
6
7
7
8
9
10
11
12
13
14
15
15
16
16
17
18
19
20
21
22
23
24
25
26
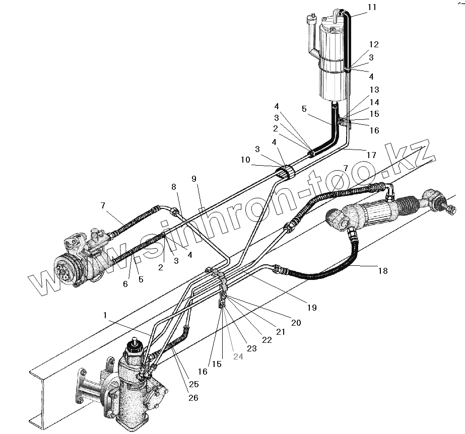
Позиция на иллюстрации
Заводской номер детали
Название детали
1
5323РХ-3408250
Трубка от распределителя первая
2
4598711553
Лента хомута 35
3
4598711591
Пряжка
4
4598711151
Шплинт
5
5323-3408727
Рукав 25х35-1,6
6
5323РХ-3408728
Броня шланга гидроусилителя
7
4322-3408678
Шланг гидроусилителя
8
5323РХ-3408254
Трубка от насоса
9
5323РХ-3408152
Трубка всасывающая
10
4598711556
Лента хомута 50
11
4320-1013111
Рукав 16х25-1,6 L=800
12
4598711551
Лента хомута 25
13
339749
Скоба
14
201502-П29
Болт М10х38
15
250512-П29
Гайка М10
16
252156-П2
Шайба 10 пружинная
17
5323РХ-3408651
Трубка сливная
18
375-3407669-02
Шланг нагнетательный
19
5323РХ-3408252
Трубка от распределителя вторая
20
339940-П29
Скоба
21
201454-П29
Болт М8-6gх16
22
252155-П2
Шайба 8 пружинная
23
5323РХ-3408738
Кронштейн
24
201499-П29
Болт М10-6gх30
25
4320Я-1013105
Рукав 16х25-1,6 L=710
26
4320-3408673
Броня шланга
Содержащиеся в справочниках-каталогах запасные части и детали не предлагаются к продаже, а носят исключительно информационный характер
Дополнительная информация
×
Название:
Номер:
Примечание: