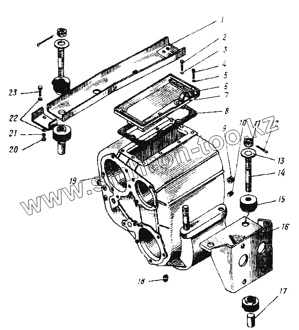
Каталог запасных частей к технике: УралАЗ УРАЛ-4420. Картер и подвеска раздаточной коробки
1
2
3
4
5
6
7
8
9
10
11
12
13
14
15
16
17
18
19
20
21
22
23
| Позиция на иллюстрации | Заводской номер детали | Название детали | |
|---|---|---|---|
| 1 | 375-1801008 | Кронштейн правый в сборе | |
| 2 | 201453-П29 | Болт М8-6gх14 | |
| 3 | 252135-П9 | Шайба пружинная 8 | |
| 4 | 201497-П29 | Болт М10-6gх25 | |
| 5 | 252136-П9 | Шайба пружинная 10 | |
| 6 | 375-1801043 | Скоба подъема раздаточной (дополнительной) коробки | |
| 7 | 375-1802013 | Крышка верхнего люка с маслоуловителем в сборе | |
| 8 | 375-1802268-Б | Прокладка уплотнительная крышки верхнего люка | |
| 9 | 339129 | Пробка наливная К3/4" | |
| 10 | 262533 | Пробка 3/8 | |
| 11 | 334837-П29 | Гайка М18х1,5 | |
| 12 | 258054-П29 | Шплинт 4х32 | |
| 13 | 336048-П29 | Шайба 18 | |
| 14 | 333651-П29 | Шпилька М18х1,5х24 | |
| 15 | 375-1801030 | Подушка подвески раздаточной коробки в сборе | |
| 16 | 375-1801017-Г2 | Кронштейн подвески левый в сборе | |
| 17 | 4320-1801040 | Втулка распорная | |
| 18 | 339210 | Пробка магнитная К3/4" в сборе | |
| 19 | 375-1802012-Б1 | Картер раздаточной коробки | |
| 20 | 250514-П29 | Гайка М12-6Н | |
| 21 | 252137-П9 | Шайба пружинная 12 | |
| 22 | 335917-П29 | Шайба 12,5 | |
| 23 | 201543-П29 | Болт М12-6gх38 |
Содержащиеся в справочниках-каталогах запасные части и детали не предлагаются к продаже, а носят исключительно информационный характер