Каталог запасных частей к технике: УралАЗ УРАЛ-4420. Головка цилиндра с клапанами в сборе
1
2
3
4
5
6
7
8
9
10
11
12
13
14
15
16
17
18
19
20
21
22
23
24
25
26
27
28
29
30
31
32
33
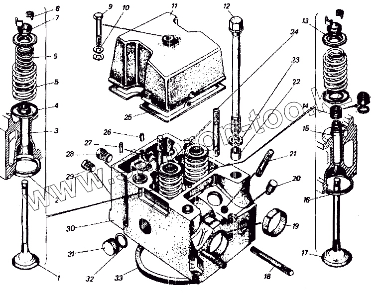
| Позиция на иллюстрации | Заводской номер детали | Название детали | |
|---|---|---|---|
| 740-1007134 | 740-1007134 | Шайба стопорная | |
| 1-21647-21 | 1-21647-21 | Гайка М10х1,25 | |
| 870629 | 870629 | Шайба 8 | |
| 740-1007096 | 740-1007096 | Фиксатор коромысел | |
| 740-1007091 | 740-1007091 | Стойка коромысел в сборе | |
| 740-1003213-10 | 740-1003213-10 | Прокладка уплотнительная | |
| 870638 | 870638 | Прокладка уплотнительная диаметр 9 | |
| 1-21647-21 | 1-21647-21 | Гайка М10х1,25 | |
| 740-1003015 | 740-1003015 | Головка цилиндра | |
| 740-1003013 | 740-1003013 | Головка цилиндра в сборе | |
| 740-1003010 | 740-1003010 | Головка цилиндра с клапанами в сборе | |
| 740-1003212 | 740-1003212 | Прокладка | |
| 1 | 740-1007015 | Клапан выпускной | |
| 2 | 740-1003110 | Седло впускного клапана | |
| 3 | 740-1007033 | Втулка направляющая | |
| 4 | 740-1007025 | Шайба | |
| 5 | 740-1007020 | Пружина клапана наружная | |
| 6 | 740-1007021 | Пружина клапана внутренняя | |
| 7 | 740-1007026 | Втулка тарелки пружины клапана | |
| 8 | 740-1007028 | Сухарь клапана | |
| 9 | 1-60443-31 | Болт М8Х55 | |
| 10 | 1-05196-01 | Шайба 8 | |
| 11 | 740-1003264 | Крышка головки цилиндра | |
| 12 | 740-1003016 | Болт | |
| 13 | 740-1007024-01 | Тарелка пружины клапана | |
| 14 | 740-1007262 | Манжета в сборе | |
| 15 | 740-1007032 | Втулка направляющая впускного клапана | |
| 16 | 740-1003108 | Седло впускного клапана | |
| 17 | 740-1007010 | Клапан впускной | |
| 18 | 870303 | Шпилька М10х1,25х52 | |
| 19 | 740-1008048 | Втулка патрубка | |
| 20 | 740-1112169 | Опора скобы | |
| 21 | 1-35468-21 | Шпилька М10х1,25х45 | |
| 22 | 740-1003442-01 | Втулка головки цилиндра | |
| 23 | 870648-П29 | Шайба 18 | |
| 24 | 1-35473-31 | Шпилька M10Х1,25Х70 | |
| 25 | 740-1003270 | Прокладка | |
| 26 | 1-04895-23 | Штифт установочный 6Х12 | |
| 27 | 1-03360-23 | Штифт 6Х16 | |
| 28 | 740-1003448 | Ввертыш | |
| 29 | 740-1003348 | Ввертыш | |
| 30 | 740-1003014 | Головка цилиндра со втулками в сборе | |
| 31 | 740 1003436 | Заглушка | |
| 32 | 740-1003439 | Кольцо уплотнительное | |
| 33 | 740-1003466 | Кольцо газового стыка уплотнительное |
Содержащиеся в справочниках-каталогах запасные части и детали не предлагаются к продаже, а носят исключительно информационный характер