Каталог запасных частей к технике: УралАЗ УРАЛ-44202-3511-80М. Схема электрооборудования
1
1
2
3
3
4
5
5
6
7
8
9
9
10
11
11
12
13
13
14
15
16
17
18
19
20
21
22
23
23
24
25
26
27
27
28
29
30
31
32
33
33
34
35
35
36
37
38
39
40
41
42
43
44
45
46
46
47
48
49
50
51
52
53
54
55
56
56
56
56
56
57
57
57
57
57
58
58
58
59
60
61
62
63
64
65
65
65
66
67
68
69
70
70
70
70
70
71
71
71
71
72
73
74
75
76
77
78
79
80
81
82
83
84
85
86
87
88
89
90
91
92
92
93
94
95
96
97
98
99
100
101
102
103
104
105
106
107
108
109
110
111
112
113
114
115
116
117
118
119
120
121
122
123
124
125
126
127
128
129
130
130
131
132
133
133
134
134
135
135
136
137
138
138
139
140
141
142
143
144
145
146
146
147
148
149
150
151
152
153
154
155
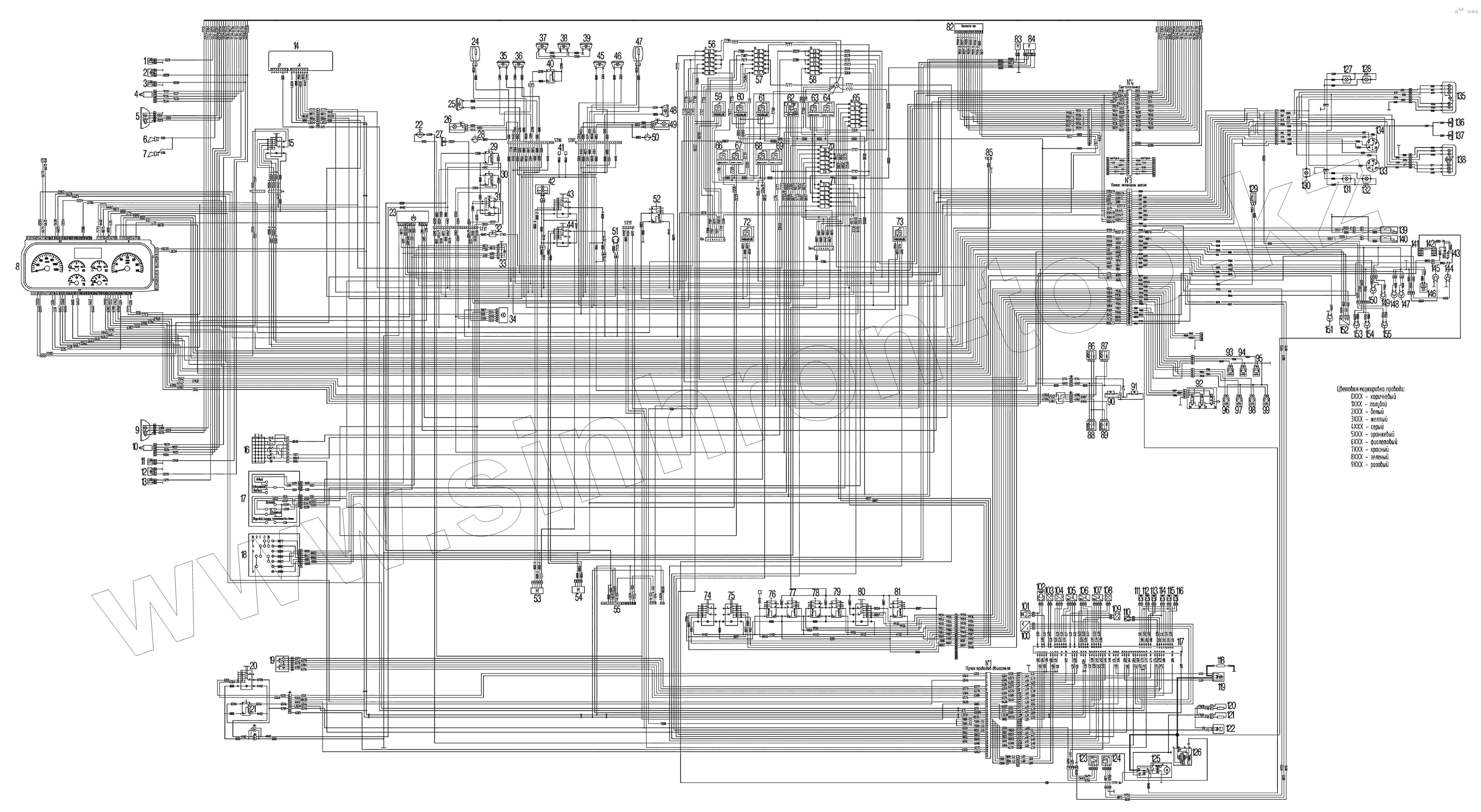
| Позиция на иллюстрации | Заводской номер детали | Название детали | |
|---|---|---|---|
| 1 | 112.01.11 | Указатель поворота передний | |
| 1 | 26.3726010 | Указатель поворота | |
| 2 | Фара | Дополнительная фара | |
| 3 | 2РТ980.680 | Дневной ходовой огонь | |
| 3 | 2РТ980.970 | Дневной ходовой огонь | |
| 4 | Корректор | Корректор фары | |
| 5 | 8702.3711-01 | Фара | |
| 5 | 112.03.29 | Фара | |
| 6 | С306Д/307Д-3721000 | Звуковые сигналы | |
| 7 | 24/241.3721000 | Звуковые сигналы | |
| 8 | 73.3801-01 | Комбинация приборов | |
| 9 | 8702.3711-01 | Фара | |
| 9 | 112.03.29 | Фара | |
| 10 | Корректор | Корректор фары | |
| 11 | 2РТ980.680 | Дневной ходовой огонь | |
| 11 | 2РТ980.970 | Дневной ходовой огонь | |
| 12 | Фара | Дополнительная фара | |
| 13 | 26.3726010 | Указатель поворота | |
| 13 | 112.01.11 | Указатель поворота передний | |
| 14 | 1391.210010010100 | Тахограф | |
| 15 | 82.3709000-26.10 | Переключатель датчиков топливных баков | |
| 16 | 2109-3704005-30 | Выключатель стартера и приборов (замок зажигания) | |
| 17 | 1102.3769-02 | Переключатель указателей поворота | |
| 18 | 9902.3709-01 | Переключатель | |
| 19 | 61000NO-51SD-42 | Педаль акселератора | |
| 20 | 771.3709-02.00 | Переключатель заслонки отопителя | |
| 21 | 3842.3710-1187М | Выключатель управления оборотами двигателя | |
| 22 | ВКП-2 | Выключатель вспомогательного тормоза | |
| 23 | 5412.3787010 | Реле прерыватель указателя поворотов | |
| 23 | S4012.3747 | Реле прерыватель указателя поворотов | |
| 24 | 391/820120 | Зеркало заднего вида левое с электроподогревом | |
| 25 | 5702.3726000 | Указатель поворота боковой дополнительный | |
| 26 | СИЕУ.453754.005-04 | Светильник автотранспортный светодиодный | |
| 27 | 112.05.44.00.000 | Фара-прожектор | |
| 27 | 2012.3711 | Фара-прожектор | |
| 28 | ВК409-3710000 | Дверные выключатели плафонов | |
| 29 | 3842.3710-02.05 | Выключатель фары-прожектора | |
| 30 | 3842.3710-11.04 | Выключатель заднего противотуманного фонаря | |
| 31 | 82.3709000-24.33 | Переключатель наружного освещения | |
| 32 | 21.3737-10 | Выключатель кнопочный | |
| 33 | 245.3710-01 | Выключатель аварийной сигнализации | |
| 33 | 249.3710-02 | Выключатель аварийной сигнализации | |
| 34 | 211.3777М | Реле задних противотуманных фонарей | |
| 35 | 611.3731-02 | Фонарь передний габаритный | |
| 35 | 264.3712 | Фонарь габаритный передний | |
| 36 | 4462.3731-02 | Фонарь боковой габаритный | |
| 37 | 2512.3726010-02 | Фонари знака автопоезда | |
| 38 | 2512.3726010-02 | Фонари знака автопоезда | |
| 39 | 2512.3726010-02 | Фонари знака автопоезда | |
| 40 | 3842.3710-02.38 | Выключатель фонарей знака автопоезда | |
| 41 | 4573739002 | Колодки для соединения с независимым подогревателем и отопителем | |
| 42 | Подсветка | Подсветка управления отопителем кабины | |
| 43 | 771.3709-02.00 | Переключатель заслонки отопителя | |
| 44 | 82.3709000-25.09 | Переключатель муфты вентилятора | |
| 45 | 4462.3731-02 | Фонарь боковой габаритный | |
| 46 | 611.3731-02 | Фонарь передний габаритный | |
| 46 | 264.3712 | Фонарь габаритный передний | |
| 47 | 391.8201020 | Электороуправляемые зеркала заднего вида | |
| 48 | 5702.3726000 | Указатель поворота боковой дополнительный | |
| 49 | СИЕУ.453754.005-04 | Светильник автотранспортный светодиодный | |
| 50 | ВК409-3710000 | Дверные выключатели плафонов | |
| 51 | 47К | Розетка | |
| 52 | 82.3709-30.18 | Переключатель обогрева зеркал | |
| 53 | Кран | Кран отопителя кабины | |
| 54 | Электродвигатель | Электродвигатель отопителя кабины | |
| 55 | OBD-II | Разъём диагностики | |
| 56 | Блокпредохранителей | Блокпредохранителей | |
| 56 | 354.3722 | Предохранитель, 20А | |
| 56 | 352.3722 | Предохранитель розетки переносной лампы | |
| 56 | 356.3722 | Предохранитель независимого отопителя, 30А | |
| 56 | 35.3722 | Предохранитель дополнительных плафонов, 5А | |
| 57 | Блокпредохранителей | Блокпредохранителей | |
| 57 | 35.3722 | Предохранитель дополнительных плафонов, 5А | |
| 57 | 355.3722 | Предохранитель АБС, 25А | |
| 57 | 353.3722 | Предохранитель запасной, 15А | |
| 57 | 351.3722 | Предохранитель запасной, 7,5А | |
| 58 | Блокпредохранителей | Блокпредохранителей | |
| 58 | 35.3722 | Предохранитель дополнительных плафонов, 5А | |
| 58 | 351.3722 | Предохранитель запасной, 7,5А | |
| 59 | 751.3777-02 | Реле | |
| 60 | 2-1904025-6 | Реле разгрузки клеммы | |
| 61 | 755-3777-01 | Реле разгрузки клеммы "15" R3 | |
| 62 | 500369986 | Реле стеклоочистителя | |
| 63 | 983.3747-01 | Реле | |
| 64 | 983.3747-01 | Реле | |
| 65 | Блокпредохранителей | Блокпредохранителей | |
| 65 | 352.3722 | Предохранитель розетки переносной лампы | |
| 65 | 35.3722 | Предохранитель дополнительных плафонов, 5А | |
| 66 | 8-1393292-9 | Реле | |
| 67 | 8-1393292-9 | Реле | |
| 68 | 983.3747-01 | Реле | |
| 69 | 983.3747-01 | Реле | |
| 70 | Блокпредохранителей | Блокпредохранителей | |
| 70 | 356.3722 | Предохранитель независимого отопителя, 30А | |
| 70 | 35.3722 | Предохранитель дополнительных плафонов, 5А | |
| 70 | 355.3722 | Предохранитель АБС, 25А | |
| 70 | 351.3722 | Предохранитель запасной, 7,5А | |
| 71 | Блокпредохранителей | Блокпредохранителей | |
| 71 | 352.3722 | Предохранитель розетки переносной лампы | |
| 71 | 35.3722 | Предохранитель дополнительных плафонов, 5А | |
| 71 | 351.3722 | Предохранитель запасной, 7,5А | |
| 72 | Реле | Реле | |
| 73 | 751.3777-02 | Реле | |
| 74 | 82.3709000-26.00 | Переключатель управления самосвальной установкой | |
| 75 | 82.3709000-26.00 | Переключатель управления самосвальной установкой | |
| 76 | 3842.3710-02.28 | Выключатель межколесной блокировки | |
| 77 | 3842.3710-02.30 | Выключатель КОМ | |
| 78 | 3842.3710-02.30 | Выключатель КОМ | |
| 79 | 3842.3710-02.29 | Выключатель межосевой блокировки | |
| 80 | 82.3709000-28.00 | Переключатель включения передач раздаточной коробки | |
| 81 | 3842.3710-11.00 | Выключатель АБС (диагностика) | |
| 82 | ЭМКФ35 | Электромеханический корректор фар | |
| 83 | 22.5208010-01 | Омыватель | |
| 84 | 31.5215.000-01 | Электродвигатель стеклоочистителя | |
| 85 | 733.3747-10 | Зуммер | |
| 86 | ДКД-5К | Датчик | |
| 87 | ДКД-5К | Датчик | |
| 88 | ДКД-5К | Датчик | |
| 89 | ДКД-5К | Датчик | |
| 90 | 2802.3829 | Выключатели пневматические сигнала торможения | |
| 91 | АДЮИ.407529.003 | Выключатели пневматические сигнала торможения | |
| 92 | А500326091 | Электромагнитный клапан накачки шин "WABCO" | |
| 92 | 4729000530 | Клапан электромагнитный | |
| 93 | КЭМ10Д | Клапан электромагнитный | |
| 94 | КЭМ10Д | Клапан электромагнитный | |
| 95 | КЭМ10Д | Клапан электромагнитный | |
| 96 | КЭМ10Д | Клапан электромагнитный | |
| 97 | КЭМ10Д | Клапан электромагнитный | |
| 98 | КЭМ10Д | Клапан электромагнитный | |
| 99 | КЭМ10Д | Клапан электромагнитный | |
| 100 | Датчик | Датчик засоренности масляного фильтра | |
| 101 | Клапан | Клапан | |
| 102 | Клапан | Клапан | |
| 103 | 650.1130544 | Датчик частоты вращения двигателя | |
| 104 | Датчик | Датчик засоренности масляного фильтра | |
| 105 | 650.1130540 | Датчик давления в рампе | |
| 106 | 650.1130552 | Датчик давления масла | |
| 107 | 650.1130548 | Датчик температуры и давления воздуха во впускном коллекторе | |
| 108 | 650.1130544 | Датчик частоты вращения двигателя | |
| 109 | 650.1130556 | Датчик температуры охлаждающей жидкости | |
| 110 | Устройствоизмерения | Устройство измерения топлива | |
| 111 | 650.1112010 | Форсунки впрыска топлива | |
| 112 | 650.1112010 | Форсунки впрыска топлива | |
| 113 | 650.1112010 | Форсунки впрыска топлива | |
| 114 | 650.1112010 | Форсунки впрыска топлива | |
| 115 | 650.1112010 | Форсунки впрыска топлива | |
| 116 | 650.1112010 | Форсунки впрыска топлива | |
| 117 | 650.3763010 | Электронный блок управления EDC-7 | |
| 118 | 650.3740005 | Свеча подогрева воздуха | |
| 119 | Реле | Реле | |
| 120 | Нагревательныеэлементы | Нагревательные элементы подогрева топлива фильтре тонкой очистки | |
| 121 | Нагревательныеэлементы | Нагревательные элементы подогрева топлива фильтре тонкой очистки | |
| 122 | Термореле | Термореле подогрева топлива | |
| 123 | Датчик | Датчик засоренности масляного фильтра | |
| 124 | Нагревательныеэлемент | Нагревательный элемент | |
| 125 | AZF4137 | Стартер | |
| 126 | AAN5752 | Г енератор | |
| 127 | 4462.3731-02 | Фонарь боковой габаритный | |
| 128 | 4462.3731-03 | Фонари боковые габаритные | |
| 129 | Нагревательныеэлемент | Нагревательный элемент | |
| 130 | 112.05.44 | Фара-прожектор | |
| 130 | 20123711 | Поворотная фара | |
| 131 | 4462.3731-04 | Фонари боковые габаритные | |
| 132 | 4462.3731-05 | Фонари боковые габаритные | |
| 133 | ПС325-150 | Розетка прицепа | |
| 133 | СНЦ125-7/45В034-01 | Розетка прицепа | |
| 134 | ПС325-150 | Розетка прицепа | |
| 134 | СНЦ124-7/45В034-01 | Розетка прицепа | |
| 135 | 7442.3716-10 | Фонарь задний левый | |
| 135 | 8512.3716-01 | Фонарь задний | |
| 136 | ФП131АБ-3717010-02 | Фонарь освещения номерного знака | |
| 137 | ФП131АБ-3717010-02 | Фонарь освещения номерного знака | |
| 138 | 7442.3716-10 | Фонарь задний левый | |
| 138 | 8512.3716-01 | Фонарь задний | |
| 139 | 5202.3827010 | Датчик указателя уровня топлива | |
| 140 | 5202.3827010 | Датчик указателя уровня топлива | |
| 141 | 6CT-190.OL(ST) | Батареи аккумуляторные | |
| 142 | 6СТ-190N3 | Батареи аккумуляторные | |
| 143 | 1402.3737 | Выключатель «массы» | |
| 144 | ВК403В-3716 | Датчик | |
| 145 | ВК403В-3716 | Датчик | |
| 146 | 132.3839600 | Датчик засоренности воздушного фильтра | |
| 146 | ДСФ-70 | Датчик засоренности воздушного фильтра | |
| 147 | ВК403В-3716 | Датчик | |
| 148 | ВК403В-3716 | Датчик | |
| 149 | ВК403В-3716 | Датчик | |
| 150 | ВК403В-3716 | Датчик | |
| 151 | 6072.3829.000 | Датчик стояночного тормоза | |
| 152 | 2159.20102301 | Датчик скорости | |
| 153 | Датчик | Датчик засоренности масляного фильтра | |
| 154 | Датчик | Датчик засоренности масляного фильтра | |
| 155 | Датчик | Датчик засоренности масляного фильтра |
Содержащиеся в справочниках-каталогах запасные части и детали не предлагаются к продаже, а носят исключительно информационный характер