Каталог запасных частей к технике: УралАЗ УРАЛ-4320. Тросоукладчик лебедки
1
2
3
3
3
3
4
5
5
6
7
8
9
10
11
12
13
14
15
16
17
18
18
19
20
21
22
23
24
25
26
27
28
29
30
31
32
33
34
35
36
37
38
39
40
41
42
43
44
45
45
45
45
46
47
48
49
50
51
52
53
54
55
56
57
58
59
60
61
62
62
63
63
63
63
64
65
66
67
68
69
70
71
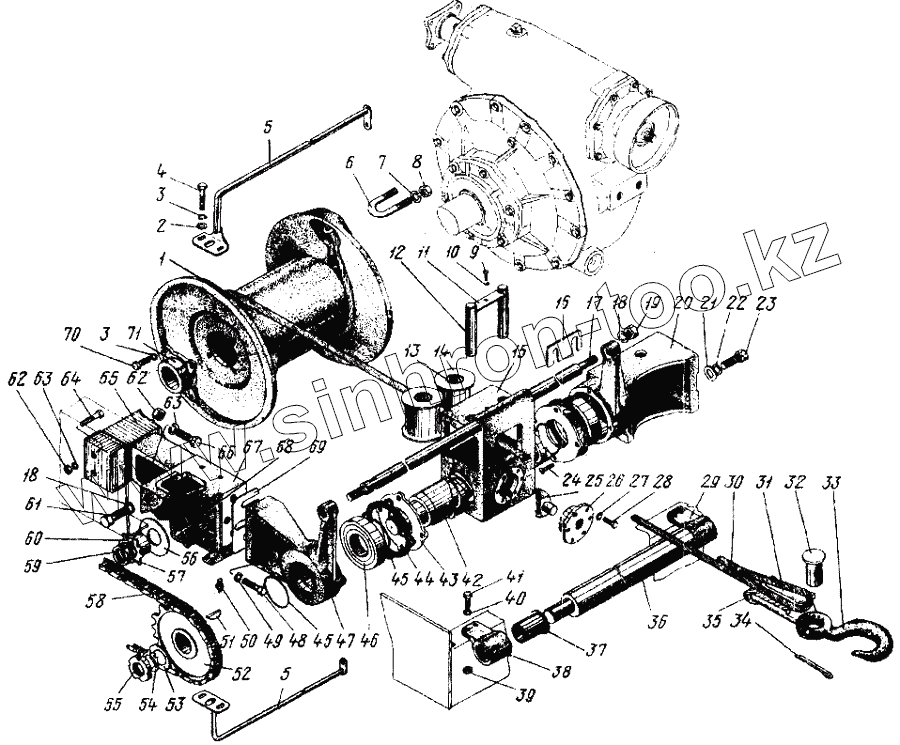
| Позиция на иллюстрации | Заводской номер детали | Название детали | |
|---|---|---|---|
| 375-4511074-А | 375-4511074-А | Прокладка регулировочная левая толщиной 4 или 5 мм | |
| 375-4501141 | 375-4501141 | Лебедка в сборе | |
| 375-4511010 | 375-4511010 | Лебедка с тросоукладчиком в сборе | |
| 375-4511077 | 375-4511077 | Прокладка регулировочная правая, толщиной 4 или 5мм | |
| 1 | 375-4501110-Б | Барабан лебедки со ступицей в сборе | |
| 2 | 252006-П29 | Шайба 10 | |
| 3 | 252136-П9 | Шайба пружинная 10 | |
| 3 | 252136-П9 | Шайба пружинная 10 | |
| 4 | 201496-П29 | Болт М10-6gх22 | |
| 5 | 375-4504005 | Отбойник троса в сборе | |
| 6 | 375-4501138 | Скоба крепления троса | |
| 7 | 252137-П9 | Шайба пружинная 12 | |
| 8 | 250515-П29 | Гайка М12х1,25-6Н | |
| 9 | 201416-П29 | Болт М6-6gх12 | |
| 10 | 252134-П9 | Шайба пружинная 6 | |
| 11 | 375-4511069-10 | Пластина стопорная | |
| 12 | 375-4511070 | Палец направляющего ролика | |
| 13 | 376-3504020 | Втулка | |
| 14 | 375-4511060-10 | Ролик направляющий | |
| 15 | 375-4511015-10 | Корпус | |
| 16 | 375-4511079 | Прокладка регулировочная правая, толщиной 0,5мм (для Урал-375, Урал-375Д) | |
| 17 | 375-4511067 | Вал направляющий | |
| 18 | 252141-П9 | Шайба 20 пружинная | |
| 19 | 250565-П29 | Гайка М20х1,5-6Н | |
| 20 | 375-4511011-А | Кронштейн ходового винта правый | |
| 21 | 252020-П29 | Шайба 22 | |
| 22 | 252142-П9 | Шайба 22 пружинная | |
| 23 | 202273-П29 | Болт М22-6gх45 | |
| 24 | 221663-П29 | Винт М8-6gх18 | |
| 25 | 375-4511023-А | Сухарь ходового винта | |
| 26 | 375-4511031 | Крышка опорная сухаря | |
| 27 | 252135-П9 | Шайба пружинная 8 | |
| 28 | 201460-П29 | Болт М8-6gх30 | |
| 29 | 375-4501260-Б | Кронштейн направляющего ролика правый | |
| 30 | 375-4504015 | Трос 17,5-Н-190-1 длиной 70,5м | |
| 31 | 375-4504021 | Клин коуша | |
| 32 | 375-4504023 | Валик | |
| 33 | 375-4504035 | Крюк лебедки | |
| 34 | 258069 | Шплинт 5х36 | |
| 35 | 375-4504020 | Коуш троса | |
| 36 | 375-4501250 | Ролик направляющий в сборе | |
| 37 | 375-4501259-Б | Втулка | |
| 38 | 375-4501261-Б | Кронштейн направляющего ролика левый | |
| 39 | 250512-П29 | Гайка М10 | |
| 40 | 252136-П9 | Шайба пружинная 10 | |
| 41 | 201501-П29 | Болт М10-6gх35 | |
| 42 | 375-4511026-А | Винт ходовой | |
| 43 | 375-4511048 | Крышка подшипника | |
| 44 | 375-4511049 | Прокладка крышки | |
| 45 | 375-3405084 | Кольцо уплотнительное | |
| 45 | 375-3405084 | Кольцо уплотнительное | |
| 46 | 311 | Подшипник шариковый радиальный однорядный | |
| 47 | 375-4511012-А | Кронштейн ходового винта левый | |
| 48 | 201613-П29 | Болт М14х1,5х38 | |
| 49 | 252138-П9 | Шайба пружинная 14 | |
| 50 | 264020-П29 | Масленка 1.3 | |
| 51 | 338071 | Шпонка 10х13 сегментная | |
| 52 | 375-4511050-10 | Звездочка ведомая | |
| 53 | 375-1802086 | Шайба упорная | |
| 54 | 375-1802083 | Шайба стопорная | |
| 55 | 375-1802060 | Гайка М42х1,5 | |
| 56 | 375-4501064 | Шайба упорная | |
| 57 | 375-4501067 | Шайба стопорная | |
| 58 | 375-4511052 | Цепь приводная роликовая однорядная нормальная 12х19,05 в сборе | |
| 59 | 375-4501063 | Гайка М33х2 | |
| 60 | 375-4511051-А2 | Звездочка ведущая привода ходового винта | |
| 61 | 202220-П29 | Болт М20-6gх45 | |
| 62 | 250562-П29 | Гайка М18-6Н | |
| 63 | 252140-П9 | Шайба пружинная 18 | |
| 63 | 252140-П9 | Шайба пружинная 18 | |
| 64 | 202166-П29 | Болт М18х38 | |
| 65 | 375-4501215-Б | Поперечина подвески лебедки | |
| 66 | 202172-П29 | Болт М18-6gх55 | |
| 67 | 375-4511014 | Кронштейн со втулкой в сборе | |
| 68 | 375-4501140 | Втулка | |
| 69 | 375-4511073-А | Прокладка регулировочная левая, толщиной 1мм (для Урал-375, Урал-375Д) | |
| 70 | 201499-П29 | Болт М10-6gх30 | |
| 71 | 375-4501121-Б | Фланец опорный |
Содержащиеся в справочниках-каталогах запасные части и детали не предлагаются к продаже, а носят исключительно информационный характер