Каталог запасных частей к технике: УралАЗ УРАЛ-4320. Схема электрооборудования
1
2
3
4
5
6
7
8
9
9
10
11
12
13
14
14
15
16
17
18
19
20
21
22
23
24
25
26
27
28
29
30
31
32
32
33
34
35
36
37
38
39
40
41
42
43
44
45
46
46
47
48
49
50
51
52
53
54
55
56
57
57
58
59
60
61
62
63
64
65
66
67
68
69
70
71
72
73
74
| Позиция на иллюстрации | Заводской номер детали | Название детали | |
|---|---|---|---|
| ГОСТ 5105-66 | ГОСТ 5105-66 | Бидон 10 л. | |
| ГОСТ 5105-66 | ГОСТ 5105-66 | Бидон 10 л. | |
| 4320-3748110 | 4320-3748110 | Болт крепления салазок | |
| 201498-П29 | 201498-П29 | Болт М10-6gх28 | |
| 1-13070-21 | 1-13070-21 | Болт М10х 1,25х40 | |
| 1-13069-21 | 1-13069-21 | Болт М10х1,25х30 | |
| 201537-П29 | 201537-П29 | Болт М12х22 | |
| 201538-П29 | 201538-П29 | Болт М12-6gх25 | |
| 200393-П29 | 200393-П29 | Болт М12х1,25-6gх45 | |
| 200840-П29 | 200840-П29 | Болт М14Х1,5-6gХ35.68.016 | |
| 201416-П29 | 201416-П29 | Болт М6-6gх12 | |
| 201416-П29 | 201416-П29 | Болт М6-6gх12 | |
| 201417-П29 | 201417-П29 | Болт М6-6gх14 | |
| 201417-П29 | 201417-П29 | Болт М6-6gх14 | |
| 201455-П29 | 201455-П29 | Болт М8-6gх18 | |
| 20.1455-П29 | 20.1455-П29 | Болт М8-6gХ18.68.016 | |
| 201456-П29 | 201456-П29 | Болт М8-6gх20 | |
| 201457-П29 | 201457-П29 | Болт М8-6gх22 | |
| 200265-П29 | 200265-П29 | Болт М8-6gх40 | |
| 200271-П29 | 200271-П29 | Болт М8-6gх60 | |
| 1-60436-21 | 1-60436-21 | Болт М8х25 | |
| 1-60438-21 | 1-60438-21 | Болт М8х30 | |
| 7851-0158Ц15ХР | 7851-0158Ц15ХР | Бородок ГОСТ 7214-72 | |
| Г287-3701211 | Г287-3701211 | Вал ротора | |
| 375Э-3909235 | 375Э-3909235 | Ведро резиновое в сборе | |
| Г287-3701055 | Г287-3701055 | Вентилятор в сборе | |
| НО-0603 | НО-0603 | Винт | |
| МХ-0139 | МХ-0139 | Винт ленты стяжной | |
| 221513-П29 | 221513-П29 | Винт М3-6gХ30.48.016 | |
| 220050-П29 | 220050-П29 | Винт | |
| 220051-П29 | 220051-П29 | Винт М4-6gх10 | |
| 220052-П29 | 220052-П29 | Винт М4-6gх12 | |
| 220053-П29 | 220053-П29 | Винт М4-6gх16 | |
| 220048-П29 | 220048-П29 | Винт М4х6 | |
| 220050-П9 | 220050-П9 | Винт М4-6gХ8.48.016 | |
| 220050-П29 | 220050-П29 | Винт | |
| 220050-П29 | 220050-П29 | Винт | |
| Х-4237-01 | Х-4237-01 | Винт М5 | |
| 220081-П29 | 220081-П29 | Винт М5-6gх8 | |
| 220077-П29 | 220077-П29 | Винт М5-6gх10 | |
| 220078-П29 | 220078-П29 | Винт М5-6gх12 | |
| 220078-П29 | 220078-П29 | Винт М5-6gх12 | |
| 220081-П29 | 220081-П29 | Винт М5-6gх8 | |
| 220081-П29 | 220081-П29 | Винт М5-6gх8 | |
| 220082-П29 | 220082-П29 | Винт М5-6gх20 | |
| 220082-П29 | 220082-П29 | Винт М5-6gх20 | |
| 221589-П29 | 221589-П29 | Винт М5х38 | |
| НО-0102 | НО-0102 | Винт М6 | |
| 220105-П29 | 220105-П29 | Винт М6-6gх16 | |
| 220105-П29 | 220105-П29 | Винт М6-6gх16 | |
| 2201105-П29 | 2201105-П29 | Винт М6-6gX16.48.016 | |
| 220102-П29 | 220102-П29 | Винт М6х6gх10 | |
| 220102-П29 | 220102-П29 | Винт М6х6gх10 | |
| 220102-П29 | 220102-П29 | Винт М6х6gх10 | |
| 220102-П29 | 220102-П29 | Винт М6х6gх10 | |
| 220102-П29 | 220102-П29 | Винт М6х6gх10 | |
| 220104-П29 | 220104-П29 | Винт М6-6gх14 | |
| 220104-П29 | 220104-П29 | Винт М6-6gх14 | |
| 220104-П29 | 220104-П29 | Винт М6-6gх14 | |
| 220105-П29 | 220105-П29 | Винт М6-6gх16 | |
| 220105-П29 | 220105-П29 | Винт М6-6gх16 | |
| 220107-П29 | 220107-П29 | Винт М6х20 | |
| 220107-П29 | 220107-П29 | Винт М6х20 | |
| 220101-П29 | 220101-П29 | Винт М6-6gх8 | |
| 4320-3710016 | 4320-3710016 | Винт стопорный | |
| ВК40-3721000-А-Э | ВК40-3721000-А-Э | Включатель пневматического сигнала | |
| 740-3901496 | 740-3901496 | Вороток | |
| Н-202 | Н-202 | Втулка проходная уплотнительная | |
| Г287-3701054 | Г287-3701054 | Втулка | |
| Н2017 | Н2017 | Втулка | |
| 339058 | 339058 | Втулка | |
| 4320-3724336 | 4320-3724336 | Втулка | |
| 4320-3724148 | 4320-3724148 | Втулка проходная | |
| 4320-3724014 | 4320-3724014 | Втулка разрезная | |
| Г287-3701053 | Г287-3701053 | Втулка упорная | |
| БПВ-7-100-02 | БПВ-7-100-02 | Блок выпрямительный | |
| Н-05001-П29 | Н-05001-П29 | Гайка | |
| ВК322-016 | ВК322-016 | Гайка | |
| 250512-П29 | 250512-П29 | Гайка М10 | |
| 250513-П29 | 250513-П29 | Гайка М10х1-6Н | |
| 1-21647-21 | 1-21647-21 | Гайка М10х1,25 | |
| 1-21647-21 | 1-21647-21 | Гайка М10х1,25 | |
| 250514-П29 | 250514-П29 | Гайка М12-6Н | |
| 250514-П29 | 250514-П29 | Гайка М12-6Н | |
| 250515-П29 | 250515-П29 | Гайка М12х1,25-6Н | |
| 250514-П29 | 250514-П29 | Гайка М12-6Н | |
| 250515-П29 | 250515-П29 | Гайка М12х1,25-6Н | |
| 250615-П29 | 250615-П29 | Гайка М12х1,25-6Н | |
| 250559-П29 | 250559-П29 | Гайка М14х1,5-6Н | |
| МХ-0235-01 | МХ-0235-01 | Гайка М16 | |
| 250462-П29 | 250462-П29 | Гайка М4-6Н | |
| Н1326-П29 | Н1326-П29 | Гайка М5 | |
| 250464-П29 | 250464-П29 | Гайка М5-6Н | |
| 250464-П29 | 250464-П29 | Гайка М5-6Н | |
| 250464-П29 | 250464-П29 | Гайка М5-6Н | |
| 250464-П29 | 250464-П29 | Гайка М5-6Н | |
| 250464-П29 | 250464-П29 | Гайка М5-6Н | |
| 250464-П29 | 250464-П29 | Гайка М5-6Н | |
| 250464-П29 | 250464-П29 | Гайка М5-6Н | |
| 250464-П29 | 250464-П29 | Гайка М5-6Н | |
| 250464-П29 | 250464-П29 | Гайка М5-6Н | |
| 8Х-1533М | 8Х-1533М | Гайка М6 | |
| 250508-П29 | 250508-П29 | Гайка М6-6Н | |
| 250508-П29 | 250508-П29 | Гайка М6-6Н | |
| 250508-П29 | 250508-П29 | Гайка М6-6Н | |
| 250508-П29 | 250508-П29 | Гайка М6-6Н | |
| 250508-П29 | 250508-П29 | Гайка М6-6Н | |
| 250508-П29 | 250508-П29 | Гайка М6-6Н | |
| 250508-П29 | 250508-П29 | Гайка М6-6Н | |
| 250508-П29 | 250508-П29 | Гайка М6-6Н | |
| 250508-П29 | 250508-П29 | Гайка М6-6Н | |
| 250508-П29 | 250508-П29 | Гайка М6-6Н | |
| 1-61008-11 | 1-61008-11 | Гайка М8 | |
| 250510-П29 | 250510-П29 | Гайка М8-6Н | |
| 250510-П29 | 250510-П29 | Гайка М8-6Н | |
| 250510-П29 | 250510-П29 | Гайка М8-6Н | |
| 250510-П29 | 250510-П29 | Гайка М8-6Н | |
| 250458-П29 | 250458-П29 | Гайка М3 | |
| 375Ю-3901047 | 375Ю-3901047 | Головка ключа 46 | |
| 375-3521012 | 375-3521012 | Головка соединительная со штуцером | |
| 740-3901050 | 740-3901050 | Головка торцового ключа | |
| 4320-8102039 | 4320-8102039 | Диск электродвигателя | |
| Д3-3913010 | Д3-3913010 | Домкрат гидравлический 5т в сборе | |
| 255025-П29 | 255025-П29 | Заклепка 3х7.01.016 | |
| 377-8103018 | 377-8103018 | Заслонка | |
| 2810-0199Ц15ХР | 2810-0199Ц15ХР | Зубило ГОСТ 7211-72 | |
| 375С-3723105 | 375С-3723105 | Кабель соединительный в сборе | |
| Г288-3701220 | Г288-3701220 | Катушка возбуждения в сборе | |
| 7811-0007С1Ц15ХР | 7811-0007С1Ц15ХР | Ключ 12Х13 ГОСТ 2839-71 | |
| 740-3901480 | 740-3901480 | Ключ 13Х17 | |
| 7811-0256С1Ц15ХР | 7811-0256С1Ц15ХР | Ключ 14 ГОСТ 16983-71 | |
| 7811-0023С1Ц15ХР | 7811-0023С1Ц15ХР | Ключ 17Х19 ГОСТ 2839-71 | |
| 7811-0289С1Ц15ХР | 7811-0289С1Ц15ХР | Ключ 17Х19 ГОСТ 2906-71 | |
| 740-3901482 | 740-3901482 | Ключ 19Х22 | |
| 7811-0025С1Ц15ХР | 7811-0025С1Ц15ХР | Ключ 22Х24 ГОСТ 2839-71 | |
| 7811-0041С1Ц15ХР | 7811-0041С1Ц15ХР | Ключ 27Х30 ГОСТ 2839-71 | |
| 7811-0003С1Ц15ХР | 7811-0003С1Ц15ХР | Ключ 8х10 ГОСТ 2839-71 | |
| 375Ю-3901118 | 375Ю-3901118 | Ключ гаечный торцовый для колес 27х38 | |
| 375Ю-3901052-01 | 375Ю-3901052-01 | Ключ гайки амортизатора в сборе | |
| 375Ю-3901035 | 375Ю-3901035 | Ключ для прокачки гидротормозов в сборе | |
| 740-3901192 | 740-3901192 | Ключ кольцевой 22Х24 | |
| ГОСТ 7275-75 | ГОСТ 7275-75 | Ключ разводной 30 | |
| 740-3901510 | 740-3901510 | Ключ торцовый 10 | |
| 375-3901124-Б | 375-3901124-Б | Ключ торцовый 140 | |
| 4320-3901077 | 4320-3901077 | Ключ торцовый 36 | |
| ИП-3901143-Э | ИП-3901143-Э | Ключ торцовый 55 | |
| 4320-3901074 | 4320-3901074 | Ключ торцовый 6х8 | |
| 375Ю-3901095 | 375Ю-3901095 | Ключ торцовый S=12 в сборе | |
| 375Ю-3801117 | 375Ю-3801117 | Ключ торцовый для гаек стремянок рессор 30Х32 | |
| 353-3709015 | 353-3709015 | Козырек защитный | |
| Колодка | Колодка | Колодка восьмиклеммовая для наружных штекеров | |
| Колодка | Колодка | Колодка восьмиклеммовая для наружных штекеров | |
| Колодка | Колодка | Колодка восьмиклеммовая для наружных штекеров | |
| Колодка | Колодка | Колодка восьмиклеммовая для наружных штекеров | |
| Колодка | Колодка | Колодка восьмиклеммовая для наружных штекеров | |
| Колодка | Колодка | Колодка восьмиклеммовая для наружных штекеров | |
| Колодка | Колодка | Колодка восьмиклеммовая для наружных штекеров | |
| Колодка | Колодка | Колодка восьмиклеммовая для наружных штекеров | |
| Колодка | Колодка | Колодка восьмиклеммовая для наружных штекеров | |
| Колодка | Колодка | Колодка восьмиклеммовая для наружных штекеров | |
| Колодка | Колодка | Колодка восьмиклеммовая для наружных штекеров | |
| Колодка | Колодка | Колодка восьмиклеммовая для наружных штекеров | |
| Колодка | Колодка | Колодка восьмиклеммовая для наружных штекеров | |
| Колодка | Колодка | Колодка восьмиклеммовая для наружных штекеров | |
| 4320-3710070 | 4320-3710070 | Колпачок защитный | |
| 4320-3710070 | 4320-3710070 | Колпачок защитный | |
| 4320-3723051 | 4320-3723051 | Колпачок защитный | |
| 375-3726032 | 375-3726032 | Прокладка | |
| 4320-3748097 | 4320-3748097 | Кольцо замка | |
| Г250-3701205 | Г250-3701205 | Кольцо контактное | |
| 740-3708740 | 740-3708740 | Кольцо уплотнительное | |
| ФП133-3716100 | ФП133-3716100 | Корпус в сборе | |
| ПФ133-3712100 | ПФ133-3712100 | Корпус в сборе | |
| 377-8103013 | 377-8103013 | Корпус распределителя | |
| 740-3701774-20 | 740-3701774-20 | Кронштейн | |
| 4320-3741060 | 4320-3741060 | Кронштейн в сборе | |
| 4320-3716019 | 4320-3716019 | Кронштейн заднего фонаря левый | |
| 4420-3716015 | 4420-3716015 | Кронштейн заднего фонаря левый в сборе | |
| 4320-3716018 | 4320-3716018 | Кронштейн заднего фонаря правый | |
| 4420-3716014 | 4420-3716014 | Кронштейн заднего фонаря правый в сборе | |
| 4320-3748128 | 4320-3748128 | Кронштейн задний | |
| 4320-3717012 | 4320-3717012 | Кронштейн номерного знака в сборе | |
| 4320-3748126 | 4320-3748126 | Кронштейн передний в сборе | |
| 4320-3722027 | 4320-3722027 | Кронштейн предохранителя | |
| 377-8109050 | 377-8109050 | Кронштейн в сборе | |
| ФП134-3717110 | ФП134-3717110 | Крышка в сборе | |
| Г287-3701060 | Г287-3701060 | Крышка подшипника | |
| Г2.87-3701300 | Г2.87-3701300 | Крышка со стороны контактных колец в сборе | |
| Г287-3701400 | Г287-3701400 | Крышка со стороны привода | |
| 4320-3748056 | 4320-3748056 | Крышка ящика передняя в сборе | |
| А24-21 | А24-21 | Лампа 24В-28 W | |
| А24-21-2 | А24-21-2 | Лампа 24В-28 W | |
| А24-21-2 | А24-21-2 | Лампа 24В-28 W | |
| А24-21-2 | А24-21-2 | Лампа 24В-28 W | |
| А24-2 | А24-2 | Лампа | |
| А24-2-Э | А24-2-Э | Лампа 24В-3.0 W | |
| А24-5 | А24-5 | Лампа автомобильная | |
| А24-5 | А24-5 | Лампа автомобильная | |
| А24-5 | А24-5 | Лампа автомобильная | |
| А24-5-Э | А24-5-Э | Лампа 24В-7 W | |
| А24-5 | А24-5 | Лампа автомобильная | |
| 5ДБ-516143-Э | 5ДБ-516143-Э | Лампа ПЛТ-67А | |
| 740-3901569 | 740-3901569 | Ломик для проворота коленчатого вала | |
| 361-9913012 | 361-9913012 | Лопата саперная | |
| 654Э-3901029 | 654Э-3901029 | Лопатка монтажная | |
| 654Э-3901028 | 654Э-3901028 | Лопатка монтажная с воротом в сборе | |
| 375Ю-3901025-01 | 375Ю-3901025-01 | Молоток слесарный с ручкой в сборе | |
| МЭ-226В | МЭ-226В | МЭ-226В в сборе | |
| АС133-371900 | АС133-371900 | Насадка бокового повторителя | |
| АС132-3719000 | АС132-3719000 | Насадка заднего фонаря | |
| ПК2-3714250 | ПК2-3714250 | Насадка плафона | |
| АС130-3719010 | АС130-3719010 | Насадка подфарника | |
| АС122-3719000 | АС122-3719000 | Насадка фары светомаскировочная с ободком в сборе | |
| 19-3719010 | 19-3719010 | Насадка фонаря заднего хода | |
| АС131-3719010 | АС131-3719010 | Насадка фонаря освещения номерного знака | |
| 353-3916010 | 353-3916010 | Насос для переливания топлива | |
| ФП133-3716301 | ФП133-3716301 | Ободок | |
| ПФ133-3712221 | ПФ133-3712221 | Ободок | |
| 377-8109146 | 377-8109146 | Оболочка троса | |
| 4320-3748084 | 4320-3748084 | Опора салазок левая в сборе | |
| 4320-3748082 | 4320-3748082 | Опора салазок правая в сборе | |
| ФП134-3717100 | ФП134-3717100 | Основание фонаря в сборе | |
| М16-3564-00Э | М16-3564-00Э | Отвертка А250Х1,4 | |
| 864564 | 864564 | Отвертка комбинированная № 2 в сборе | |
| ФП310-3731000-Е-Э | ФП310-3731000-Е-Э | Отражатель света | |
| 740-3701780 | 740-3701780 | Палец | |
| 260065-П52 | 260065-П52 | Палец 10х48 | |
| 260046-П52 | 260046-П52 | Палец 8Х60 | |
| КП191-300 | КП191-300 | Патрон в сборе | |
| ПП158-3713000 | ПП158-3713000 | Патрон лампы | |
| ЛВ211-3714329 | ЛВ211-3714329 | Патрон лампы со штекером | |
| П147-3709000-05.06 | П147-3709000-05.06 | Переключатель поворотных фар | |
| 4320-1109257 | 4320-1109257 | Переходник индикатора | |
| 740-3701790-10 | 740-3701790-10 | Планка | |
| 4320-3748104 | 4320-3748104 | Планка крепления аккумуляторных батарей в сборе | |
| 375-3723015 | 375-3723015 | Пластина розетки | |
| 593471 | 593471 | Плоскогубцы комбинированные | |
| 377С-3919019 | 377С-3919019 | Подкладка инструментального ящика | |
| 6-180603КС9 | 6-180603КС9 | Подшипник шариковый | |
| 6-1180304К1С9 | 6-1180304К1С9 | Подшипник шариковый | |
| 4420-3919040 | 4420-3919040 | Полик в сборе | |
| 4420-3717029 | 4420-3717029 | Поперечина номерного знака | |
| 4320-3724175 | 4320-3724175 | Провод знака автопоезда | |
| 4320-3724188 | 4320-3724188 | Провод конденсатора отопителя в сборе | |
| 375-3724070 | 375-3724070 | Провод от стартера на МАССУ в сборе | |
| 4320-3724295 | 4320-3724295 | Провод на - "массу" в сборе | |
| 4320-3724291 | 4320-3724291 | Провод на "массу" в сборе | |
| 4320-3724293 | 4320-3724293 | Провод на "массу" в сборе | |
| 4320-3724295 | 4320-3724295 | Провод на - "массу" в сборе | |
| 4320-3724297 | 4320-3724297 | Провод на "массу" в сборе | |
| 4320-3724050 | 4320-3724050 | Провод от аккумуляторной батареи к включателю стартера в сборе | |
| 4320-3724284 | 4320-3724284 | Провод от аккумуляторной батареи к розетке в сборе | |
| 375Д-3724036 | 375Д-3724036 | Провод на "массу" в сборе | |
| 4320-3724107 | 4320-3724107 | Провод от включателя к катушке зажигания в сборе | |
| 4320-3724005 | 4320-3724005 | Провод от включателя к плафону в сборе | |
| 4320 3724283 | 4320 3724283 | Провод от выключателя массы к розетке в сборе | |
| 4320-3724269 | 4320-3724269 | Провод от заднего фонаря на "массу" в сборе | |
| 4320-3724086 | 4320-3724086 | Провод от переключателя к конденсатору в сборе | |
| 4320-3724061 | 4320-3724061 | Провод от регулятора напряжения к конденсаторному фильтру в сбире | |
| 4320-3724124 | 4320-3724124 | Провод от фонаря освещения под капотом к конденсаторному фильтру в сборе | |
| 4420-3724011 | 4420-3724011 | Провод переключатель - фара в сборе | |
| 4320-3724140 | 4320-3724140 | Провод подогревателя в сборе | |
| 4320-3724070 | 4320-3724070 | Провод соединения аккумуляторных батарей в сборе | |
| 4320-3724080 | 4320-3724080 | Провод соединения аккумуляторных батарей с выключателем массы в сборе | |
| 4320-3724290 | 4320-3724290 | Провод соединения приборов с "массой" в сборе | |
| 4320-3724285 | 4320-3724285 | Провод соединения приборов с массой в сборе | |
| 4320-3724187 | 4320-3724187 | Провод соединения сопротивлений отопителя в сборе | |
| 4320-3724180 | 4320-3724180 | Провода ламп освещения приборов в сборе | |
| 4320.3724181 | 4320.3724181 | Провода ламп освещения приборов в сборе | |
| 4320-3724085 | 4320-3724085 | Провода переключателей подогревателя в сборе | |
| 4320-3724076 | 4320-3724076 | Провода питания приборов левые в сборе | |
| 4320-3717016 | 4320-3717016 | Прокладка | |
| 4420-3716072 | 4420-3716072 | Прокладка | |
| 4420-3919043 | 4420-3919043 | Прокладка | |
| 353-3723222 | 353-3723222 | Прокладка | |
| 375-3506023 | 375-3506023 | Прокладка хомута | |
| 375-5506023 | 375-5506023 | Прокладка | |
| 375-3716072 | 375-3716072 | Прокладка | |
| 375Д-3726036 | 375Д-3726036 | Прокладка | |
| ФП133-3716203 | ФП133-3716203 | Прокладка | |
| ФП134-3717203 | ФП134-3717203 | Прокладка | |
| ПФ133-3712203 | ПФ133-3712203 | Прокладка | |
| 4320-8102042 | 4320-8102042 | Прокладка диска | |
| Г287-3701307 | Г287-3701307 | Прокладка уплотнительная | |
| 4320-8102052 | 4320-8102052 | Прокладка электродвигателя | |
| 4320-3724020 | 4320-3724020 | Пучок проводов добавочный в сборе | |
| 4320-3724039 | 4320-3724039 | Пучок проводов задний в сборе | |
| 4420-3724039 | 4420-3724039 | Пучок проводов задний в сборе | |
| 4320-3724035 | 4320-3724035 | Пучок проводов задний с колодками в сборе | |
| 4420-3724035 | 4420-3724035 | Пучок проводов задний с колодками в сборе | |
| 4420-3724043 | 4420-3724043 | Пучок проводов задних световых приборов в сборе | |
| 4420-3724040 | 4420-3724040 | Пучок проводов задних световых приборов с колодками в сборе | |
| 4320-3724043 | 4320-3724043 | Пучок проводов задних сигнальных фонарей в сборе | |
| 4320-3724040 | 4320-3724040 | Пучок проводов задних сигнальных фонарей с колодками в сборе | |
| 375-3724170 | 375-3724170 | Пучок проводов к боковому повторителю указателя поворота в сборе | |
| 375Д-3724139 | 375Д-3724139 | Пучок проводов к включателям "сток" в сборе | |
| 4320-3724017 | 4320-3724017 | Пучок проводов к подфарнику в сборе | |
| 4320-3724021 | 4320-3724021 | Пучок проводов к световым приборам в сборе | |
| 4320-3724012 | 4320-3724012 | Пучок проводов основной в сборе | |
| 4320-3724010 | 4320-3724010 | Пучок проводов основной с колодками в сборе | |
| 4320-3724082 | 4320-3724082 | Пучок проводов подогревателя | |
| 4320-3724023 | 4320-3724023 | Пучок проводов системы питания и пуска в сборе | |
| 4320-3710014 | 4320-3710014 | Рамка | |
| 4320-3710014 | 4320-3710014 | Рамка | |
| 4320-3724142 | 4320-3724142 | Рамка | |
| 352-3724015 | 352-3724015 | Рамка разрезной втулки | |
| 4320-3716009 | 4320-3716009 | Распорка кронштейна | |
| 377-8103010 | 377-8103010 | Распределитель воздухообогрева в сборе | |
| ФП133-3716204 | ФП133-3716204 | Рассеиватель | |
| ФП134-3717204 | ФП134-3717204 | Рассеиватель | |
| ПФ133-3712204 | ПФ133-3712204 | Рассеиватель | |
| УП101-3726204 | УП101-3726204 | Рассеиватель | |
| Г288-3701200 | Г288-3701200 | Ротор | |
| 353-3709012 | 353-3709012 | Ручка переключателя в сборе | |
| 43,20-3710012 | 43,20-3710012 | Ручка реостата | |
| 377-8103020 | 377-8103020 | Рычаг в сборе | |
| 4320-3748060 | 4320-3748060 | Салазки в сборе | |
| С40-3721000-В-Э | С40-3721000-В-Э | Сигнал пневматический в сборе | |
| Г250-3701053-А1 | Г250-3701053-А1 | Скоба | |
| Н2910-П29 | Н2910-П29 | Скоба | |
| 339330-П29 | 339330-П29 | Скоба | |
| 339439-П29 | 339439-П29 | Скоба | |
| 4320-3803027 | 4320-3803027 | Скоба | |
| СП170-002 | СП170-002 | Скоба | |
| 377-8103029 | 377-8103029 | Скоба | |
| СП 170-002 | СП 170-002 | Скоба крепления указателя | |
| Г288-3701100-А | Г288-3701100-А | Статор | |
| 4320-3748075 | 4320-3748075 | Стяжка крепления аккумуляторных батарей в сборе | |
| 4320-3748144 | 4320-3748144 | Стяжка кронштейнов | |
| 740-3901552 | 740-3901552 | Сумка для инструмента в сборе | |
| 375-39010.10 | 375-39010.10 | Сумка инструментальная большая в сборе | |
| 375Ю-3918000 | 375Ю-3918000 | Съемник полуоси в сборе | |
| 375-3918005 | 375-3918005 | Съемник сальников накачки шин в сборе | |
| 740-3901210 | 740-3901210 | Съемник форсунки в сборе | |
| ГОСТ 1399-73 | ГОСТ 1399-73 | Топор А2 | |
| 375-3907010 | 375-3907010 | Трос буксирный | |
| 377-8109324 | 377-8109324 | Трос | |
| 377-8109144 | 377-8109144 | Трос гибкий | |
| 28-04125 | 28-04125 | Трубка для прокачки гидросистемы | |
| 375-3721016-Б | 375-3721016-Б | Трубка от включателя к сигналу в сборе | |
| 375-3721018-В | 375-3721018-В | Трубка от разобщительного крана к включателю в сборе | |
| 377-8103024 | 377-8103024 | Тяга в сборе | |
| 339040 | 339040 | Угольник М14х1,5 КГ1/4" | |
| 339147-П29 | 339147-П29 | Угольник К1/8"-М14х1,5 | |
| Г288-3701130 | Г288-3701130 | Фаза статора | |
| Г288-3701132 | Г288-3701132 | Фаза статора | |
| 411-00-00-00 | 411-00-00-00 | Футляр аптечки в сборе | |
| 339097-П29 | 339097-П29 | Хомут 14 | |
| 339458-П29 | 339458-П29 | Хомут | |
| Г21-3701005 | Г21-3701005 | Чашка опорная | |
| 4320-3914030 | 4320-3914030 | Чехол утеплительный на радиатор и боковины в сборе | |
| Н-01350-П29 | Н-01350-П29 | Шайба | |
| 8Х-1497А | 8Х-1497А | Шайба | |
| 1-26386 01 | 1-26386 01 | Шайба 10 | |
| 252006-П29 | 252006-П29 | Шайба 10 | |
| 1-05168-73 | 1-05168-73 | Шайба 10 пружинная | |
| 1-05169-73 | 1-05169-73 | Шайба 10 пружинная | |
| 252156-П9 | 252156-П9 | Шайба 10 пружинная | |
| 252007-П29 | 252007-П29 | Шайба 12 | |
| 252007-П29 | 252007-П29 | Шайба 12 | |
| 252137-П9 | 252137-П9 | Шайба пружинная 12 | |
| 252137-П9 | 252137-П9 | Шайба пружинная 12 | |
| 252137-П9 | 252137-П9 | Шайба пружинная 12 | |
| 252016-П29 | 252016-П29 | Шайба 14 | |
| 252132-П9 | 252132-П9 | Шайба пружинная 4 | |
| 252132-П9 | 252132-П9 | Шайба пружинная 4 | |
| 252152-П9 | 252152-П9 | Шайба 4 пружинная | |
| 252132 П9 | 252132 П9 | Шайба 4Т.65Г.05 | |
| 252269-П9 | 252269-П9 | Шайба 5 | |
| 252003-П29 | 252003-П29 | Шайба 5 | |
| 252003-П29 | 252003-П29 | Шайба 5 | |
| 252133-П9 | 252133-П9 | Шайба пружинная 5 | |
| 252133-П9 | 252133-П9 | Шайба пружинная 5 | |
| 252153-П9 | 252153-П9 | Шайба пружинная 5 | |
| 252153-П9 | 252153-П9 | Шайба пружинная 5 | |
| 252153-П9 | 252153-П9 | Шайба пружинная 5 | |
| 252153-П9 | 252153-П9 | Шайба пружинная 5 | |
| 252153-П9 | 252153-П9 | Шайба пружинная 5 | |
| 252153-П9 | 252153-П9 | Шайба пружинная 5 | |
| 252153-П9 | 252153-П9 | Шайба пружинная 5 | |
| 252153-П9 | 252153-П9 | Шайба пружинная 5 | |
| 252153-П9 | 252153-П9 | Шайба пружинная 5 | |
| Х-4001-01 | Х-4001-01 | Шайба 5Т.65Г | |
| 252133-П9 | 252133-П9 | Шайба пружинная 5 | |
| 252133-П9 | 252133-П9 | Шайба пружинная 5 | |
| 252037-П29 | 252037-П29 | Шайба 6 | |
| 252269-П29 | 252269-П29 | Шайба 6 стопорная | |
| 252004-П29 | 252004-П29 | Шайба 6 | |
| 252004-П29 | 252004-П29 | Шайба 6 | |
| 252004-П29 | 252004-П29 | Шайба 6 | |
| 252269-П29 | 252269-П29 | Шайба 6 стопорная | |
| 252153-П9 | 252153-П9 | Шайба пружинная 5 | |
| 252154-П9 | 252154-П9 | Шайба пружинная 6 | |
| 252154-П9 | 252154-П9 | Шайба пружинная 6 | |
| 252154-П9 | 252154-П9 | Шайба пружинная 6 | |
| 252154-П9 | 252154-П9 | Шайба пружинная 6 | |
| 252154-П9 | 252154-П9 | Шайба пружинная 6 | |
| 252154-П9 | 252154-П9 | Шайба пружинная 6 | |
| 252154-П9 | 252154-П9 | Шайба пружинная 6 | |
| 252154-П9 | 252154-П9 | Шайба пружинная 6 | |
| 252154-П9 | 252154-П9 | Шайба пружинная 6 | |
| 252154-П9 | 252154-П9 | Шайба пружинная 6 | |
| 252154-П9 | 252154-П9 | Шайба пружинная 6 | |
| 252269-П9 | 252269-П9 | Шайба 5 | |
| 252269-П9 | 252269-П9 | Шайба 5 | |
| 252269-П9 | 252269-П9 | Шайба 5 | |
| 252269-П9 | 252269-П9 | Шайба 5 | |
| Х-1482-01 | Х-1482-01 | Шайба 6Т.65Г | |
| Х1482-01 | Х1482-01 | Шайба 6Т.65Г | |
| 252110 | 252110 | Шайба 6Т.65Г | |
| 252134-П9 | 252134-П9 | Шайба пружинная 6 | |
| 252134-П9 | 252134-П9 | Шайба пружинная 6 | |
| 252134-П9 | 252134-П9 | Шайба пружинная 6 | |
| 252134-П9 | 252134-П9 | Шайба пружинная 6 | |
| 1-26470-01 | 1-26470-01 | Шайба 8 | |
| 1-05166-73 | 1-05166-73 | Шайба 8 пружинная | |
| 1-05166-73 | 1-05166-73 | Шайба 8 пружинная | |
| 1-05166-73 | 1-05166-73 | Шайба 8 пружинная | |
| 252005-П29 | 252005-П29 | Шайба 8 | |
| 252005-П29 | 252005-П29 | Шайба 8 | |
| 252005-П29 | 252005-П29 | Шайба 8 | |
| 252038-П29 | 252038-П29 | Шайба 8,5 | |
| 252155-П9 | 252155-П9 | Шайба пружинная 8 | |
| 252155-П9 | 252155-П9 | Шайба пружинная 8 | |
| 252135-П9 | 252135-П9 | Шайба пружинная 8 | |
| 252135-П9 | 252135-П9 | Шайба пружинная 8 | |
| 252135-П29 | 252135-П29 | Шайба 8Т | |
| 252130-П9 | 252130-П9 | Шайба пружинная 3 | |
| Г287-3701074 | Г287-3701074 | Шайба коническая | |
| Н-04001Л-П15 | Н-04001Л-П15 | Шайба пружинная | |
| Г287-3701405 | Г287-3701405 | Шайба специальная | |
| Г288-3701051 | Г288-3701051 | Шкив | |
| 375-3917100-01 | 375-3917100-01 | Шланг насоса в сборе | |
| 1-35431-21 | 1-35431-21 | Шпилька М8х1,25х16х16 | |
| 258024-П29 | 258024-П29 | Шплинт 2,5х16 | |
| 258037-П29 | 258037-П29 | Шплинт 3,2х12 | |
| Х-4148 | Х-4148 | Шпонка сегментная | |
| Ш1-3911010-А | Ш1-3911010-А | Шприц для консистентной смазки рычажно-плунжерный в сборе | |
| 339263-П29 | 339263-П29 | Штуцер К1/8"-М14х1,5 | |
| Г272-3701020-01 | Г272-3701020-01 | Шетка | |
| Г272-3701030-01 | Г272-3701030-01 | Щетка с пружиной в сборе | |
| Г272-3701010-01 | Г272-3701010-01 | Щеткодержатель | |
| 740-3901550 | 740-3901550 | Щуп в сборе ГОСТ 332-64 | |
| МЭ226В-3730000 | МЭ226В-3730000 | Электродвигатель отопителя | |
| 4320-3748010 | 4320-3748010 | Ящик аккумуляторных батарей в сборе | |
| 4420-3919010 | 4420-3919010 | Ящик инструментальный в сборе | |
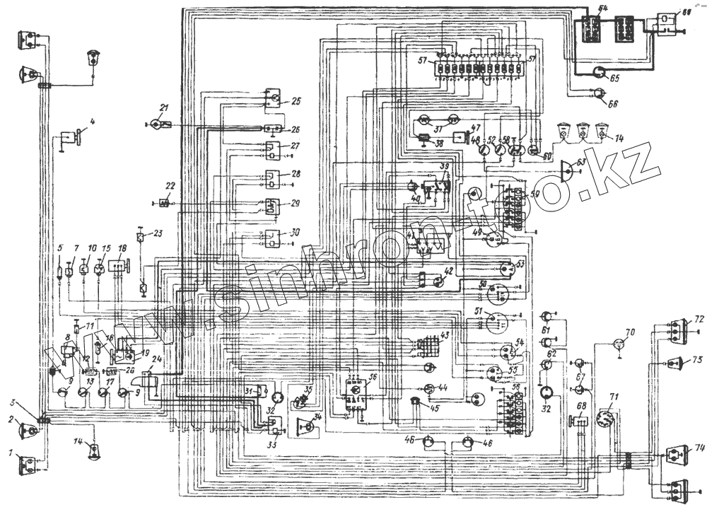
| 1 | ПФ133-3712010-БЭ | Фонарь передний в сборе | |
| 2 | ФГ122-3711000-НЭ | Фара ФГ122-НЭ в сборе | |
| 3 | ПС5-3723000-Э | Панель соединительная пятиклеммовая в сборе | |
| 4 | МЭ252-3730000 | Электродвигатель подогревателя | |
| 5 | ТМ100А-3808000-Э | Датчик указателя температуры воды | |
| 6 | 375Д-3733018 | Конденсатор электродвигателя отопителя типа КБПС | |
| 7 | 5320-3814010 | Индикатор засоренности воздушного фильтра | |
| 8 | ТК107-3734000 | Источник высокого напряжения | |
| 9 | ВК57-3710000-Э | Включатель ВК57 | |
| 10 | ММ111-3810600-Б-Э | Датчик аварийного давления масла | |
| 11 | СН423-3707000 | Свеча подогревателя | |
| 12 | ЭН22-3741010 | Электронагреватель | |
| 13 | ВН-45МЭ | Включатель | |
| 14 | УП101-3726000-Б-Э | Повторитель указателя поворота боковой | |
| 15 | ММ370-3829010 | Датчик давления масла | |
| 16 | ТМ111А-3808000 | Датчик сигнализатора температуры | |
| 17 | ВН-45МЭ | Включатель | |
| 18 | МЭ307-3730010 | Датчик спидометра электрический | |
| 19 | Г288-3701000 | Генератор типа Г288 в сборе | |
| 20 | ПЖД30-1015500-04 | Клапан электромагнитный с форсункой и электронагревателем в сборе | |
| 21 | ПД308А-3715300-Э | Фонарь освещения под капотом | |
| 22 | 11-3741000 | Клапан магнитный | |
| 23 | 11-3740000 | Свеча штифтовая запальная | |
| 24 | СТ142-3708000 | Стартер типа СТ-142 в сборе | |
| 25 | 11-3702000 | Регулятор напряжения в сборе | |
| 26 | ФР132-7904000 | Фильтр конденсаторный | |
| 27 | 11-3747010 | Реле отключения регулятора напряжения | |
| 28 | 11-3747010 | Реле отключения регулятора напряжения | |
| 29 | 12-3741000 | Сопротивление с биметаллическим контактом | |
| 30 | 11-3747010 | Реле отключения регулятора напряжения | |
| 31 | ПР3-3722000 | Предохранитель термобиметаллический на 30А | |
| 32 | 6ТБ.266.002-Э | Розетка 47К | |
| 33 | РС530-3721000-Э | Реле стартера | |
| 34 | ФГ16-3711000-ВЭ | Фара поворотная ФГ168В в сборе | |
| 35 | П53-3709000 | Переключатель ножной типа П53 в сборе | |
| 36 | РС951-3726010-У-ХЛ | Прерыватель указателей поворота | |
| 37 | СЭ300-8102100-Э | Сопротивление СЭ300 добавочное | |
| 38 | 375Д-3733018 | Конденсатор электродвигателя отопителя типа КБПС | |
| 39 | ВК422-3709000-01-Э | Включатель аварийной сигнализации | |
| 40 | 11-3704000 | Включатель кнопочный | |
| 41 | П305-3709000 | Переключатель света на три положения П305 | |
| 42 | П110-3709000-А-Э | Переключатель указателей поворота П110-А | |
| 43 | ВК353-3704000 | Включатель стартера и приборов | |
| 44 | ВК416-3709000-Б | Включатель света с реостатом в сборе | |
| 45 | РС531-3721000-Э | Сигнализатор звуковой (зуммер) | |
| 46 | ВК12-3720000-БЭ | Выключатель гидравлический сигнала "Стоп" в сборе | |
| 47 | 4320-8102080 | Электродвигатель с ротором в сборе | |
| 48 | ВК343-3709000-01.08 | Выключатель плафона | |
| 49 | УБ170-3806010-Э | Приемник указателя уровня топлива | |
| 50 | 12-3802010-50 | Указатель спидометра электрический | |
| 51 | 121-3813010-50 | Указатель электрического тахометра | |
| 52 | ВК343-3709000-01.06 | Выключатель поворотных фар | |
| 53 | АП171-3811010-Э | Амперметр | |
| 54 | УК170-3810010-Э | Приемник указателя давления масла | |
| 55 | УК171-3807010-Э | Приемник указателя температуры | |
| 56 | ПД511-3803010-Э | Блок контрольных ламп в сборе | |
| 57 | ПР120-3722000 | Блок предохранителей | |
| 58 | ВК343-3709000-02.06 | Выключатель знака автопоезда | |
| 59 | ПД512-3803010-Э | Блок контрольных ламп в сборе | |
| 60 | П147-3709000-03.11 | Переключатель отопителя кабины | |
| 61 | ВК503-3710110-Э | Включатель сигнализации в сборе | |
| 62 | ВК322-3710000-Э | Включатель ВК-322 | |
| 63 | ПК201-3714010-Д | Плафон ПК201-Д в сборе | |
| 64 | ФЯ3-552-075 | Аккумуляторная батарея 6СТ-190ТР в сборе | |
| 65 | ПС315-3723100 | Розетка внешнего запуска (позиция 33) | |
| 66 | ВК403-3716000-Э | Включатель света заднего хода | |
| 67 | ММ124-3810600-Б-Э | Датчик давления воздуха | |
| 68 | МЭ307-3730010-Э | Датчик спидометра | |
| 69 | ВК860-3737000 | Выключатель "массы" с дистанционным управлением в сборе | |
| 70 | БМ151-3806600А-Э | Датчик указателя уровня топлива в сборе | |
| 71 | ПС300-3723100-А | Розетка штепсельная типа ПС300 в сборе | |
| 72 | ФП133-3716010-Б-Э | Фонарь задний в сборе | |
| 73 | ФП135-3716010-Б | Фонарь заднего хода | |
| 74 | ФП134-3717010-Б-Э | Фонарь освещения номерного знака |
Содержащиеся в справочниках-каталогах запасные части и детали не предлагаются к продаже, а носят исключительно информационный характер