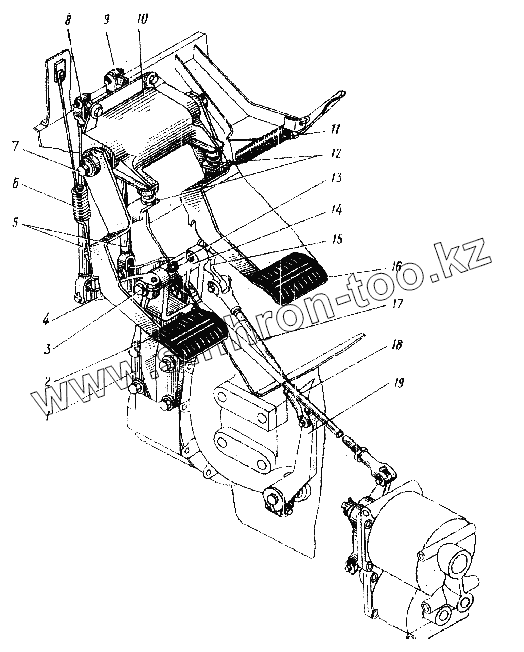
Каталог запасных частей к технике: УралАЗ УРАЛ-4320. Привод педалей сцепления и тормоза
1
2
3
4
5
6
7
8
9
10
11
12
13
14
15
16
17
18
19
| Позиция на иллюстрации | Заводской номер детали | Название детали | |
|---|---|---|---|
| 252135-П9 | 252135-П9 | Шайба пружинная 8 | |
| 339640-П52 | 339640-П52 | Палец 10х28 | |
| 375-3504015 | 375-3504015 | Подушка педали тормоза | |
| 375-3504015 | 375-3504015 | Подушка педали тормоза | |
| 252136-П9 | 252136-П9 | Шайба пружинная 10 | |
| 252136-П9 | 252136-П9 | Шайба пружинная 10 | |
| 252137-П9 | 252137-П9 | Шайба пружинная 12 | |
| 252016-П29 | 252016-П29 | Шайба 14 | |
| 252135-П9 | 252135-П9 | Шайба пружинная 8 | |
| 200317-П29 | 200317-П29 | Болт М10-6gх45 стяжной | |
| 258038-П29 | 258038-П29 | Шплинт 3,2х16 | |
| 258038-П29 | 258038-П29 | Шплинт 3,2х16 | |
| 258038-П29 | 258038-П29 | Шплинт 3,2х16 | |
| 258038-П29 | 258038-П29 | Шплинт 3,2х16 | |
| 258052-П29 | 258052-П29 | Шплинт 4х20 | |
| 258052-П29 | 258052-П29 | Шплинт 4х20 | |
| 338062 | 338062 | Шпонка 22х9,5 сегментная | |
| 338062 | 338062 | Шпонка 22х9,5 сегментная | |
| 250512-П29 | 250512-П29 | Гайка М10 | |
| 339640-П52 | 339640-П52 | Палец 10х28 | |
| 201497-П29 | 201497-П29 | Болт М10-6gх25 | |
| 201566-П29 | 201566-П29 | Болт М12Х1,25-6gХ38.68.016 | |
| 200263-П29 | 200263-П29 | Болт М8-6gх35 | |
| 200263-П29 | 200263-П29 | Болт М8-6gх35 | |
| 4320-1602070 | 4320-1602070 | Буфер педали | |
| 4320-1602070 | 4320-1602070 | Буфер педали | |
| 375-3504036 | 375-3504036 | Вилка тяги | |
| 375-3508045 | 375-3508045 | Вилка тяги | |
| 250512-П29 | 250512-П29 | Гайка М10 | |
| 250515-П29 | 250515-П29 | Гайка М12х1,25-6Н | |
| 250515-П29 | 250515-П29 | Гайка М12х1,25-6Н | |
| 4320-1602091 | 4320-1602091 | Наконечник регулировочный | |
| 4320-1602091 | 4320-1602091 | Наконечник регулировочный | |
| 260087-П52 | 260087-П52 | Палец 12х35 | |
| 339640-П52 | 339640-П52 | Палец 10х28 | |
| 339640-П52 | 339640-П52 | Палец 10х28 | |
| 1 | 4320-1602082 | Кронштейн вала привода выключения сцепления в сборе | |
| 2 | 4320 1602010 | Педаль сцепления в сборе | |
| 3 | 4320-1602032 | Вал привода выключения сцепления | |
| 4 | 4320-1602121 | Рычаг наружный | |
| 5 | 4320-3504052 | Тяга педали в сборе | |
| 6 | 4320-1602098 | Пружина вспомогательная | |
| 7 | 4320-1602055 | Вал педали сцепления | |
| 8 | 4320-1602060 | Рычаг вала педали | |
| 9 | 4320-3504026 | Рычаг вала педали тормоза | |
| 10 | 4320-1602063 | Кронштейн педалей сцепления и тормоза в сборе | |
| 11 | 4320-3504032 | Пружина оттяжная педали тормоза | |
| 12 | 250510-П29 | Гайка М8-6Н | |
| 13 | 330623-П29 | Болт М12Х70 регулировочный | |
| 14 | 4320-3504058 | Рычаг управления тормозным краном в сборе | |
| 15 | 4320-1602120 | Рычаг внутренний | |
| 16 | 4320-3504010 | Педаль тормоза в сборе | |
| 17 | 4320-1602112 | Тяга выключения сцепления | |
| 18 | 4320-3504065 | Тяга в сборе | |
| 19 | 4320-1602074 | Рычаг |
Содержащиеся в справочниках-каталогах запасные части и детали не предлагаются к продаже, а носят исключительно информационный характер