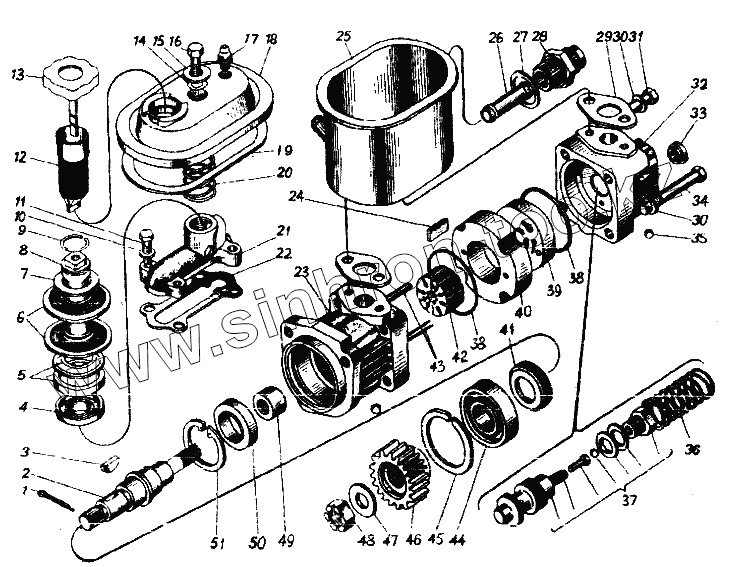
Каталог запасных частей к технике: УралАЗ УРАЛ-4320. Насос усилителя рулевого управления
1
2
3
4
5
6
7
8
9
10
11
12
13
14
15
16
17
18
19
20
21
22
23
24
25
26
27
28
29
30
30
31
32
33
34
35
36
37
38
38
39
40
41
42
43
44
45
46
47
48
49
50
51
| Позиция на иллюстрации | Заводской номер детали | Название детали | |
|---|---|---|---|
| 5320-3407338 | 5320-3407338 | Фильтр насоса в сборе | |
| 1 | 1-07338-01 | Шплинт 4Х40 | |
| 2 | 5320-3407217 | Валик насоса гидроусилителя руля | |
| 3 | 853803 | Шпонка сегментная 5х7,5 | |
| 4 | 5320-3407765 | Пластина нижняя | |
| 5 | 5320-3407429 | Манжета уплотнительная | |
| 6 | 5320-3407359 | Элемент фильтрующий | |
| 7 | 5320-3407763 | Пластина верхняя | |
| 8 | 5320-3407340 | Труба фильтра в сборе | |
| 9 | 1-34012-76 | Кольцо стопорное | |
| 10 | 1-05194-01 | Шайба 6 | |
| 11 | 1-09028-21 | Болт М6Х30 | |
| 12 | 5320-3407328 | Фильтр заливной в сборе | |
| 13 | 5320-3407350 | Пробка в сборе | |
| 14 | 864218 | Кольцо уплотнительное | |
| 15 | 1-26470-01 | Шайба 8 | |
| 16 | 1-60439-21 | Болт М8х35 | |
| 17 | 864000 | Клапан предохранительный | |
| 18 | 5320-3407398 | Крышка бачка с пружиной в сборе | |
| 19 | 5320-3407413 | Прокладка | |
| 20 | 5320-3407363 | Пружина | |
| 21 | 5320-3407435 | Коллектор насоса | |
| 22 | 5320-3407439 | Прокладка | |
| 23 | 5320-3407211 | Корпус | |
| 24 | 5320-3407251 | Лопасть насоса | |
| 25 | 4320-3410010 | Бак масляный в сборе | |
| 26 | 4320-3410021 | Трубка масляного бака | |
| 27 | 853634 | Шайба | |
| 28 | 5320-3407322 | Штуцер | |
| 29 | 5320-3407437 | Прокладка | |
| 30 | 1-05168-77 | Шайба 10 пружинная | |
| 31 | 853023-П7 | Болт М10Х1,25Х90 | |
| 32 | 5320-3407212 | Крышка насоса в сборе | |
| 33 | 864843 | Седло уплотнительное | |
| 34 | 853022-П7 | Болт М10Х1.25Х70 | |
| 35 | 864712 | Шарик 3,969-60 | |
| 36 | 5320-3407281 | Пружина перепускного клапана | |
| 37 | 5320-3407213 | Клапан перепускной в сборе | |
| 38 | 854217 | Кольцо уплотнительное | |
| 39 | 5320-3407255 | Диск распределительный | |
| 40 | 5320-3407253 | Статор насоса | |
| 41 | 5320-3407220 | Кольцо маслоотгонное | |
| 42 | 53203407248 | Ротор | |
| 43 | 853757 | Штифт установочный | |
| 44 | 305 | Подшипник шариковый | |
| 45 | 862806 | Кольцо упорное | |
| 46 | 5320-3407240 | Шестерня | |
| 47 | 1-35507-01 | Шайба 15 | |
| 48 | 853536-П29 | Гайка | |
| 49 | 154901 | Подшипник игольчатый | |
| 50 | 864121 | Манжета насоса | |
| 51 | 862807 | Кольцо упорное |
Содержащиеся в справочниках-каталогах запасные части и детали не предлагаются к продаже, а носят исключительно информационный характер